User Tag List

Страница 42 из 191 ПерваяПервая ... 383940414243444546 ... ПоследняяПоследняя
Показано с 411 по 420 из 1910

Тема: ПЛИС и всё что с ними связано

  1. #411

    Регистрация
    31.03.2008
    Адрес
    Москва
    Сообщений
    735
    Спасибо Благодарностей отдано 
    10
    Спасибо Благодарностей получено 
    80
    Поблагодарили
    37 сообщений
    Mentioned
    0 Post(s)
    Tagged
    0 Thread(s)

    По умолчанию

    Цитата Сообщение от fifan Посмотреть сообщение
    А тебе не пофиг?
    Это вопрос флеймовый.
    А меня интересует техническая сторона.
    ZXM-Phoenix rev.01 2048K, VG93 hw emulator

  2. #412

    Регистрация
    03.07.2005
    Адрес
    Санкт-Петербург
    Сообщений
    10,168
    Спасибо Благодарностей отдано 
    147
    Спасибо Благодарностей получено 
    84
    Поблагодарили
    55 сообщений
    Mentioned
    1 Post(s)
    Tagged
    0 Thread(s)

    По умолчанию

    Цитата Сообщение от IanPo Посмотреть сообщение
    А меня интересует техническая сторона.
    Технически - медленней по определению. Это касается и проггеров под USB для Атмелей.
    ScorpEvo ZS 1024 turbo+ CF-HDD/FDD/Mouse/SMUC 3.1/ProfROMse/NeoGS/ZC
    Speccy-2007 128/AY/TR-DOS

    Сайт с документацией к "Scorpion ZS 256"

  3. #413

    Регистрация
    07.12.2006
    Адрес
    Минск
    Сообщений
    221
    Спасибо Благодарностей отдано 
    5
    Спасибо Благодарностей получено 
    1
    Поблагодарили
    1 сообщение
    Mentioned
    0 Post(s)
    Tagged
    0 Thread(s)

    По умолчанию

    aSPECT
    поправил все косяки что обнаружил во время зборки, добавил немного описания что где и куда сувать .Позже выложу и фотки как оно выглядит.
    адрес в подписе.
    БЭМЗ ПЭВМ БАЙТ 48к
    CAHTAKA.002 48k
    БПК "Элара-Д" 48к +BDI(TR-DOS 5.03)
    SPECCY.2007 48k(2008.09)

  4. #414

    Регистрация
    31.03.2008
    Адрес
    Москва
    Сообщений
    735
    Спасибо Благодарностей отдано 
    10
    Спасибо Благодарностей получено 
    80
    Поблагодарили
    37 сообщений
    Mentioned
    0 Post(s)
    Tagged
    0 Thread(s)

    По умолчанию

    Вопрос про программирование FPGA( в частности, Циклон1):

    1) где хранить прошивку(чтоб не пропадала после отключения питания)?
    2) есть ли спец ПЗУ, чтобы можно было заливать прошивку через JTAG в FPGA и в ПЗУ?
    3) где можно посмотреть реальные схемы (есть только схема Pentagon 2.666, но там непонятно)?
    ZXM-Phoenix rev.01 2048K, VG93 hw emulator

  5. #415

    Регистрация
    03.07.2005
    Адрес
    Санкт-Петербург
    Сообщений
    10,168
    Спасибо Благодарностей отдано 
    147
    Спасибо Благодарностей получено 
    84
    Поблагодарили
    55 сообщений
    Mentioned
    1 Post(s)
    Tagged
    0 Thread(s)

    По умолчанию

    Прошивки можно хранить в специальном КонфПЗУ (типа EPCS), можно в подключенном микроконтроллере, можно во внешнем обычном ПЗУ (если слепить к нему загрузчик из микроконтроллера или CPLD).
    проще всего использовать конфПЗУ. К нему ничего дополнительно не надо.
    Цепляется оно не через JTAG, а через спецвыводы конфигурирования ПЛИС, ЖТАГ остается свободным. Прошивается конфПЗУ через ЖТАГ самой альтеры "паровозиком"
    Схема подключения болтается в этой теме.
    ScorpEvo ZS 1024 turbo+ CF-HDD/FDD/Mouse/SMUC 3.1/ProfROMse/NeoGS/ZC
    Speccy-2007 128/AY/TR-DOS

    Сайт с документацией к "Scorpion ZS 256"

  6. #416

    Регистрация
    03.07.2005
    Адрес
    Санкт-Петербург
    Сообщений
    10,168
    Спасибо Благодарностей отдано 
    147
    Спасибо Благодарностей получено 
    84
    Поблагодарили
    55 сообщений
    Mentioned
    1 Post(s)
    Tagged
    0 Thread(s)

    По умолчанию

    Цитата Сообщение от IanPo Посмотреть сообщение
    А оно одноразовое или Flash?
    Название м/с конфПЗУ для Циклона не подскажешь
    100000 перезаписей.
    Для небольшого циклона, например EPCS1 или EPCS4. Я пользуюсь как раз единичкой в комплекте с циклоном EP1C3T.
    ScorpEvo ZS 1024 turbo+ CF-HDD/FDD/Mouse/SMUC 3.1/ProfROMse/NeoGS/ZC
    Speccy-2007 128/AY/TR-DOS

    Сайт с документацией к "Scorpion ZS 256"

  7. #417

    Регистрация
    31.03.2008
    Адрес
    Москва
    Сообщений
    735
    Спасибо Благодарностей отдано 
    10
    Спасибо Благодарностей получено 
    80
    Поблагодарили
    37 сообщений
    Mentioned
    0 Post(s)
    Tagged
    0 Thread(s)

    По умолчанию

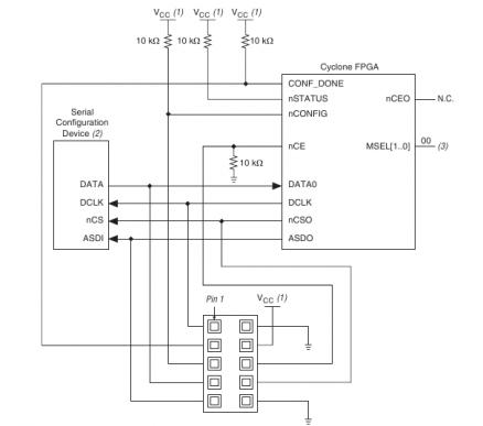
    Я параллельно искал и в описании на Циклон нашел подключение конфПЗУ.
    Там оно на что-то вешается, называется все это Active Serial Configuration Mode - это оно?
    На картинке 10-контактный разъем, это, видимо, не JTAG?
    Миниатюры Миниатюры Нажмите на изображение для увеличения. 

Название:	jtag.jpg 
Просмотров:	344 
Размер:	17.7 Кб 
ID:	16210  
    Последний раз редактировалось IanPo; 21.02.2010 в 00:17.
    ZXM-Phoenix rev.01 2048K, VG93 hw emulator

  8. #418

    Регистрация
    30.05.2007
    Адрес
    г. Лянтор, Сургутского р-на, ХМАО
    Сообщений
    4,436
    Спасибо Благодарностей отдано 
    163
    Спасибо Благодарностей получено 
    190
    Поблагодарили
    121 сообщений
    Mentioned
    5 Post(s)
    Tagged
    0 Thread(s)

    По умолчанию

    Цитата Сообщение от ewgeny7 Посмотреть сообщение
    Схема подключения болтается в этой теме.
    Я уже приводил здесь ссылку на пояснения подключения Циклонов и конфигПЗУ от ewgeny7, но видно народу лень читать тему от начала до конца или пользоваться поиском. Привожу ссылку на файл, который лежит на моём сайте. Берите пока ссылка не пустая...

    http://www.newretropc.ru/for_out/altera.rar

  9. #419

    Регистрация
    03.07.2005
    Адрес
    Санкт-Петербург
    Сообщений
    10,168
    Спасибо Благодарностей отдано 
    147
    Спасибо Благодарностей получено 
    84
    Поблагодарили
    55 сообщений
    Mentioned
    1 Post(s)
    Tagged
    0 Thread(s)

    По умолчанию

    Вот сцылко: http://www.zx.pk.ru/showpost.php?p=179221&postcount=38
    Там всё расписано русским по белому, со скриншотами из Квартуса.
    Я делал свои девайсы по этой схеме.
    ScorpEvo ZS 1024 turbo+ CF-HDD/FDD/Mouse/SMUC 3.1/ProfROMse/NeoGS/ZC
    Speccy-2007 128/AY/TR-DOS

    Сайт с документацией к "Scorpion ZS 256"

  10. #420

    Регистрация
    31.03.2008
    Адрес
    Москва
    Сообщений
    735
    Спасибо Благодарностей отдано 
    10
    Спасибо Благодарностей получено 
    80
    Поблагодарили
    37 сообщений
    Mentioned
    0 Post(s)
    Tagged
    0 Thread(s)

    По умолчанию

    Всем спасибо, с Циклонами разобрался.
    Надо такую прикупить и сбацать что-нить для Феникса
    ZXM-Phoenix rev.01 2048K, VG93 hw emulator

Страница 42 из 191 ПерваяПервая ... 383940414243444546 ... ПоследняяПоследняя

Информация о теме

Пользователи, просматривающие эту тему

Эту тему просматривают: 2 (пользователей: 0 , гостей: 2)

Похожие темы

  1. ДВК (и всё, что с ними связано)
    от Grand в разделе ДВК, УКНЦ
    Ответов: 4575
    Последнее: 17.11.2025, 11:38
  2. PAL/GAL и все что с ними связано.
    от Mick в разделе Клоны на ПЛИС, МК и БМК
    Ответов: 489
    Последнее: 19.09.2025, 18:39
  3. SMUC на дискретах и ПЛИС
    от spensor в разделе Scorpion
    Ответов: 846
    Последнее: 02.05.2025, 08:36
  4. Ответов: 1215
    Последнее: 10.02.2025, 19:04
  5. Вопрос по ПЛИС
    от Zloy в разделе Несортированное железо
    Ответов: 23
    Последнее: 17.10.2015, 17:12

Ваши права

  • Вы не можете создавать новые темы
  • Вы не можете отвечать в темах
  • Вы не можете прикреплять вложения
  • Вы не можете редактировать свои сообщения
  •