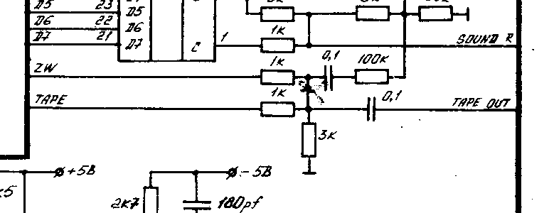
Эти биты отвечают за вывод на SPK и TAP.
У меня собственно вопрос такой (даже не один)
1. Выводятся ли оба эти сигнала в гнёзда stereo_out спектрумов или только SPK?
2. Поддерживаются ли эти сигналы с современных спектрумах (имею в виду тех, кто производятся сейчас типа Pentagon1024 и т.п.)
3. Какие типично схемы используются для вывода этих сигналов? Я понимаю что они формируются на триггерах, какая дальше обычно обвязка? Формируются ли они на одном регистре, одинаковый ли у них уровень? Схеме скорпиона отследил что идут они с одного регистра, не соединяются. По схеме балтика нашёл - то же самое. Предполагаю что везде так?




Ответить с цитированием
Размещение рекламы на форуме способствует его дальнейшему развитию 

, там есть всё
