User Tag List

Страница 1 из 6 12345 ... ПоследняяПоследняя
Показано с 1 по 10 из 54

Тема: Расширение возможностей Ленинград1

  1. #1

    Регистрация
    11.03.2005
    Адрес
    Екатеринбург
    Сообщений
    311
    Спасибо Благодарностей отдано 
    0
    Спасибо Благодарностей получено 
    0
    Поблагодарили
    0 сообщений
    Mentioned
    0 Post(s)
    Tagged
    0 Thread(s)

    По умолчанию Расширение возможностей Ленинград1

    В первую очередь интересно: не существует ли готового схемного решения для замены РУ5 на РУ7 для увеличения объёма памяти до 128Кб?
    Magic 05/128Кб/AY/kempston mouse/FDD 5.25/ext keyboard/minitower
    "ZX FlashTaper" developer : тут

  2. #1
    С любовью к вам, Yandex.Direct
    Размещение рекламы на форуме способствует его дальнейшему развитию

  3. #2

    Регистрация
    05.11.2006
    Адрес
    Курган
    Сообщений
    234
    Спасибо Благодарностей отдано 
    0
    Спасибо Благодарностей получено 
    0
    Поблагодарили
    0 сообщений
    Mentioned
    0 Post(s)
    Tagged
    0 Thread(s)

    По умолчанию

    Если на РУ7, то тогда уж до 256 ...
    Если 2 линейки РУ7, то для расширения до 512 готовое схемное решение точно есть = Спектрофон #17.

  4. #3

    Регистрация
    11.02.2005
    Адрес
    Москва
    Сообщений
    3,789
    Спасибо Благодарностей отдано 
    0
    Спасибо Благодарностей получено 
    4
    Поблагодарили
    4 сообщений
    Mentioned
    0 Post(s)
    Tagged
    0 Thread(s)

    По умолчанию

    Цитата Сообщение от DVS Посмотреть сообщение
    В первую очередь интересно: не существует ли готового схемного решения для замены РУ5 на РУ7 для увеличения объёма памяти до 128Кб?
    Возьми не готовоё (на РУ5) и переделай под РУ7 .
    Выкинь всю муть для выбора линеек по CAS . Новые сигналы A14' A15' (с мультиплексора порта) как и по сарой схеме идут на мультипрексоры адресов процессора (старые A14 A15 идущие от проца отрезаем). Вобщем тут всё как по описанию расширения на РУ5 .

    Далее - у нас остался сигнал A16' (который в схеме на РУ5 ранее рулил линейками по CAS), он также выходит с мультиплексора порта .
    Чтоб его подрубить нужен ещё один мультиплексор (чёрт... тут проще схему нарисовать чем словами говорить , с.м. аттач). Выход этого мультиплексора подрубаем на старший адрес РУ7 .

    Ещё нужно сделать чтоб CAS был пеpед RAS (чтоб микрухи сами себя регенерировали) . Для этого вместо старого CAS , берём H0 (со счётчика) и пропускаем его через инвертор .

    --- UPDATE ---

    Ещё раз поправил схемку , теперь всё должно работать вменяемо .
    V-Border берём с D8 pin8 (если на экране хрень , то pin9). Это нужно для обычной регенерации .

    Расширить до мегабайта можно операясь на ту схему - http://sblive.narod.ru/ZX-Spectrum/D...oryUpgrade.htm (дополнительный регистр на запись в мозги ставим поверх D32).
    Миниатюры Миниатюры Нажмите на изображение для увеличения. 

Название:	L1SIMM.png 
Просмотров:	954 
Размер:	4.3 Кб 
ID:	15538  
    Последний раз редактировалось fan; 18.01.2010 в 13:13.
    Спек128 - испанская выдумка, навязанная Сэру Клайву. © Shaos
    REAL HARDWARE MUST LIVE ! - http://SBLive.narod.ru/ZX-Spectrum/

  5. #4

    Регистрация
    24.06.2005
    Адрес
    Лысьва
    Сообщений
    1,205
    Спасибо Благодарностей отдано 
    5
    Спасибо Благодарностей получено 
    5
    Поблагодарили
    4 сообщений
    Mentioned
    0 Post(s)
    Tagged
    0 Thread(s)

    По умолчанию

    у меня сделано так:
    Миниатюры Миниатюры Нажмите на изображение для увеличения. 

Название:	len256k.jpg 
Просмотров:	1379 
Размер:	57.2 Кб 
ID:	5637  

  6. #5

    Регистрация
    11.03.2005
    Адрес
    Екатеринбург
    Сообщений
    311
    Спасибо Благодарностей отдано 
    0
    Спасибо Благодарностей получено 
    0
    Поблагодарили
    0 сообщений
    Mentioned
    0 Post(s)
    Tagged
    0 Thread(s)

    По умолчанию

    Буду соображать... Ещё надо разобраться в том, какие дорожки резать.
    Magic 05/128Кб/AY/kempston mouse/FDD 5.25/ext keyboard/minitower
    "ZX FlashTaper" developer : тут

  7. #6

    Регистрация
    22.02.2005
    Адрес
    Украина, Харьков
    Сообщений
    1,528
    Спасибо Благодарностей отдано 
    13
    Спасибо Благодарностей получено 
    6
    Поблагодарили
    5 сообщений
    Mentioned
    0 Post(s)
    Tagged
    0 Thread(s)

    По умолчанию

    IMHO, лучше юзать не РУ7, а как минимум импортный вариант MC41256, как оптимум и максимум MC44256, MC41100, MC44100. Наши РУшки очень медленные и прожерливые, могут глючить и перегреваться. Посмотри журналы DejaVu и Adventurer, там были подобные схемы.

  8. #7

    Регистрация
    11.02.2005
    Адрес
    Москва
    Сообщений
    3,789
    Спасибо Благодарностей отдано 
    0
    Спасибо Благодарностей получено 
    4
    Поблагодарили
    4 сообщений
    Mentioned
    0 Post(s)
    Tagged
    0 Thread(s)

    По умолчанию

    Цитата Сообщение от DVS Посмотреть сообщение
    Ещё надо разобраться в том, какие дорожки резать.
    Реж не дороги а ноги микрух ! (только не под корень )
    D16 - Pin10 A14 & Pin13 A15 , на эти ноги кидаем A14' & A15' с мультиплексора порта .
    D17 Pin13 , сюда кидаем сигнал SCREEN (вибор экрана для ВК).
    Спек128 - испанская выдумка, навязанная Сэру Клайву. © Shaos
    REAL HARDWARE MUST LIVE ! - http://SBLive.narod.ru/ZX-Spectrum/

  9. #8

    Регистрация
    24.06.2005
    Адрес
    Лысьва
    Сообщений
    1,205
    Спасибо Благодарностей отдано 
    5
    Спасибо Благодарностей получено 
    5
    Поблагодарили
    4 сообщений
    Mentioned
    0 Post(s)
    Tagged
    0 Thread(s)

    По умолчанию

    У меня в ленинграде на слепыше тм2 припаяна, похоже видео-сигнал правит. Вдруг с тв-тюнерами/пал-кодером лучше сдружится...
    Между D11 выв. 11 и D36 выв. 15 перерезать
    Миниатюры Миниатюры Нажмите на изображение для увеличения. 

Название:	len1-tm2.png 
Просмотров:	1126 
Размер:	12.4 Кб 
ID:	5652  
    Последний раз редактировалось skyther; 27.07.2007 в 22:43.

  10. #9

    Регистрация
    15.06.2006
    Адрес
    S.Pb
    Сообщений
    5,791
    Спасибо Благодарностей отдано 
    0
    Спасибо Благодарностей получено 
    7
    Поблагодарили
    6 сообщений
    Mentioned
    0 Post(s)
    Tagged
    0 Thread(s)

    По умолчанию

    Цитата Сообщение от skyther Посмотреть сообщение
    Вдруг с тв-тюнерами/пал-кодером лучше сдружится...
    енто привязка к чёрному так сделана, врядли на синхронизации тюнеров это скажется..

  11. #10

    Регистрация
    11.03.2005
    Адрес
    Екатеринбург
    Сообщений
    311
    Спасибо Благодарностей отдано 
    0
    Спасибо Благодарностей получено 
    0
    Поблагодарили
    0 сообщений
    Mentioned
    0 Post(s)
    Tagged
    0 Thread(s)

    По умолчанию

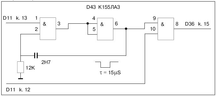
    С ТМ2 тоже попробую. Нашёл статью в ZX-Ревю про короткие строчные гасящие импульсы Ленинград-1. Там есть схема, но в ней вероятно ошибка - не работает ни на реале ни в симуляторе протеус.
    Где ошибка?
    Миниатюры Миниатюры Нажмите на изображение для увеличения. 

Название:	SYNC.JPG 
Просмотров:	812 
Размер:	18.8 Кб 
ID:	5657  
    Magic 05/128Кб/AY/kempston mouse/FDD 5.25/ext keyboard/minitower
    "ZX FlashTaper" developer : тут

Страница 1 из 6 12345 ... ПоследняяПоследняя

Информация о теме

Пользователи, просматривающие эту тему

Эту тему просматривают: 1 (пользователей: 0 , гостей: 1)

Похожие темы

  1. Расширение РАТОНА до 128К
    от andreil в разделе Несортированное железо
    Ответов: 7
    Последнее: 24.07.2007, 15:49
  2. Сигнал CAS расширение ОЗУ
    от AlexFantasy в разделе Память
    Ответов: 3
    Последнее: 05.05.2007, 15:38
  3. Небольшое расширение Unreal
    от valker в разделе Эмуляторы
    Ответов: 22
    Последнее: 19.03.2007, 21:45
  4. Расширение памяти
    от alexfreed в разделе Память
    Ответов: 7
    Последнее: 16.11.2005, 17:49

Ваши права

  • Вы не можете создавать новые темы
  • Вы не можете отвечать в темах
  • Вы не можете прикреплять вложения
  • Вы не можете редактировать свои сообщения
  •