собрал сабж, прошил тинни, а как можно проверить теперь его не подрубая к спеку?
как должна повести себя клава (индикаторы моргают, горят или еще как) и светодиодик на плате?
хочу удостовериться что контроллер работает прежде чем подключать его к спеку.
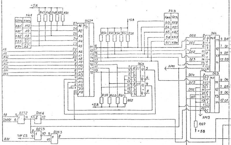
#FE - порт выбора клавиатуры спека. как его найти, точнее на что обращать внимание? по схеме (http://zxfiles.ru/downloads.php?id=476) я так понимаюон приходит на 1 ногу D64 и D65 (мультиплексоры), а формируется из A0 и /IORQ по схеме "или-не".
поправте если я ошибаюсь![]()


он приходит на 1 ногу D64 и D65 (мультиплексоры), а формируется из A0 и /IORQ по схеме "или-не".
БЭМЗ ПЭВМ БАЙТ 48к
Ответить с цитированием



