Важная информация

User Tag List

Страница 8 из 10 ПерваяПервая ... 45678910 ПоследняяПоследняя
Показано с 71 по 80 из 91

Тема: Орион-128: Контроллер IDE

  1. #71

    Регистрация
    14.01.2010
    Адрес
    г. Шумерля, Чувашия
    Сообщений
    1,358
    Спасибо Благодарностей отдано 
    27
    Спасибо Благодарностей получено 
    42
    Поблагодарили
    37 сообщений
    Mentioned
    0 Post(s)
    Tagged
    0 Thread(s)

    По умолчанию

    Цитата Сообщение от Error404 Посмотреть сообщение
    D8
    Цитата Сообщение от Error404 Посмотреть сообщение
    с D85 (ЛА3) вывода 11 (выход).
    ?
    D85 - ЛА2. 11 и 12 выводы на + питания.

  2. #72

    Регистрация
    14.08.2006
    Адрес
    Владимир
    Сообщений
    4,581
    Спасибо Благодарностей отдано 
    64
    Спасибо Благодарностей получено 
    112
    Поблагодарили
    97 сообщений
    Mentioned
    0 Post(s)
    Tagged
    0 Thread(s)

    По умолчанию

    Цитата Сообщение от АлександрПП Посмотреть сообщение
    ?
    D85 - ЛА2. 11 и 12 выводы на + питания.
    D86
    Лучше сделать и жалеть, чем не сделать и жалеть.

    Некоторые из моих поделок тут: https://github.com/serge-404

  3. #73

    Регистрация
    14.01.2010
    Адрес
    г. Шумерля, Чувашия
    Сообщений
    1,358
    Спасибо Благодарностей отдано 
    27
    Спасибо Благодарностей получено 
    42
    Поблагодарили
    37 сообщений
    Mentioned
    0 Post(s)
    Tagged
    0 Thread(s)

    По умолчанию

    1 и 15 выводы D5, D12 (КП12).

  4. #74

    Регистрация
    24.01.2008
    Адрес
    Уфа
    Сообщений
    3,927
    Спасибо Благодарностей отдано 
    106
    Спасибо Благодарностей получено 
    291
    Поблагодарили
    217 сообщений
    Mentioned
    10 Post(s)
    Tagged
    0 Thread(s)

    По умолчанию

    Сигнал "1" идёт на разрешающие входы мультиплексоров D5,D12, которые коммутируют линии адреса MA16-MA19 (номер 64Кб страницы). Если разрешения нет, то подтягивающие резистры установят номер 15.

    - - - Добавлено - - -

    Опоздал

  5. #75

    Регистрация
    12.12.2011
    Адрес
    г. Иркутск
    Сообщений
    2,509
    Спасибо Благодарностей отдано 
    10
    Спасибо Благодарностей получено 
    22
    Поблагодарили
    20 сообщений
    Mentioned
    0 Post(s)
    Tagged
    0 Thread(s)

    По умолчанию

    Цитата Сообщение от АлександрПП Посмотреть сообщение
    D85 (ЛА2).
    Цитата Сообщение от Error404 Посмотреть сообщение
    D85 (ЛА3)
    Не понятно.

  6. #76

    Регистрация
    14.01.2010
    Адрес
    г. Шумерля, Чувашия
    Сообщений
    1,358
    Спасибо Благодарностей отдано 
    27
    Спасибо Благодарностей получено 
    42
    Поблагодарили
    37 сообщений
    Mentioned
    0 Post(s)
    Tagged
    0 Thread(s)

    По умолчанию

    Да все просто, ну ошибся человек, бывает.

  7. #76
    С любовью к вам, Yandex.Direct
    Размещение рекламы на форуме способствует его дальнейшему развитию

  8. #77

    Регистрация
    14.08.2006
    Адрес
    Владимир
    Сообщений
    4,581
    Спасибо Благодарностей отдано 
    64
    Спасибо Благодарностей получено 
    112
    Поблагодарили
    97 сообщений
    Mentioned
    0 Post(s)
    Tagged
    0 Thread(s)

    По умолчанию

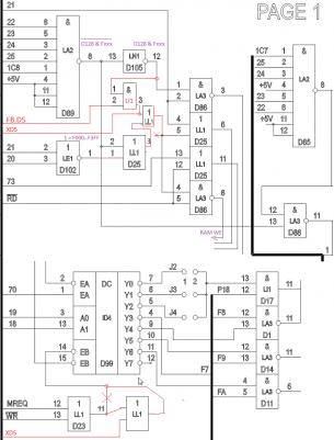
    Т.е. D86 выв.11 это тупо сигнал, определяющий номер сегмента, который впечатывается как ОЗУ в области F000...FFFF в режиме Ориона-128 или ПРО-без-диспетчеров16к. Номер сегмента = 31.

    Если я правильно понял схему, Full-RAM от порта FB.D5 будет выглядеть как-то так:
    Миниатюры Миниатюры Нажмите на изображение для увеличения. 

Название:	Full-RAM.jpg 
Просмотров:	205 
Размер:	23.8 Кб 
ID:	55963  
    Последний раз редактировалось Error404; 09.02.2016 в 16:08.
    Лучше сделать и жалеть, чем не сделать и жалеть.

    Некоторые из моих поделок тут: https://github.com/serge-404

  9. #78

    Регистрация
    24.01.2008
    Адрес
    Уфа
    Сообщений
    3,927
    Спасибо Благодарностей отдано 
    106
    Спасибо Благодарностей получено 
    291
    Поблагодарили
    217 сообщений
    Mentioned
    10 Post(s)
    Tagged
    0 Thread(s)

    По умолчанию

    Может это и не принципиально, но в Z80Card в адресах F000-FFFF страница (16Кб) номер 3, а у Орион-Про - номер 31. А есть ли программы, которые пишут через окно в область F000-FFFF? Вроде бы такой необходимости быть не должно... Я имею ввиду Z80Card.

  10. #79

    Регистрация
    14.08.2006
    Адрес
    Владимир
    Сообщений
    4,581
    Спасибо Благодарностей отдано 
    64
    Спасибо Благодарностей получено 
    112
    Поблагодарили
    97 сообщений
    Mentioned
    0 Post(s)
    Tagged
    0 Thread(s)

    По умолчанию

    Цитата Сообщение от b2m Посмотреть сообщение
    Может это и не принципиально, но в Z80Card в адресах F000-FFFF страница (16Кб) номер 3, а у Орион-Про - номер 31. А есть ли программы, которые пишут через окно в область F000-FFFF? Вроде бы такой необходимости быть не должно... Я имею ввиду Z80Card.
    Трудно сказать. Раз такая возможность есть, то могут и быть, но думаю что не очень много (а скорее всего мало). Что вроде было - это в Балдинской Альтаир-ДОС 1.06 в области под ПЗУ F800 через диспетчер 16к использовались какие-то буфера. Но как оно записывалось туда диспетчером, так же оттуда и прочитывалось в окне диспетчера. Т.е. не важно в какой реально сегмент попадало: читалось оттуда куда попало.
    В этом смысле оно все равно при первом скидывании туда буферов, прибъет тамошний ОЗУшный "имитатор Монитора-2", а клавиатуру небось через п.п Монитора опрашивает. FullRAM из-за ПРОшного "имитатор Монитора-2 в ОЗУ" получатся больше для игр ZX - у них свои драйверы опроса клавиатур, мимо Монитора. А другие туда и не лазили тащемто.

    А вообще, не совсем понятно нафига в Орионе-ПРО в версии 3.х унесли дефолтную страницу с 0 (как было в в версиях 2.х) на F. Экран на 512 точек (16к) c 0C000h что-ли использовать хотели? Трех то экранов мало.
    В-общем, все выглядит так, что занимались аппаратным перфекционизмом не очень представляя как это будут использовать программисты.

    Кстати, если без изменения схемы/разводки_пп заменить D6, D12 с КП12 на КП2, то дефолтный сегмент вернется с F на 0. Так что, панельки рулят.
    Последний раз редактировалось Error404; 09.02.2016 в 19:33.
    Лучше сделать и жалеть, чем не сделать и жалеть.

    Некоторые из моих поделок тут: https://github.com/serge-404

  11. #80

    Регистрация
    24.01.2008
    Адрес
    Уфа
    Сообщений
    3,927
    Спасибо Благодарностей отдано 
    106
    Спасибо Благодарностей получено 
    291
    Поблагодарили
    217 сообщений
    Mentioned
    10 Post(s)
    Tagged
    0 Thread(s)

    По умолчанию

    Цитата Сообщение от Error404 Посмотреть сообщение
    А вообще, не совсем понятно нафига в Орионе-ПРО в версии 3.х унесли дефолтную страницу с 0 (как было в в версиях 2.х) на F.
    Я так полагаю, чтобы монитор в режиме совместимости не болтался под ногами, а тихо мирно лежал в конце, где его никто не затрёт.

Страница 8 из 10 ПерваяПервая ... 45678910 ПоследняяПоследняя

Информация о теме

Пользователи, просматривающие эту тему

Эту тему просматривают: 1 (пользователей: 0 , гостей: 1)

Похожие темы

  1. Ответов: 302
    Последнее: 18.09.2023, 12:45
  2. ОРИОН 128-продам
    от Nordic в разделе Барахолка (архив)
    Ответов: 23
    Последнее: 23.03.2009, 07:54
  3. продам Орион-256
    от Иван Лебедев в разделе Барахолка (архив)
    Ответов: 14
    Последнее: 17.03.2009, 14:42
  4. Снова Орион
    от AlexBel в разделе Барахолка (архив)
    Ответов: 0
    Последнее: 26.09.2007, 10:06
  5. Орион-128
    от AlexBel в разделе Барахолка (архив)
    Ответов: 1
    Последнее: 25.09.2007, 20:40

Ваши права

  • Вы не можете создавать новые темы
  • Вы не можете отвечать в темах
  • Вы не можете прикреплять вложения
  • Вы не можете редактировать свои сообщения
  •