User Tag List

Страница 34 из 35 ПерваяПервая ... 303132333435 ПоследняяПоследняя
Показано с 331 по 340 из 341

Тема: Электроника 32 ВТЦ 201/202

  1. #331
    HardWareMan
    Гость

    По умолчанию

    Цитата Сообщение от Anzo Matrix Посмотреть сообщение
    Не "типа", а точно он. Теперь вопрос в том, может ли проблема быть с ним. Состояние указывает, что скорее да, чем нет, но насколько это критично, понять не могу. А в наличии они только там, где заказ от 1000 рублей и нет больше ничего нужного.
    Вложение 80584
    Вложение 80585
    Так может его просто зачистить от окислов и собрать обратно? Там ломаться то нечему, может только контакт нарушиться и всё.

  2. #331
    С любовью к вам, Yandex.Direct
    Размещение рекламы на форуме способствует его дальнейшему развитию

  3. #332

    Регистрация
    30.12.2018
    Адрес
    г. Москва
    Сообщений
    1,387
    Спасибо Благодарностей отдано 
    12
    Спасибо Благодарностей получено 
    387
    Поблагодарили
    348 сообщений
    Mentioned
    2 Post(s)
    Tagged
    0 Thread(s)

    По умолчанию

    Цитата Сообщение от HardWareMan Посмотреть сообщение
    Так может его просто зачистить от окислов и собрать обратно? Там ломаться то нечему, может только контакт нарушиться и всё.
    еще надо проверить не в обрыве ли петля размагничивания. от этого тоже будет резистор гореть.

    Зверинецъ

    Специалист (был когда-то "совсем стандарт") - 1988-2023
    Ленинград1 +256К +AY+BDI+VGA выход +Ethernet (Speccyboot) +Xmodem (115200)+divmmc
    Ленинград2 + CF карта
    Платформа 8085+Z80+CPLD (Специалист МХ2 +SD +FDD +PS/2kbd)
    БК0010-01 стоковый
    [свернуть]

    Этот пользователь поблагодарил Serg6845 за это полезное сообщение:


  4. #333

    Регистрация
    27.05.2007
    Адрес
    г. Москва
    Сообщений
    33
    Спасибо Благодарностей отдано 
    2
    Спасибо Благодарностей получено 
    1
    Поблагодарили
    1 сообщение
    Mentioned
    0 Post(s)
    Tagged
    0 Thread(s)

    По умолчанию

    HardWareMan, судя по изъеденным и исцарапанным таблеткам, они тоже деградировали. Особенно учитывая то, где моник простоял чуть ли не десятилетиями. Заменил на современный, всё хорошо.

    Serg6845, обрыва вроде как нет. Причём при первом вскрытии моника петля не была подключена.

    Этот пользователь поблагодарил Anzo Matrix за это полезное сообщение:


  5. #334

    Регистрация
    27.05.2007
    Адрес
    г. Москва
    Сообщений
    33
    Спасибо Благодарностей отдано 
    2
    Спасибо Благодарностей получено 
    1
    Поблагодарили
    1 сообщение
    Mentioned
    0 Post(s)
    Tagged
    0 Thread(s)

    По умолчанию

    И немножко не в тему.

    Картинка со Спектрума отличная. Картинка с УКНЦ - цвет есть, но картинка растянута до безобразия. Регулировок размера у моника нет. Соответственно вопросы:
    1) Какой вообще штатный цветной монитор у УКНЦ был, если не этот?
    2) Если этот, то проблема в компе или в монике? (два остальных УКНЦ показывают то же самое).
    3) Если этот и дело в монике, то где копать?
    4) Или тут просто смещение по горизонтали? Как это регулировать схемно и можно ли ограничиться заменой банок?

    Нажмите на изображение для увеличения. 

Название:	IMG_20240404_132740478.jpg 
Просмотров:	203 
Размер:	48.5 Кб 
ID:	80606
    Нажмите на изображение для увеличения. 

Название:	IMG_20240403_235411140.jpg 
Просмотров:	162 
Размер:	34.6 Кб 
ID:	80607
    Последний раз редактировалось Anzo Matrix; 04.04.2024 в 14:01.

  6. #335
    HardWareMan
    Гость

    По умолчанию

    Только изменением цепей в строчной развёртке. Мне приходилось ставить хороший такой балласт, прикрутив его к шасси:

    Вертикальные размеры регулируются легко.

  7. #336

    Регистрация
    27.05.2007
    Адрес
    г. Москва
    Сообщений
    33
    Спасибо Благодарностей отдано 
    2
    Спасибо Благодарностей получено 
    1
    Поблагодарили
    1 сообщение
    Mentioned
    0 Post(s)
    Tagged
    0 Thread(s)

    По умолчанию

    HardWareMan, таких есть у меня. А вот куда его другим концом цеплять?

  8. #337
    HardWareMan
    Гость

    По умолчанию

    Цитата Сообщение от Anzo Matrix Посмотреть сообщение
    HardWareMan, таких есть у меня. А вот куда его другим концом цеплять?
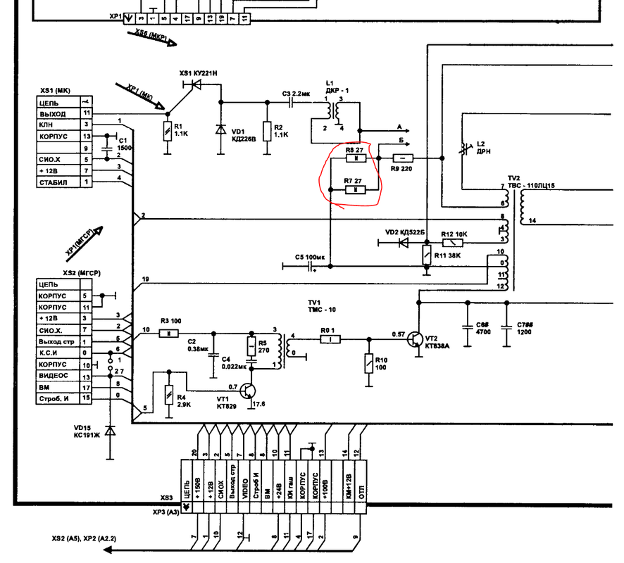
    Я уже не помню точно, но вроде как я заменил им вот эти 2 сопротивления в цепи питания строчной развёртке.

    Если правильно помню, ещё размер можно подрегулировать и конденсаторами в коллекторной цепи VT2, задающих параметры LC контура ТВС.

  9. #338

    Регистрация
    27.08.2019
    Адрес
    г. Ростов-на-Дону
    Сообщений
    1,034
    Спасибо Благодарностей отдано 
    467
    Спасибо Благодарностей получено 
    194
    Поблагодарили
    125 сообщений
    Mentioned
    1 Post(s)
    Tagged
    0 Thread(s)

    По умолчанию

    Доброго времени друзья! Недавно на меня пролилась милость, в виде 32ВТЦ-202 ! Монитор мне в целом нравится, и оказался почти полностью (а возможно и полностью) исправным. Понятно, что немного пришлось его покрутить, тем не менее, накрутить как хочется - не получается увы. Монитор подкоючен сейчас к ПЭВМ Агат 9. В целом, он и выпущен был именно под эту машину, и имеет 1 в 1 распиновку разьема, и работал этот монитор всю жизнь именно с Агатом.. Так вот, против знатоков играет electroscat из ростова на дону, внимание на монитор:




    на снимке изображение с дисплея...



    А на этом собственно обозначены обе проблемы, которые мне не сильно импонируют.
    1. Резистором R36 в можуле кадровой развертки я могу поднять изобрадение выше, то есть за пределы верхнего края монитора, сократив X1 и увеличив Х2.. А вот опустить изображение ниже не получается, вот тут на экране R36 выкручен до предела, и ниже не получается.
    2. НА Ч.Б. изображении видно хорошо, ровные вертикальные линии в зависимости от наличия или отсутствия светлых горизонтальных линий могут отклонятся от своего места достаточно сильно...

    Внимание вопрос: Можно ли исправить эти моменты, и как это сделать, ну или хотя бы направление опишите пожалуйста.. Аналоговые мониторы для меня сложноваты, я как то телики делал. но с этого моментв лет 20 прошло, уже как бы теоретически понимаю, а вот конкретные моменты схемотехники не помню.

    P/S Электролиты хотел поменять, выпаял буквально три штуки на 10 мкф 83 вольта, и афигел... Кто то говорит что емкости советские быстро сохнут... Так вот, я сравнил эти конденсаторы с современными китайскими, и увидел, что ESR +\- одинаковый, немного даже лучше в сторону советских конденсаторов, а вот емкость у китайских процентов на 15-20 меньше, советские 8,5 мкф в среднем, а китайские 6,5 мкф, то есть разница разительная и китайские по хуже будут.. В итоге, три которые выпаял поставил полимерные, более менее нормальные, а остальные просто пробежался ESR метром не выпаивая, и в целом получил хороший результат. Трогать не стал. (проверял только в модуле кадровой развертки )... Допускаю, что погут быть проблемы в блоке питания... Но пока до него не добрался.

    Заранее благодарен за ваши подсказки, направления и предложения !!!
    Сейчас в коллекции:
    Вектор 06Ц.01(Минск, Волжский, Астрахань, Киров) x4, Вектор 06Ц.02(Кишенев), Электроника 0511 УКНЦ (СЭМЗ) X2, Электроника 0511 УКНЦ (КВАНТ), Агат 7, Агат 9, Поиск-1.03 (VGA), Поиск-1.03 (CGA сток), Электроника БК-0011(10,11M) [3IN1], Электроника БК-0010-01, Львов ПЛ-01, Корвет ПК8010, Партнер 01.01, Спектр-001, БАЙТ(БПО_СВТ), Волна 48, Ленинград 48, Веста ИК-30, Веста ИК-31, БПК Дельта-Микро, Компакт 256(новодел),
    и ... AMD K6-300, Pentium 200 mmx, 386SX-16 ...

  10. #339
    HardWareMan
    Гость

    По умолчанию

    electroscat, ёмкость бывает с запасом (например, указано 50мкф а показывает 65мкф) а вот эквивалентное сопротивление не соответствует даже 16мкф. А для электролита это важно.

  11. #340

    Регистрация
    27.08.2019
    Адрес
    г. Ростов-на-Дону
    Сообщений
    1,034
    Спасибо Благодарностей отдано 
    467
    Спасибо Благодарностей получено 
    194
    Поблагодарили
    125 сообщений
    Mentioned
    1 Post(s)
    Tagged
    0 Thread(s)

    По умолчанию

    Цитата Сообщение от HardWareMan Посмотреть сообщение
    electroscat, ёмкость бывает с запасом (например, указано 50мкф а показывает 65мкф) а вот эквивалентное сопротивление не соответствует даже 16мкф. А для электролита это важно.
    Рекомендуете поменять все электролиты ?
    Сейчас в коллекции:
    Вектор 06Ц.01(Минск, Волжский, Астрахань, Киров) x4, Вектор 06Ц.02(Кишенев), Электроника 0511 УКНЦ (СЭМЗ) X2, Электроника 0511 УКНЦ (КВАНТ), Агат 7, Агат 9, Поиск-1.03 (VGA), Поиск-1.03 (CGA сток), Электроника БК-0011(10,11M) [3IN1], Электроника БК-0010-01, Львов ПЛ-01, Корвет ПК8010, Партнер 01.01, Спектр-001, БАЙТ(БПО_СВТ), Волна 48, Ленинград 48, Веста ИК-30, Веста ИК-31, БПК Дельта-Микро, Компакт 256(новодел),
    и ... AMD K6-300, Pentium 200 mmx, 386SX-16 ...

Страница 34 из 35 ПерваяПервая ... 303132333435 ПоследняяПоследняя

Информация о теме

Пользователи, просматривающие эту тему

Эту тему просматривают: 1 (пользователей: 0 , гостей: 1)

Похожие темы

  1. Электроника 32 ВТЦ
    от spleen в разделе Изображение
    Ответов: 10
    Последнее: 05.10.2009, 18:06
  2. Электроника 32 ВТЦ 202
    от Addison в разделе Разный софт
    Ответов: 11
    Последнее: 29.04.2009, 11:46
  3. Электроника ВТЦ-202
    от Addison в разделе Барахолка (архив)
    Ответов: 44
    Последнее: 02.04.2009, 07:29
  4. Электроника ВИ 202
    от ch41ns4w в разделе Несортированное железо
    Ответов: 5
    Последнее: 04.01.2007, 20:26

Ваши права

  • Вы не можете создавать новые темы
  • Вы не можете отвечать в темах
  • Вы не можете прикреплять вложения
  • Вы не можете редактировать свои сообщения
  •