Вложений: 1
Подключение Pseudo TR-DOS к Ленинград 128к
Пытаюсь подключить Pseudo TR-DOS TR-DOS к Ленинграду, расширенному до 128к.
Схему взял тут http://sblive.narod.ru/ZX-Spectrum/P...eudoTR-DOS.htm
Вторая версия с поддержкой GLUK.
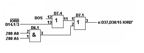
Блокировку портов сделал по такой схеме:
Вложение 55015
Записал ПЗУ. GLUK,TR-DOS,BASIC128,BASIC48. Сигнал ROM на 27 ноге ПЗУ, сигнал /TR-DOS на первой. Сигнал TR-DOS блокирует порты.
При включении запускается меню 128к. При выборе пункта TR-DOS серый экран. Сигналы /TR-DOS и TR-DOS в этот момент инвертируются.
При ресете на экране появляется мусор смутно напоминающий GLUK.
Если зашить ПЗУ GLUK,BASIC48,GLUK,BASIC48, то по по включению и по ресету запускается GLUK, из программ выход в Глюк по ресету работает исправно.
Отсюда вопросы:
Что я делаю неправильно?
Как вообще программы типа TR-DOS и GLUK должны обращаться к ROM48? Как я понимаю они активно используют куски кода из него, но ROM48 расположен во второй половине ПЗУ, а сигналом /TR-DOS в этот момент подключена первая половина.
Какой TR-DOS подойдёт для проверки PseudoTR-DOS контроллера? Запустится любая версия или нужны особенные (типа версий для рам диска и работы с DNA).
Может я ерундой маюсь и некорректно ставлю вопросы, но очень хочется разобраться и запустить.
Наверное тему правильней было сделать в разделе железа, перенесите если возможно.