Вложений: 1
Локальная сеть для "Микроши"
На странице http://home.onego.ru/~bav9/93.html, рядом с загадочным "ГРАФИЧЕСКИМ РЕДАКТОРОМ V2.0", есть описание "ПРОГРАММЫ ДЛЯ РАБОТЫ В ЛОКАЛЬНОЙ СЕТИ".
Код:
----- ДРАЙВЕР ЦЕНТРАЛЬНОЙ МАШИНЫ ЛОКАЛЬНОЙ СЕТИ -----
ПРОГРАММА СОСТАВЛЕНА В МАШИННЫХ КОДАХ, ЗАГРУЗКА - "I".
ПРЕДНАЗНАЧЕНА ДЛЯ ОБМЕНА ДАННЫМИ МЕЖДУ ПЭВМ "МИКРОША"
ПО ЛИНИЯМ СВЯЗИ ЧЕРЕЗ ПОСЛЕДОВАТЕЛЬНЫЙ ИНТЕРФЕЙС. ПОЗВОЛЯЕТ
ПОДДЕРЖИВАТЬ СВЯЗЬ ОДНОЙ ЦМ И 31 ПМ. ЛОКАЛЬНАЯ СЕТЬ ПОЗВОЛЯ-
ЕТ ПЕРЕДАВАТЬ СЛЕДУЮЩИЕ ВИДЫ ДАННЫХ :
- СООБЩЕНИЯ ОПЕРАТОРУ
- БЛОКИ ДАННЫХ ИЗ ПАМЯТИ ПЭВМ.
ОПЕРАТОР ЦМ МОЖЕТ ИНИЦИИРОВАТЬ ВЫПОЛНЕНИЕ ПРОГРАММЫ, НАХО-
ДЯЩЕЙСЯ В ВИДЕ КОДОВ В ПАМЯТИ ОДНОЙ ИЗ ПМ.
СУЩЕСТВУЕТ ДВА ВНУТРЕННИХ ФОРМАТА ПЕРЕДАЧИ ДАННЫХ :
- КОРОТКИЙ :
N,F,CNT,D0,...,DN, ГДЕ N - НОМЕР МАШИНЫ, F - КОД ФУН-
КЦИИ, CNT - ЧИСЛО ПЕРЕДАВАЕМЫХ БАЙТОВ,D0,...,DN - БАЙТЫ.
- ДЛИННЫЙ :
N,F,ADRL,ADRH,CNTL,CNTH,D0,...,DN,SUM, ГДЕ N,F - АНАЛО-
ГИЧНО, ADRL,ADRH - МЛАДШИЙ И СТАРШИЙ БАЙТЫ АДРЕСА
НАЧАЛА БЛОКА ДАННЫХ, CNTL,CNTH - БАЙТЫ ДЛИНЫ ПОЛЯ
ДАННЫХ,D0,...DN - ДАННЫЕ (ДО 64 КБАЙТ), SUM - КОНТРОЛЬ-
НАЯ СУММА.
----- РУКОВОДСТВО -----
ПРИ ПОДГОТОВКЕ К РАБОТЕ ВЫПОЛНИТЬ СЛЕДУЮЩИЕ ОПЕРАЦИИ :
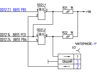
1. СОЕДИНИТЬ ПЭВМ МЕЖДУ СОБОЙ ЧЕРЕЗ РАЗ'ЕМ ИНТЕРФЕЙС-1.
2. ВКЛЮЧИТЬ БЛОКИ ПИТАНИЯ.
3. ЗАГРУЗИТЬ В ЦМ ДРАЙВЕР ЦЕНТРАЛЬНОЙ МАШИНЫ.
4. ЗАГРУЗИТЬ В ПМ ДРАЙВЕР ПЕРЕФЕРИЙНОЙ МАШИНЫ.
5. ЗАПУСТИТЬ ПРОГРАММУ НА ЦМ - G6500.
НА ЭКРАНЕ ПОЯВИТЬСЯ ТАБЛИЦА, ГДЕ В ВЕРХНЕМ ОКНЕ - ПОЛЯ
ОШИБКИ, КОМАНД И ПОЧТЫ. В ПОЛЕ ОШИБКИ СООБЩЕНИЕ ПОЯВИТСЯ
В ТОМ СЛУЧАЕ, ЕСЛИ МАШИНА ОБНАРУЖИТ ОШИБКУ СИНТАКСИСА.
В ПОЛЕ ПОЧТЫ - СООБЩЕНИЕ И СООТВЕТСТВУЮЩИЙ ТЕКСТ.
В ТАБЛИЦЕ ИМЕЕТСЯ СПРАВОЧНОЕ ПОЛЕ И ПОЛЕ РАЗРЕШЕНИЯ ТРАН-
ЗИТА, ЕСЛИ "ТРАНЗИТ РАЗРЕШЕН" - ВОЗМОЖЕН ОБМЕН ДАННЫМИ
МЕЖДУ ПМ ЧЕРЕЗ ЦМ.
6. ЗАПУСТИТЬ ПРОГРАММЫ НА ПМ - G6500.
ПОСЛЕ ЭТОГО НА ЭКРАНЕ ПОЯВИТСЯ ТАКАЯ ЖЕ ТАБЛИЦА, КАК НА ЦМ.
ПОСЛЕ ВЫПОЛНЕНИЯ УКАЗАННЫХ ОПЕРАЦИЙ ЛОКАЛЬНАЯ СЕТЬ ГОТОВА
К РАБОТЕ.
Любопытно, что это была за сеть, как физически выглядела и вообще. Расковырять драйвер и понять, как велась работа через "ИНТЕРФЕЙС-1", несложно.
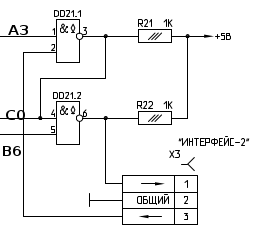
А это, собственно, весь "Интерфейс 2". Используются два элемента К155ЛА12 и линии A3, B6 и C0:
Вложение 61396