Добрый День. Платка расширения собрана, но нет в наличии ИД7. Ели я пока не буду ставить ИД7 и AY схема расширения памяти будет функционировать? Глядя на схему понимаю что должна, но хочется уточнить.
Вид для печати
Добрый День. Платка расширения собрана, но нет в наличии ИД7. Ели я пока не буду ставить ИД7 и AY схема расширения памяти будет функционировать? Глядя на схему понимаю что должна, но хочется уточнить.
Засада.....
Что бы не создавать тему.... Дособрал плату расширения, подпаял. И вот что получается при включении:
https://youtu.be/lv5ml2-pEIo
ПЗУ пока осталось 48к (romcs с не подпаян). Ру5 исправны, проверял после пайки бутербродов.
Поправил доступ к видео.
- - - Добавлено - - -
Эту проблему решил- косяки с питанием.
Но дальше вот:https://b.radikal.ru/b31/1805/e4/41a376a6451a.jpg
- - - Добавлено - - -
15 раз всё перепроверил....ТМ9 на расширении сменил...... Как победить ?
Наличие импульсов на 9 ноге ТМ9 проверить смогу теперь только в понедельник (плата на работе,выходные :v2_dizzy_vodka:). IORQ и M1 подключены, да в принципе все линии на ИД7 подпаяны. Не использую пока только ROMCS.
На 9 ноге ТМ9 нет импульсов,постоянно высокий уровень, как и на 14 ноге ИД7 :v2_dizzy_tired2:
- - - Добавлено - - -
На входах IORQ и WR ид7 проскакивают редкие импульсы в течении примерно 1 сек. после нажатия кнопки сброса, а потом высокий уровень постоянно.
- - - Добавлено - - -
Отключил на ид7 ноги 14, 12, 7 от схемы дабы исключить влияние подключенного к ним. Результат такой же - постоянный высокий уровень, микросхема исправна 100%.
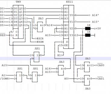
Всё достала меня эта процедура......Попробую вот эту схему....Вложение 65358