Помогите разобраться со схемой включения и самого контроллера НГМД
Всем привет! Ищутся знатоки железа спека. Имеется клон спека собранный в корпусе от ВЕСТА ПК8000(поздний выпуск Сигнала). Этот комп подаёт признаки жизни в виде матраца(благодаря собранной на макетке схемы управления буфером ШД). Очень хочется довести этот комп до ума. Вот схема срисованная мной с платы: https://drive.google.com/open?id=1Vh...OCvYB6WJg-RGWg
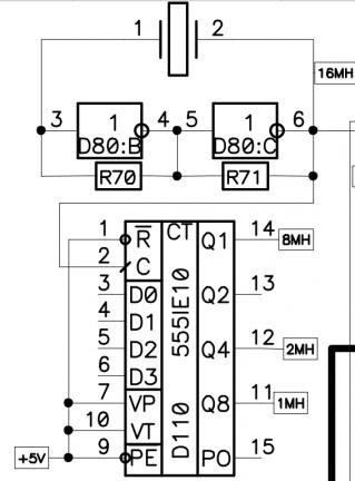
Прошу помощи в анализе схемы. В чём разобрался: если не ошибаюсь, микросхема ХЛ8(U20) выполняет какие-то функции контроллера НГМД и совместно с ИД7(U23) выполняет роль дешифратора(переключателя) портов, а так-же управляет буфером ШД АП6(U13) и триггерами U19. Так же большая часть логики контроллера НГМД понятна, т.е. где узел чтения, записи, управления приводом и т.д. исходя из найденной мной кучи литературы и схем разных контроллеров.
Вопросы такие: не могу понять для чего нужны элементы U35.1 и U35.3, что за сигналы приходят с U23? Эти же сигналы идут на микросхему U20. Не понятно так же, какую функцию выполняют триггеры U19, которыми рулит ХЛ8(U20). Сама U20 у меня дохлая(была ещё до моего вмешательства). Так как это программируемая логическая микросхема, то думал, что разобравшись со схемотехникой и её логикой работы смогу её заменить на платку на дискретных элементах, так же как как сделал формирователь управляющего сигнала для U13(основываясь на схеме ВЕСТА ИК31). Изучаю потихоньку книжку по основам цифровой техники. В наличии есть следующие приборы: прогер TL866 и кучка 27с512, осциллограф, генератор, частотомер, логанализатор 16 канальный(почему-то на компе прога только 8 захватывает). Есть опыт в ремонте аналоговой радиотехники, в цифровой только реанимировал Весту ик30 и композит.
Прошу помощи в реанимации аппарата, редкий всё-таки... Если есть вопросы по сигналам, всё померяю, данные предоставлю, может вместе осилим реаниммацию этого чуда...
P.S. схема клавы тоже необычная, но там просто логикой организованы некоторые клавиши, а такк вроде к стандартному порту спека подключается...
Вот схема Весты ИК31, может кому пригодится:https://drive.google.com/open?id=1eh...OCGXhmw2CxHErt