Добрый день, форумчане.
Хочу развести платы дисковода NEMO-FDC, но сперва внести изменения:
1. Доработка на ЛЕ4 для совместимости с ZX_MC1/2.
2. Добавить поддержку 4 дисководов заменив ТМ8 на ТМ9, а также 2 элемента ЛА13 на ИД7 или ИД4.
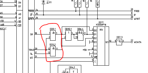
3. Где то на форуме читал, что неплохо было-бы использовать сигнал TR43.
По 2п. необходимо ли на сигналах SIDE, DS0...DS3 ставить буфер с открытым коллектором? или можно не ставить, чтоб с экономить один корпус.
По 3п. здесь вообще много различных схем:
Фото1Вложение 69112 Фото2Вложение 69113 Фото3Вложение 69114
На мой взгляд правильная схема на Фото1, на фото2 полная чушь, а на фото3 как то сильно урезана.
Что думаете?
Фото платы:
Вложение 74801Вложение 74802
Схема:Вложение 74895
Gerber файлы (исправленные):
Вложение 77935

