-
Вложений: 2
Atari 2600 - TIA UM6526
Всем привет.
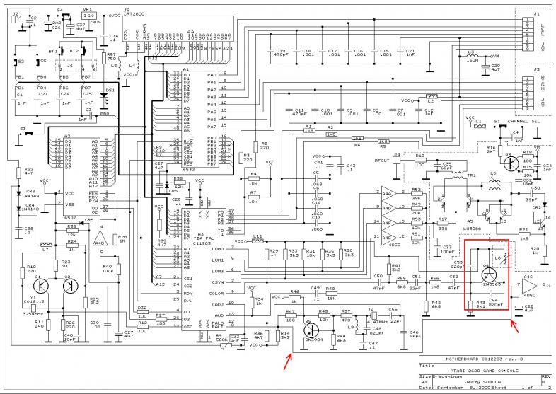
Ищу правильную, проверенную схему Atari 2600 PAL с использованием TIA UM6526 (комплект UM6526, UM6532, UM6507). В найденных схемах с C11903 непонятно использование выводов 12 (PALS) и 8 (PALI), да и другие участки схемы вызывают недоумение. Или я что-то не понимаю, или в схемах присутствуют ошибки. С сообщением пара файлов с найденными схемами, где красным цветом я отметил цепи и узлы непонятного для меня назначения.
Вложение 69894 Вложение 69893
Если у кого-нибудь есть правильная схема Atari 2600 PAL (UM6526, UM6532, UM6507) и/или даташит на UM6526 - поделитесь, пожалуйста.
-
Схемы странные и, похоже, в каждой свои собственные ошибки.
В схеме к Junior кусок, помеченный стрелочками, это явно косяк, нет смысла выход генератора PAL сажать на землю через конденсатор C20. Схема Schematic_Atari2600_Console_PAL_1.jpg в этой части выглядит более вменяемо.
На atariage.com есть вот такая тема, https://atariage.com/forums/topic/94...omment=1152195 с комментарием, как она работает. С выхода PALS должны идти некие импульсы для возбуждения кварца, а усиленные колебания подаются на вход PALI.
Я, правда, не понимаю, что это могут быть за импульсы. На мой взгляд, если генератор PAL работает в "прерывистом" режиме по каким-то внешним импульсам, то нормального цвета не видать. Есть подозрение, что транзистор Q203 - это просто "костыль". Возможно, в TIA сделали встроенный генератор, но он по каким-то причинам не работал достаточно стабильно, и тогда ему добавили усиления внешним транзистором.
Что касается куска в красном квадрате, то, как мне кажется, это генератор и модулятор звуковой поднесущей. Тут как раз схема к Junior выглядит более правдоподобно. Во всяком случае, видно, что промодулированный сигнал с него уходит :) Модуляция происходит подачей сигнала в эмиттер через C49, R48, а чтобы звуковая частота не лезла в видеосигнал, конденсатор C52 выбран маленькой ёмкости - 47 пФ. Но вот это соединение базы с источником питания - это опять какой-то косяк. Транзистор будет в насыщении и генерировать ничего не сможет. Там явно пару резисторов забыли. Правильно такой генератор нарисован здесь https://www.atariage.com/2600/archiv...lator_PAL.html (Q1).