Здравствуйте Знатоки БК!
Такой вопрос - сигнал ЦТВ разьема прямые, без инвертирования? Например как в "Вектор"? Кто то может поделиться верной распайкой на SCART с ЦТВ разьема БК? Буду очень признателен!!!! :v2_dizzy_step:
Вид для печати
Здравствуйте Знатоки БК!
Такой вопрос - сигнал ЦТВ разьема прямые, без инвертирования? Например как в "Вектор"? Кто то может поделиться верной распайкой на SCART с ЦТВ разьема БК? Буду очень признателен!!!! :v2_dizzy_step:
по инверсии не скажу вот рабочая схема, +5В можно взять с разъёма ТВ 1 контакт https://pic.maxiol.com/thumbs2/15826...bkrgbscart.png
Спасибо!
А на скарте есть контакт Яркость? Чтобы подключить туда Контур, клон Корвета.
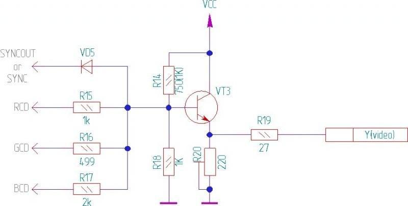
Товарищи инженеры, помогите, пожалуйста, рассчитать номиналы резисторов.
Есть схема подключения БК из разъёма ЦТВ в монохромный телевизор (композитный вход):
Вложение 71799
Уровень сигналов R, G, B на БК (без нагрузки) 3 В (в схеме БК все эти три сигнала подключены совершенно одинаково).
Уровень сигнала Sync на БК (без нагрузки) 2.5 В.
Уровень белого для композитного входа 1 В по стандарту (кстати, монохромный разъём ТВ у БК выдаёт 1.1 В).
Уровень чёрного 0.37 В.
Уровень гашения луча 0.3 В, но в БК не используется.
Синхроимпульс 0 В.
Импеданс входа телевизора 75 Ом по стандарту.
Вложение 71800
Цель - вывести 4 градации серого на монохромный монитор. Смешать красный, зелёный и синий в пропорциях 3:2:1.
Полагаю,
красный должен быть от 0.37 до 1 В,
зелёный от 0.37 до 0.8 В,
синий от 0.37 до 0.6 В.
Какие в этом случаи должны быть номиналы резисторов?
И можно, наверное, упростить схему?
Может быть такая Э3 для БК11/М ?
https://pic.maxiol.com/thumbs2/15841...31453174.4.jpg
В БК11/М цвета выходят с открытыми эмиттерами, им нужна некотрая нагрузка, иначе будут мылить.
Подстроечником выставить нормальный уровень черного ( в районе 0.5 в. ), и подобрать резисторы цветов.
Или даже можно поставить вместо них подстроечники.
http://zxpress.ru/chapters_images/vt...91-1(2)-22.jpg
"Вычислительная техника и её применение" 1991-1
А.М. Надежин - графические средства БК-0010.
http://zxpress.ru/book_articles.php?id=2392