Вложений: 6
Ленинград2 непонятки с изображением.
Привет всем.
Имеется Ленинград2 в процессе восстановления. В общем пациент скорее жив, чем мертв. Вроде бы все работает, но что то не так с изображением.
В начале, так как скарта в телевозоре нет, я подключал его к LCD телевизору с помощью кабеля с выхода Video и получал нормальную черно белую картинку, причем без укорачивания синхроипульса и привязки к уровню черного.
Сейчас приехал SCART to HDMI конвертер. Я укоротил синхроимпульс, подключил его через транзистор к выходу по этой схеме:
Вложение 73910
Синхроимпульс стал заветные 4.7 uSec.
Подключил, есть картинка, но сньюансом. Экран смещен вправо, относительно бордюра и есть цветные полосы на экране изменяющиеся в зависимости от цвета бордюра и происходящего на экране:
Вложение 73911
Я подума, что возможно полосы из за отсутствия привязки к черному, сначала сделал привязку по схеме:
Вложение 73912
Никакого эффекта, длинна гасящего импульса около 9 uSec.
Потом портировал привязку к черному из Ленингард1, оригинальная схема:
Вложение 73913
Полосы остались и появилась вертикальная полоса слева, вероятно слишком длинный импульс гашения и начало строки идет без цветового сигнала, длинна гасящего импульса около 13.3 uSec.
Пробовал играться сдлинной гасящего импульса в первой схеме, изменяя емкость конденсатора, выставил заветные 12 uSec и получил примерно тот же рзультат как со второй схемой.
Потом увидел, что мурзилки показывают, что перед синхроимпульсом уровень сигнала стоит на уровне черного, то есть в нашем случае гасящийимпульс должен вырабатываться перед синхро:
Вложение 73914
Задержал синхро на 1 uSec после гасыащего, результат нулевой.
Телевизор проверил, на экране компа то же самое.
Возможно это глюк конвертера, пока нет возможности проверить. Если ничего не поможет наверное сделаю ПАЛ конвертер и посмотрю как будет сним.
Пока несколько вопросов уважаемым форумчанам:
1. Если подключение к SCART по RGB требует синхру и три цвета, зачем на Ленинградах на коннектор выводили Video и три цвета.
2. Какова может быть причина смещения экрана в право относительно бордюра?
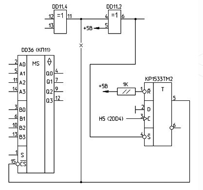
3. Зачем в схеме Ленингад2 используются инверторы на выходе, бафферы?:
Вложение 73915
У меня D46 не установлена вообще, вместо нее перемычки, а логика сохранена подав на D44 вместо +5в, землю - работает как инверсия.
Компютер собран не мной и предполагаю, что так и работал.
4. Кто, что думает насчет цветных полос?