Вложений: 2
Руководство по настройке и ремонту Пентагон 128 (восстановление)
В смежной теме занимаюсь восстановлением Пентагон 128. Чтобы освежить принципы работы и способы ремонта решил конвертировать бумажную документацию в электронный вид. С возможностью поиска и блэкджеком :)
Начинания по восстановлению документа я выкладывал в той же теме. Там же поступили предложения от специалистов по корректировке документации, чтобы она отражала более точную информацию. На текущий момент завершен перенос текста в электронный вид:
Вложение 77017
Теперь можно вносить изменения/исправления, если таковые будут.
Осциллограммы и схемы там были "упоротые", поэтому добавлять не стал. Возможно, если восстановлю свой пентагон, сделаю осциллограммы со своего осцила, посредством сохранения экрана.
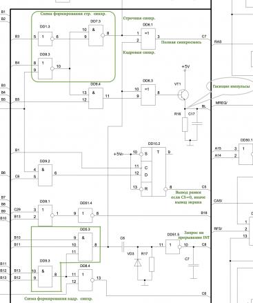
Схема Пентагона 128 очень обалденная у mick. Туда начал добавлять, подписи, какая нога за что отвечает и выделять функциональные блоки, чтобы не вспоминать что где по началу. Вот небольшой кусочек:
Вложение 76916
Не знаю, возможно это и не надо. Но как мне кажется для только входящих в тему Спектрума это была бы помощь на первое время.
2022-02-15 Обновлена версия документа. После частичной вычитки, внесены исправления в документацию.