Дружить будет. У меня с такой штукой работает "Орион-Про".
Вид для печати
как я понимаю ОРИОН подключается к ней также как и через "СКАРТ" : RGB, syng, I
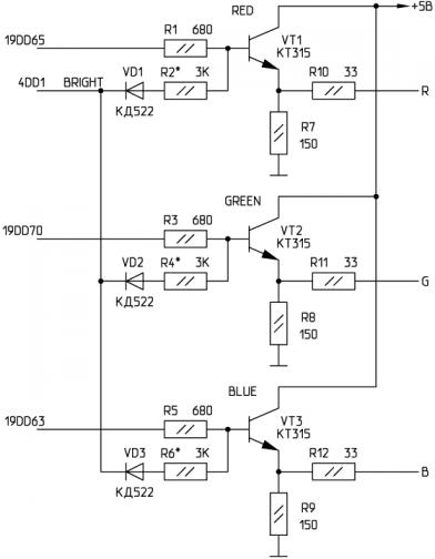
Понятно , но это поправимо можно спаять схемку что бы подмешать канал яркости...Вложение 54918
http://zxbyte.ru/byte_connection_to_svga_monitors.htm
Да очень не плохо....!
- - - Добавлено - - -
Да если корпус взять больше размерами, или склеить самому то контроллер дисковода можно установить и вертикально параллельно стенке корпуса например, плата неплохо продумана, можно соединять при мощи СНП,перпендикулярно основной плате, можно бутербродом, можно и СНП впаять в основную плату для экзотики как я сделал а дополнительный блок ОЗУ и конроллер дисковода поставить через меж платные соединители штырькового типа воообщем есть варианты
,
- - - Добавлено - - -
Да если корпус взять больше размерами, или склеить самому то контроллер дисковода можно установить и вертикально параллельно стенке корпуса например, плата неплохо продумана, можно соединять при мощи СНП,перпендикулярно основной плате, можно бутербродом, можно и СНП впаять в основную плату для экзотики как я сделал а дополнительный блок ОЗУ и конроллер дисковода поставить через меж платные соединители штырькового типа воообщем есть варианты
,
Корпус дичайше красивый! Смотря на эти картинки, слюни текут непереставая ))
Предпринял еще одну попытку прикрутить ПАЛ-кодер.
После долгих плясок с бубном увидел цвет.
Но - странный, оттенки другие, и цвет какой-то черезстрочный.
Посмотрел в информации тюнера - он определил видеосигнал как NTSC 443. Вот ведь япономама... :)
Еще помучил маленько кодер, потом плюнул и убрал его. Вернулся к ч/б.
- - - Добавлено - - -
2 Error404 - вроде как разгреб грабли вокруг N8VEM.
нашел старенькую sd-карточку. Образ винта на нее записался раза в два быстрей, чем на предыдущую китайскую. И с этой картой началась стабильная работа в MBOOT. Дело в скорости? Где-то в драйвере не хватает мааааленькой задержки, отсюда и тараканы расползаются? :)
От скорости может зависеть. Для SPI sd-карт регламентированы какие-то скорости, а на Орионе где все реализуется программно, выдерживать скорости - не стоит выделки, все равно все поплывет на разных частотах CPU. Думаю, большинство карт работает в широком диапазоне скорости передачи данных, но какие-то могут и не запуститься. Собственно, и на варианте с ПЛИС и N8VEM это было змечено - не все карты работали с одной и той же прогой. Но большая часть работала.Цитата:
Сообщение от Ewgeny7;842139
2 [B