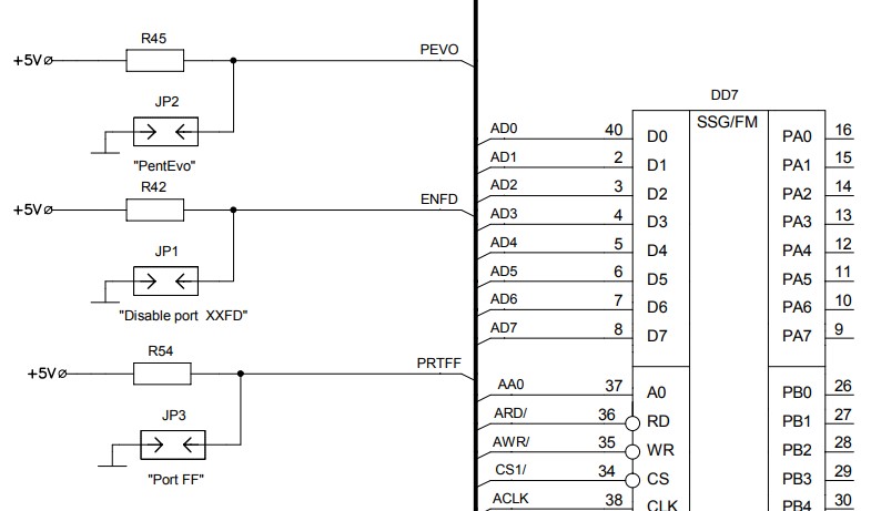
Возник вопрос - насколько реализация турбосаунда в карточе совпадает с реализацией в Унриле вообще и при работе на Эве в частности (нужный джампер установлен)?
Проблема в играх на Dizzy SE - после начала игры что-то серет во второй чип и фоном пищит звук/шум. В унриле таких проблем нет.
https://zx-pk.ru/threads/32390-ghast...77#post1103677
https://zx-pk.ru/entries/320-dizzy-s...ine-reliz.html
----------------------
Почитал тему http://forum.nedopc.com/viewtopic.php?t=671&start=10
попробовал перед запуском игры сделать в бейсике OUT 65533,255.
Посторонний шум пропал, всё играет чудесно. Так что надо или в загрузчике строку вставлять, или в движке патчить.

