ПЗУ в Ленинграде работает нормально.
Вид для печати
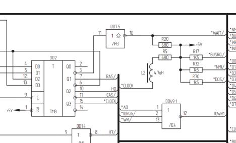
Я думаю, что проблема в том, что вы не установили микросхему D7, т.к. она участвует в формировании сигнала WAITВложение 82824
Я ее снял, потому что с этой микросхемой действительно были проблемы и WAIT не формировался. Без нее WAIT взял с прямого выхода триггера DD2-2, как это сделано в Ленинграде. Там сейчас высокий уровень, и проскакивают короткие импульсы. По идее, со снятой DD7 там бы тоже был высокий уровень, и процессор должен был бы работать. Да и непонятно, как WAIT может влиять на отдельные линии ШД.
Так или иначе заказал на ее место 74LS06. Что-то в последнее время смущает качество старых советских микросхем.
Есть у меня на плате еще нестандартное решение, на месте регистра DD39 стоит серия HCT. ТТЛ-серии были как-то дороговаты, и после консультации с чат-ботом решил, что должно работать. В принципе, функцию свою выполняет, нужная картинка появилась. Но может из-за этого сигналы съехали...
Уточните, какого типа ставите микросхему ПЗУ?
а, ну тогда все правильно - матрас и будет. 2764 при нуле на 27 ноге отключается как при 1 на /CS или /OE (недокументированная фича, которая в первом Ленинграде используется для выборки ПЗУ, сэкономили один инвертор). а здесь по схеме из первого сообщения на 27 ноге после сброса как раз 0. равносильно тому что ПЗУ вообще нету. если хочется запустить именно 2764 - надо ее 27 ногу на +5В повесить.