Если я правильно помню там еще две области памяти выделены под окна и в 10h для этого задействованы два старших бита.
Вид для печати
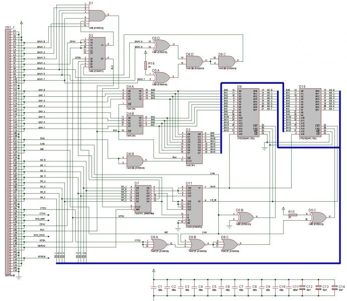
В прошедшие выходные посмотрел в инете доступность в продаже микросхем памяти, и оказалось, что те, которые я планировал вначале можно либо купить в китае либо задёшево б/у с ~10% вероятностью брака, либо дороже, чем в России (в том же "Чипе и Дипе") аналогичные, но с ёмкостью в два раза больше... В общем, на этой волне перерисовал схему:
Схемка
Изменения:
- заменил микросхемы памяти на другие, что позволило избавится от дешифратора.
- откатил назад схему генерации сигнала БЛК.
- управление памятью сделал по CE, как рекомендовал Syntal.
- исправил некоторые ошибки, добавил новые... :)
OE постоянно на землю не прокатит - забьешь шину данных.
Хотя может и прокатит, но мне кажется Вы ориентируетесь только на таблицу истинности режимов работы SRAM в даташите. Нужно еще учитывать временные характеристики подачи сигналов. Везде в даташитах указано, что сперва должен поступать CE, а потом OE. Что будет при обратном поступлении сигналов не указано. Возможно все будет и нормально, а может и сбоить в одном из тысячи случаев, замучаетесь искать потом.
Не уверен... Смотрим страницу 8 даташита на память, первый график там -- цикл записи с управлением по WE, и внизу примечание №6 к нему: "OE is continuously low", т.е. при записи этот вывод постоянно на нуле. И в том же даташите на циклах чтения при управлении по СЕ (см. "Read Cycle 2" и "Read Cycle 3") тоже указано в примечании №4: "OE = Vil", так что, думаю, работать должно...
- - - Добавлено - - -
Дополнение к дополнению... :)
Указано -- см. те же графики с управлением по СЕ.
Как обычно, "Бесплатная доставка новое поступление крутые бинты удовлетворитель женщин" :D
Да... И пока я склоняюсь к тому, что при близкой стоимости мегабитная память всё-таки будет удобнее в применении на квази-диске, чем 512-килобитная. Ещё лучше подошла бы двухмегабитная (256к*8), тогда хватило бы одного чипа, и с мультиплексора две линии просто можно было подавать на старшие адресные, но найти такую память сложнее.Цитата:
Сколько выбранная память в "Чип и Дип" стоит, 230руб. за штуку?
Судя по комментариям -- да, это б/у, хотя продавец об этом не пишет... Есть ещё вариант на али -- искать по lp621024, примерно по 600 руб./10 шт., но там тип корпуса несколько другой... А вот на ебее с нужными корпусами есть, но доставка дорогая.Цитата:
Была ссылка на али, там около 380р за 10 штук, или это они и есть б/у ?
На али бывают 512Kx8 регулярно, но на али _очень_ тупой поиск.
Например, https://www.aliexpress.com/item/Free...006372306.html
Недёшево, зато один чип, а не кучка.
И это статика, можно с регенерацией не заморачиваться. И она - low power, то есть можно и о батареечке подумать (хотя зачем - непонятно ;-) )
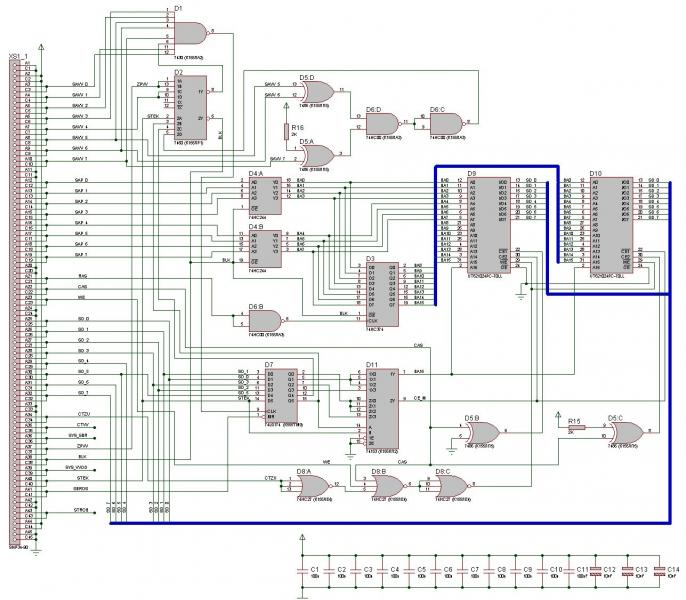
Обнаружил досадную ошибку в схеме... Я рисовал её на основе схемы из журнала "Радиолюбитель", а там, как оказалось, опечатка -- на триггеры был заведён сигнал "СТЕК" вместо "ШД4". Соответственно, все предыдущие мои варианты имеют эту ошибку. Исправленная схема:
Вложение 65823
И архив: Вложение 65824
Чет не могу найти внятных характеристик РУ-шек применяемых в Векторе и Квазидиске...
Мне интересно, сопоставимо ли быстродействие микросхем статики и РУ-шек?
Не будет ли конфликтов на этой почве...