Ага. Самый простой вариант напаять резисторы. Скажите какого номинала и куда. Одной стороной к +5 а другой на три выхода лн5 Р Г и Б? Только три резистора? Какие шесть?
Вид для печати
Ага. Самый простой вариант напаять резисторы. Скажите какого номинала и куда. Одной стороной к +5 а другой на три выхода лн5 Р Г и Б? Только три резистора? Какие шесть?
Да ну, прямо все? ;) Рекомендую к чтению весь этот пост и соседние с ним:
https://zx-pk.ru/threads/27856-orbit...l=1#post919504
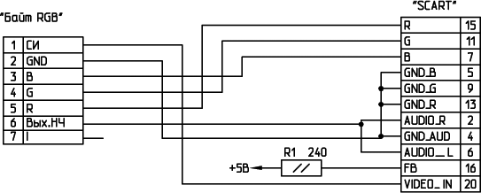
В этом посте есть ссылка на статью, с аналогичной схемой для SCART: http://zxbyte.ru/?id=58
Вложение 67377
Для сравнения:
Только слева пины вместо Байта, сопоставить по названиям с разъемом Корвета по схеме из поста:
Ну и с Интенсивностью (Яркостным сигналом), скорее всего придется повозиться, если нужны градации (в статье есть примеры схем).
Для тестов пригодится:
Так же может быть проблема с полярностью синхроимпульсов, вот цитата из того же поста на тему:
И еще, как вариант, попробовать:
Спасибо всем за участие. В итоге поменял лн5 на лн1 и все начало показывать. Но наверно это ещё не всё, надо прогу с магнитофона загрузить и проверить. Но вообще то цвет есть. Просто вся эта информация разбросана по куче тем в виде отдельных советов, лучше когда все вместе, так проще для начинающих. Ещё раз спасибо всем, дальше пока сам.
Ещё помогите срочно! Уже неделю не могу загрузить тест цвета, вав файл от которого выложен выше. Загрузка просто не идёт, ввожу команду, и ждёт загрузки, но ничего! И громкость менял, и контакты разъема, ничего не помогает. Масса на 2, вход на 4. Сейчас так распаяно, как по схеме и не реагирует. В чем дело?
Команду правильно вводите?
На всякий случай: LOAD "CAS:FILNAM" или просто LOAD "CAS:" для загрузки первого встречного.
Там амплитуда маленькая. Надо бы сначала в звуковом редакторе увеличить громкость до максимума, а это раз в шесть. И потом при воспроизведении громкость на максимум. Здесь перегрузка не повредит, а наоборот будет на пользу. На чём воспроизводите? Эквалайзер, звуковые эффекты какие не включены? У меня на ноуте была включена какая-то обстановка (пещера, ванная комната и т.п.), из-за этого на Корвете не грузилось.
Со смартфона громкость и на мин ставил и на Макс. Файл не менял, такой как выложили, так и воспроизводил. Ну хоть бы какая реакция, ну бордюр мигал или хоть что-то, но нет, как мертвый. На мсхе помню на Макс громкости уверенно грузился, а тут простейшее действие вводит в ступор.
Проверил на своём. У меня всё нормально грузится. Уровень - как есть. С ноутбука через Winamp.
На всякий случай попробуйте нормализованный файл (с максимальным уровнем). Не пойдёт - попробуйте воспроизвести на другом устройстве. Так же, можно проверить на запись: набрать простенькую программу, хоть на одну строчку, и вывести на магнитофон. Будет ли звук на выходе.
Попробуйте загрузить на эмуляторе этот wav файл, чтобы понять как Корвет вообще отображает загрузку (звёздочками). Загрузку с магнитафона поддерживает эмулятор b2m (emu):
Про синтаксис команд загрузки можно почитать здесь : https://zx-pk.ru/threads/15147-korve...l=1#post967499
Утилита для конвертирования из basic в wave и обратно живёт здесь: https://zx-pk.ru/threads/29539-utili...l=1#post979354
Потом, как вариант, прозвонить разъём аудио, нет ли обрыва по пути к плате, а заодно и распайку проверить. Если что у Корвета своя распайка, нестанлартная, читайте djvu файлик Тех Описания - выше давал на него ссылку.
Подключил Корвет к телевизору "Сокол". Использовал адаптер для Суры ПК8000. Изображение негативное.
Вложение 72436
Эта же картинка на ч/б мониторе:
Вложение 72437
В Корвете стоит ЛН5. Резисторы я не ставил, но в адаптере на входе стоит К155ЛН1, по идее, она должна подтягивать сигналы к логической единице. Теперь непонятно, требуется ли для Корвета инверсия, как для Суры, или нет? Или негатив из-за ЛН5?
Я думаю, что менять ЛН5 на ЛН1 - слишком опрометчиво. Телевизору не сплохеет? Ведь на входы телевизора пойдёт сигнал амплитудой 5 В. У Спектрума выход "зарезистирован", а тут всё напрямую. Значит, ЛН5 с открытым коллектором стоит не просто так. В модуле цветности МЦ-31 между входами RGB и землёй стоят резисторы 75 Ом. Если подавать 5 В, потечет ток 66 мА. То есть, если поставить ЛН1, пойдут десятки мА с каждого выхода. Тут как бы этой ЛН1 не сплохело...