это кто-то из наших соотечественников (подозреваю что из Н-ка) завалил WoS кастрированными TRD
(образ не целого диска, а только нужные файлы).
некоторым эмулям/утилитам это не-нравится.
Вид для печати
Спасибо. Но полюбому остаётся вопрос, как более удобнее работать с файлами в итоге записывая их на реальную дискету?
P.S. И почему у некоторых образов имеется файл boot у других нет, хотя запуская их физически там есть boot?
Я вот этой штуковищей http://vtrdos.ru/pcutilz/SN_114.ZIP
пользовался раньше, но он на современных системах с реальными дисками не работает. А писать можно той же ZX Disk Studio, только надо образ добить нолями до корректного размера. Или сразу в SN создавать корректный образ на 80 дорожек.
Запускаю на unreal. Содержание смотрел в ZXDStudio, просмотр каталога - boot есть не всегда. Запускаю образ в unreal, list показывает файлы - boot есть..., может и сам анрил добавляет...
Вот нашёл интересный набор плагинов theX для Far manager http://thex.untergrund.net/real/. Теперь можно в командере делать практически всё с hobeta файлами и образами, кроме как понимаю запись на физический диск. Через драйвер fdrawcmd можно читать, форматировать реальные дискеты...
Вот бы плагин который умел бы ещё и записывать... :rolleyes:
- - - Updated - - -
Так, запустил я тест дисковода - всё работает кроме запись.
Ставил форматировать дискету, долго крутил диск потом выкинул trk00,sec01... Во время попытки форматировать, сигнал с 10нDD96 не поступил, но тем не менее попытка данные попортила, на пк уже не читается.
- - - Updated - - -
Правильно ли понимаю что если неработает форматирование - что я воспринимаю как запись, но остальное всё работает, то проблема только с сигналами WRD и WRG, так?!
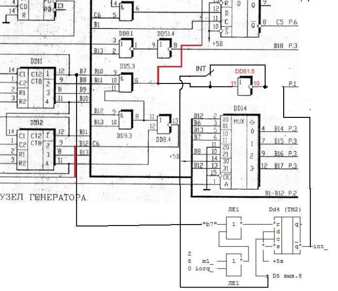
Т.к. похоже неисправна DD96 и пока она придёт, можно заняться вопросом INT.
************************
Много что прочитал, но до конца всё не понял.
* Значит, как я понимаю разница между пентагоном и спектрумом заключается в разнице циклов INT, у пентагона 71680, а у спектрума 69888.
* Схемы по переключению INT для пентагона на фирменный INT, меняют это количество циклов.., так?
* Но как обстоит дело с длительностью сигнала? - Читал что он должен бить около 9мс - типа 28-32 такта.
* У моего пентагона тест v4.3 и tacts, количество циклов показывает 71680, что как понимаю - норма
* Но, длинна INTa у меня сильно завышена, и не понимаю как, и где в схеме она регулируется.
* Также непонятно, должна ли длинна INT быть всегда одинаковой в режимах 71680/69888
Теперь хочу разобраться с длинной сигнала и потом уже думать про переключатель режимов.
Помогите пожалуйста разобраться.
регулируется она с помощью rc-цепочки C6-R17, проверь номиналы по схеме и попробуй подобрать. обычно конденсатором подбирают приблизительное значение, а резистором (т.к. ряд поболее будет) точно подстраивают. Также по схеме стоит проверить номинал конденсатора С7.
- - - Добавлено - - -
зачем нужен переключатель режимов? всё равно не так просто сделать поддержку фирменного спека, хотя бы потому, что в нем есть еще медленная память, а в пенте нет. еще 312 строк изображения против 320 пента. огород того не стоит.
Ну ради спорта - псевдо_имитацию можно пробовать внедрить... Не в этом суть - сделать идеал. Покрайнее мере, чему то научусь и радости больше...
P.S. И ещё, забегая в перёд - как турбирование влияет на длину сигнала? - Гдето читал что он становится слишком длинным?!
*******
После разговора в skype с Solegstar, начертил схему которая автоматически выставляет длину INT даже в режиме турбо и позволяет переключать INT с пентагоновского на псевдо_фирменнй... ; Надо дождаться комментария - правильно ли я всё понял...
P.S. Ну вот, исправленный вариант.
Вложение 56256