Ну вот.. и весь опрос.
Вид для печати
Что было понятно с самого начала. Я это понял - уже давно. Именно поэтому - скептически отношусь ко ВСЕМ предложениям, вынесенным на ОБСУЖДЕНИЕ. Для того, кому действительно что то нужно - проще сделать самому. Ну или найти одного-двух заинтересованным в этом же - и сделать вместе. И да - мне абсолютно фиолетово, будет ли интересно это изделие кому то ещё. Будет - хорошо, не будет - главное - у меня есть то, что хотел.
Ладно, если нужен звук в слотах ПП, но нет 15К руб на ОКР, то можно сделать дешовый переход слот ПП ---> 24-пин слот блока КНГМД БК11М и использовать ДПП "Звучок". СОЗУ там, правда, почти не будет - порядка 8 Кбайт ( вместо ПЗУ на адресе 100000 ) , зато батарейное.
Герберы Звучка и парочка ДПП - см. Барахолку.
Примерная калькуляция полного ОКР 15К руб :
Э3 - 3 т.р.
Тополог - ~4 т.р.
Заказ 4СПП - ~4 т.р.
Комплектация из Китая и Москвы - ~4 т.р.( на 2 шт. ЭКЗ , на 10 шт. - порядка 8 т.р., надо уточнять )
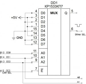
На переходе расположить ИС ЭКФ1533КП7 для детекта включенных страниц ПЗУ - можно, в принципе, сделать и 3 странички СОЗУ по 8 Кбайт.
Возможные адреса регистров Звучка:
177700
177704
177710
177714
177720
177724
177730 т.д.
Возможные адреса СОЗУ :
100000
110000
120000
130000
140000
150000
160000
170000 минус область 177000-177777 ( 8 ) при наличии сигнала BS7 ( область регистров ).
Активная часть перехода УКНЦ ПП - Звучок :
https://pic.maxiol.com/thumbs2/15895...31438181.7.jpg
На Звучке будет 3 слота СОЗУ по 8 Кбайт ( Бейсик-картридж поместится ), причем в 2-х банках, коммутируемых тумблером на Звучке.
Предлагаю использовать порт 177734. Аппаратно позаботся о том, чтобы не было небходимости инвертировать данные отправляемые в AY.
К тому же, nzeemin уже добавлял подеержку AY на этом порту.
Правда со временем удалил. Кстати почему? Сложно ли вернуть поддержку AY в эмулятор?
Очень хочется в своей игре использовать звук. Да и у меня совершенно случайно завалялся модуль с AY как раз на порту 177734)))
Давно уже вынашиваю идею модуля со звукогенератором и памятью.
Основной стопор, трассировка и промышленное изготовление печатной платы. В этом у меня наблюдается полное отсутствие опыта.
Поэтому тоже готово финансово вложится в эту затею.
Правда у меня своя горсть задвигов насчет того, как должна быть выполнена реализация)))
- - - Добавлено - - -
Все тот же прототип на макаронах, только подключенный через переходник к ПП.
Обычный линейный выход подключенный к аудиовходу монитора.
Скрытый текст
Профессия называется Тополог.
Обычные расценки КБ - 20...50 руб за 1 вывод. В МЭП де-факто применяют P-CAD2006 . В последователях др. организаций применяют др. КАДы.
Очень скучающие топологи при отсуствии заказов просят по ~10 руб за 1 выв.
Энтузиасты М-ЭВМ могут пойти на неслыханные уступки, вплоть до 3 руб за 1 выв., при к-ве выв. от 1000.
Выходной продукт топологов ПП - Герберы, которые загружают на сайты фабов в Китае, платить с совковой сберкарты ( + комиссия ~6% ).
Пример фаба, проводящего постоянную акцию для 10 шт. ПП 10 х 10 см - https://jlcpcb.com/
Топнормы - не хуже 0.1/0.1 миллиметра, лазер применяют весьма давно, в отличии от совка.
Отмечу, что для P-CAD2006 на Рутрекере есть видеоуроки и книга на Русском. Нормальных библиотек маловато, фейковых - изрядное к-во.
Да, у данного КАДа есть некотрый недостаток - он Весьма сложен, в отличии от мн. др.
Переход для слота ПП - слот блока КНГМД БК11М никто не желает заказать ?
Вероятная цена готовой чистой платы - ~300 руб + КР1533КП7 + гребенка 2х2.54 мама + К10-17 0.1 мкф.
Какие платы есть готовые для такого применения :
1. Звучок с батарейным СОЗУ.
2. Стенд БК 177670-177672 с программатором 1801РР1/573РФ3 ( вообще, там и 27256 есть колодка, но софта нет ).
РР1 программируется без внешнего БП.
добавлю https://www.pcbway.ru
уточню - не сложен, его реально легко изучить по видеокурсу, а неудобен как инструмент для трассировки.Цитата:
Отмечу, что для P-CAD2006 на Рутрекере есть видеоуроки и книга на Русском. Нормальных библиотек маловато, фейковых - изрядное к-во.
Да, у данного КАДа есть некотрый недостаток - он Весьма сложен, в отличии от мн. др.
я перешел на Pulsonix, скорость разводки возрасла в 3-4 раза.
он тоже не идеален, те я бы и в нем кое-что в интерфейсе поменял, к примеру работа с библиотеками в PCAD сделана лучше.