У меня в первом моем спекки (Ленинград-1) стояла 555ЛН1 и 155ТМ2 (причем, вторая 77г.в.) Но напряжение питания было 5.1В примерно. Работало супернадежно. Проц. ММЕ (других у нас тогда было не достать, чуть позже ST подвезли).
Вид для печати
У меня в первом моем спекки (Ленинград-1) стояла 555ЛН1 и 155ТМ2 (причем, вторая 77г.в.) Но напряжение питания было 5.1В примерно. Работало супернадежно. Проц. ММЕ (других у нас тогда было не достать, чуть позже ST подвезли).
никакие, какие достанешь (для того времени зоопарк 155, 555 и бывало золотую керамику втискивали, да и если на гулявшей схеме резисторы были неправильные или вообще один
- - - Добавлено - - -
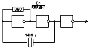
вот я столкнулся на современном скорпе, что звон от 1533 серии буржуйской наложенные на наши микрухи щёл жуткий
- - - Добавлено - - -
ну это надо изучать, резисторы сильно влияют на сигнал клока еще, которые в генераторе
Если кто нибудь ещё заходит -
А что вы думаете про серию КР1554, если генератор частоты делать на КР1554ЛН1 ?
Скажем так из всего зоопарка 155/133/555/1533/1531 1554 мне показались самыми адекватными (если память за 20 лет не отшибло). Для классического генератора на двух инверторах надо просто подобрать резисторы (они разнятся для разных типов микросхем). НО для Z80 важен размах сигнала от нуля до питания. Посему обычно везде ставилась подтяжка на +5в через резистор. И да, подавать клок сразу со второго инвертора - это жесть. За это эцих с гвоздями пожизненый...
у кр1554 выход 24мА и по 0 и по 1, они не шумят и частоты до 150 МГц доходят, а питалово 2-6 В, по сути надо только подобрать полуфазы на кварце, проц cmos и nmos должен по идее спокойно переваривать без всяких резисторов, я понабирал малость напару с кр1533, завалялась пустая плата Pentagon-128 ay 2014 :)
Логический уровень - Low, В 0.9…1.65
Логический уровень - High, В 2.1…3.85
Нууууу как бэээээээ по верху далеко до 5 вольт :) наверное да, надо резистором тянут к +5в и диод поставить что бы только ноль пропускал :)
Выходы, наверное для проца верхний порог низковат :)
Имел в виду, к какому чипу?
Для кр1554 в даташите совсем другие значения https://eandc.ru/pdf/mikroskhema/kr1554ln1.pdf
Вложение 81454
Вот простой и надёжный вариант, проверен многократно.