Эээээ....ууууу.....
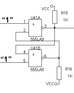
Если выход c ОК (а у ЛА9 вроде именно такой) в воздухе - на нём всегда будет 0.
Если совсем грубо и коротко то выход с ОК умеет либо "подключать" выход к земле (когда на нём по логике получается 0), либо не подключать его вообще ни к чему (когда на нём по логике 1).
Поэтому чтобы получить на выходе с ОК осмысленный сигнал - его надо подтягивать резистором к +. Тогда в первом случае (0) выход в м/с будет "закорочен" на землю и вы увидите 0, а во втором (1) - выход ни к чему внутри м/с подключен не будет и из-за этого резистора вы увидите 1.
Это грубое и технически некорретное описание, но практический смысл выхода с ОК вроде передает

