Пожалуй погорячился с 8912... У Павла они по 380 были (почти цена того же Z84C0020PEC у него), но сейчас нет в наличии, на Али ценник конский. (
Вид для печати
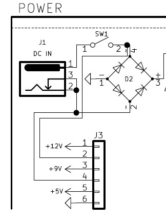
А можно вопрос по джамперам J3?
Вложение 76497
Вложение 76498
1) На нижней паре джампера J3 (выводы 5 и 6) у нас ноль и +5В после LM2596. Я с них питаю модуль усилителя звука, конвертор композит-hdmi и модули индикации ("цветомузыку"), которые встроены мной в Сизиф внутрь корпуса. Тут понятно.
2) Вывод 3 джампера J3 - это ламель А4 ("+9В") шины ZXBUS. То есть в случае использования блока питания 9В, вне зависимости от его полярности, при установке перемычки на выводы 3-4 джампера J3, на ламель А4 ZXBUS поступает +9В. Если блок питания 12В, то этот джампер ставить нельзя, чтобы на А4 не попало 12В вместо 9В, но тогда периферия, зависящая от наличия на А4 напряжения 9В, не будет работать? Разве что на периферии будет стоять понижающий преобразователь, которому будет всё равно, что на входе, 9 или 12?
3) Вывод 1 джампера - это ламель B22 ("+12В") шины ZXBUS. Если я ставлю перемычку на 1-2, то с контакта 1 разъёма питания J1 на B22 поступает то, что у нас в центре штекера, в обход диодного моста. Я использую блок питания 12В с плюсом в центре, так что на B22 попадёт напрямую +12В. Если бы у меня был блок питания с плюсом снаружи, этот джампер использовать было бы нельзя, так же как и с блоком питания 9В с плюсом снаружи. Если бы у меня был блок питания 9В с плюсом внутри, то на B22 вместо +12В я получил бы +9В соответственно, с теми же последствиями, что в п.2) Так?
Иными словами, на Сизифе есть защита от переполюсовки и допуск напряжения блока питания (9В, 12В), однако обеспечить на шине ZXBUS одновременно +9В на А4 и +12В на B22 возможности нет. Соответственно, если устройство, подключенное к ZXBUS, требует и то и другое, то оно работать не будет?
Я правильно всё понял?
djs, верно, в зависимости от БП можно завести на ZXBUS 9 или 12В. Например, у меня БП 9В и + снаружи, и перемычка стоит вот так, питает ZX-TSid:
https://s.micp.ru/thumb/bLSqt.jpg
Если нужно одновременно и 9, и 12В, то нужно найти БП, выдающий оба этих напряжения.
djs, вроде бы кидал уже фото
https://s.micp.ru/thumb/Kl3H1.jpg
Я себе сейчас допиливаю Карабаса-128, и для него прикупил конструктор BDI2.0
Хочу запитать дисковод 3.5 от блока питания, который питает сам комп.
Для этого в Сизифе ставлю перемычку на 12В, а в Карабасе пробросил проводок от моста до B22, там B22 висел вообще в воздухе.
Соответственно, с BDI по свободной линии или двум плоского шлейфа к дисководу проведу 12В (которые там есть для питания ВГ-шки, хотя у меня стоит 8877),
а внутри дисковода сниму их и подам на понижающий DC-DC с 12 на 5В. Ещё хочу взять эмулятор типа готека с Али вторым диском. Но ему 5В с шины наверно хватит.
Блок питания - хороший 12В на 2.08А, должен потянуть, я думаю.
Зачем дисководу 3.5 12 вольт?
Чтобы из них сделать 5В, чтобы не тянуть туда 5В из компа.
Мне показалось, что лучше дотянуть 12, тем более, что они есть уже на BDI, а уже из 12ти на месте сделать 5.
Ну и ещё, 12 у меня будут с общего входа напрямую с блока питания, а 5 везде - уже после компового преобразователя, лишняя нагрузка на него.
Лишний стаб? Зачем? Лучше 5 вольт дотянуть.