Плата от Mick.
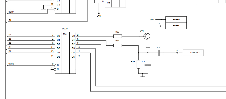
Возможно я его неправильно подключаю, транзистор я ставил КТ315. Подскажите как правильно подключить + и - на бипер.
- - - Добавлено - - -
Заказал на всякий случай усилитель на 3Вт и динамик на 0,5W 8ом 40mm
- - - Добавлено - - -
Сделал заказ:
Резистор 0.25W 1.8 kOm (5 шт)
Резистор 0.25W 100 kOm (5 шт)
Вольтметр 0.36" синий DC 4.5-30V
Динамик металлический 8 Ом, 0.5W, 40mm
Аудио усилитель класса D 2x3W пит. 2.5...5V (PAM8403) с регулятором
Микросхема 4069BE (К561ЛН2)
Конденсатор многослойный 0.1uf 50V
Жду детали, после продолжу создавать читалку и пробовать запускать игру. Т.к. не работает тестовая микросхема, нужно убедится, что ру5 рабочие и тогда буду исправлять ошибки изображения.
1. Поддергивание
2. Окружность
3. Полоса черная слева
- - - Добавлено - - -
Планы на будущее: Корпус, конвертер на HDMI, стилизация, наклейки на клавиатуру, цветные ленточки в стиле ZX и другие декоративные элементы. Также заказал экран-вольтметр, который будет показывать напряжение на Ленинград 48кб, для стилизации и тестирования.

