У меня вопрос может и не в тему, давно лежит эта платка с разъемами, вот сейчас понадобилось её подключить к Scorpion зеленому, пока не разбирался подробно, но может уже кто подключал? Как это лучше сделать?
Вид для печати
У меня вопрос может и не в тему, давно лежит эта платка с разъемами, вот сейчас понадобилось её подключить к Scorpion зеленому, пока не разбирался подробно, но может уже кто подключал? Как это лучше сделать?
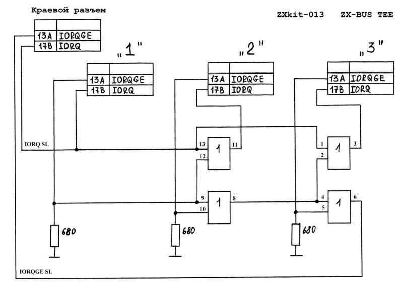
Просьба о помощи. Какие номиналы конденсаторов или резисторов нужно напаять на печатную плату ZX-BUS TEE? Фотоснимки в теме не доступны. Может у кого есть фотоснимки лицевой стороны печатной платы с радиоэлементами или монтажная схема этой платы с сайта zxkit?