Цитата:
Сообщение от
MV1971
Если контроллер не подключен, то работает ?
Если контроллер не подключен или снять перемычку S2 на подключенном контроллере компьютер запускается, но работает странно,при нажатии клавиш меняется цвет бордюра, загрузка с магнитофона работает только при нажатой клавише CS. А ТЕСТ 4.3 выдает, что шина данных нестабильна, засорена. Сброс перестал нормально работать. Это видно на видео, так же при нажатии или удержании кнопки сброс на экране появляется мусор в виде квадратов и пикселей.
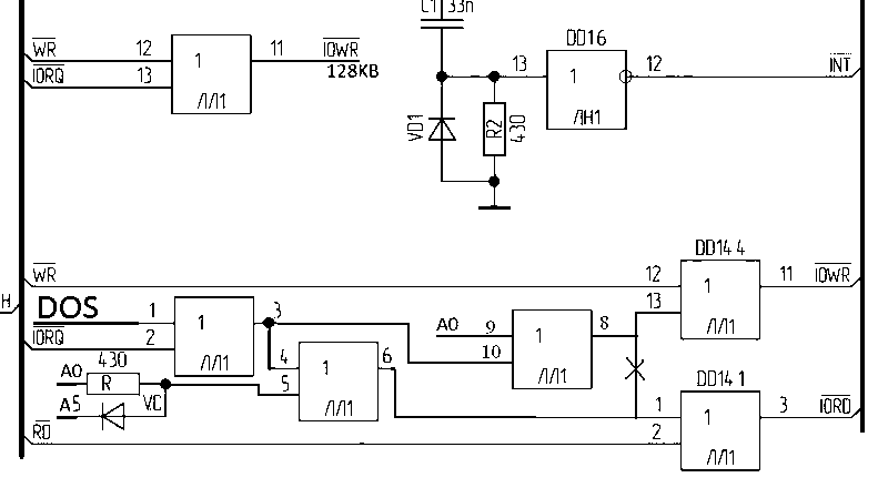
В общем придется мне отложить контроллер и вернуться обратно с чего начал, снять весь МГТФ с платы что проложил к разъему контроллера и искать ошибки.
А какие вообще правила существуют для прокладки МГТФа, какой длины можно брать провода, как укладывать, в жгут или можно паутиной по всей плате как у меня?
Цитата:
Сообщение от
solegstar
Дмитрий2012, попробую на принципиальной схеме нарисовать все желательные доработки для ленинграда. чуть позже только...
solegstar,буду Вам премного благодарен, если выложите доработки Ленинграда-1.