Вложений: 3
Помогите расширить с 256К до 1024К
Доброго времени дня, уважаемые.
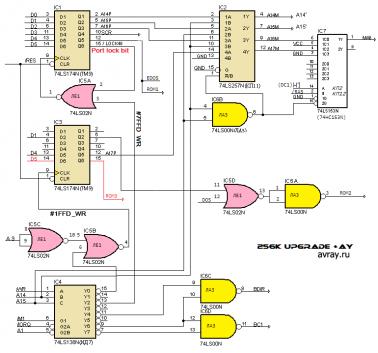
Был у меня Кворум БК-04, валялся в гараже долгие годы, пару лет назад я решил его реанимировать, кое-как запустил, потом решил расширить память с 48к до 128к, с этим справился, потом вспомнил, что у меня есть 8 штук 41256 и решил расшириться до 256к, сварганил схему из разных источников. Получилась вот такая схема.
Вложение 56167
http://www.avray.ru/wp-content/uploa...7ffd_3_tmp.png
Всё работало прекрасно, без проблем.
Недавно, откопал у себя несколько SIMM модулей 72, на них установлены микросхемы NN514405BJ-60 (1Mx4)
Вложение 56168
Кое-как нашел даташит NN514_datasheet.pdf
Вроде всё в порядке, можно ставить 2 микросхемы и получится 1Мб памяти.
Припаял к переходникам, соединил их вместе и установил взамен 41256
Вложение 56169
Сразу работать не захотело, пока не поставил буфер и не исправил /CAS под SIMM, аналогично данному сообщению, тогда всё заработало, причем намного лучше чем с 41256 и БП греться перестал.
После этого подумал, как бы расширить до 1024 и сформировать МА9, понравилось расширение по схеме Scorpion 1024, т.к. требовало минимум изменений в схеме, решил тупо в лоб, взять D6,D7 с 1FFD и бросить на 10 и 12 ноги КП2, на 11 и 13 подав GND, но ничего не получилось, 256 как было так и осталось, потом еще и /CAS начал глючить, короче вернул как было, 256к.
Предвижу вопрос по поводу VBORDER, пробовал и его подключать и другие сигналы, ничего не помогло.
ВОПРОС, может ли кто-то помочь с КП2, какие туда сигналы завести, чтобы заработал метр? Смогу ли я увеличить по стандарту Scorpion 1024? Видят ли программы такой стандарт? Не нужно ли специальный ROM прошивать, чтобы это работало? Нужно ли ставить еще одну КП11 для мультиплексирования D6,D7 порта #1FFD ?
Буду благодарен за любую помощь в этом вопросе, а то уже весь мозг сломал.
PS: вся схема расширения сделана на 74HC
PS2: или всё же малой кровью переделать под PROFI 1024? заменить #1FFD на #DFFD или лучше под KAY 1024 ?
Схема от Камиля(Caro) расширения до 1024 : http://zx-pk.ru/showthread.php?t=262...l=1#post860524