Вложений: 3
Ленинград 2, нет градаций яркости и помехи на экране.
Доброго времени суток. Как окунувшегося в детство, один из сочувствующих моих товарищей попросил меня восстановить , после "золотоискателей" старенький Ленинград 2. Основа, плата одного из первых релизов с дополнительными перемычками на монтаже. Я думал, что впаяю кондеры, восстановлю пару дорожек и будет счастье, но..... как всегда несколько свободных вечеров ушло на поиски оборванных адресных линий, запуска формирователя CSROM. Когда, наконец то, получилось запустить тест, еще и 2 РУ5 заменить пришлось. Вроде бы все, есть заветная надпись, работает клавиатура, и игры грузятся. Но в исходной ПЗУ была залита прошивка с черным основным экраном и белым шрифтом. Для достижения аутентичности взял ПЗУ с оригинальной прошивкой от 1990 года и увидел неприятную картину, на основном экране нет повышенной яркости и на поле видны разводы помех.
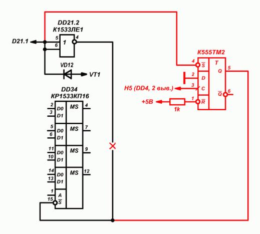
Начал ковыряться с формированием сигнала яркости и обнаружил отсутствие сигнала на 13 DD32, при наличии импульсов на 5 DD32,при этом, сигнал border на 10 DD32 и DD31 с маленькой амплитудой. Заменил DD5 555ЛИ1 на 1533ЛИ1,для увеличения нагрузочной способности. Border стал нормальным, но ни чего на поменялось. Заменил DD32 (555КП13) на проверенную на IC тестере (даже панельку поставил), ... тишина. Думал гасит выход DD34, но при перекоммутации другими сигналами все проходит. Отрезав вход 5 DD32 на выходе 13 появляется сигнал схожый с border, который уже нормально проходит через DD34, а на экране появляется яркая зона PAPER.
Вложение 79084
Вложение 79085
На картинке, как раз, изображение с отключенным входом 5 DD32. при восстановлении схемы все поле становится серым как бордюр на данной фотке.
Для примера выкладываю фото стартового экрана моего Ленинграда с такой же схемой синхронизации развертки.
Вложение 79086
Может кто-то сталкивался с подобной проблемой?