Блицоводы, объединяемся! ) Выложил здесь всё, что накопал по компьютеру Блиц. Авторов фото и документов старался указывать, где знаю. Где не указано - документ мой или автор мне неизвестен. Пожалуйста, если знаете авторов, подсказывайте, буду подписывать.
И обязательно дополняйте тему всем, что знаете и имеете по Блицу!
Описание и внешний вид компьютера Блиц
Скрытый текст
Блиц (Blitz) – отечественный клон ZX Spectrum 48K. Разработан на основе «Ленинграда» в 1990 году в г.Северодонецк (Украина), при совместном участии МИТЦ «СИАТ» (Молодежный Инженерно-Технический Центр СИАТ) и НТК «Блиц».
Выпускался в корпусах разных цветов (серый, красный, бежевый), как в виде готового устройства, так и, по слухам, в виде конструктора для самостоятельной сборки.
Внешний вид компьютера Блиц и его упаковки. Авторы фотографий Outcast, oligarh.
Относительно прототипа (компьютера «Ленинград») содержит несколько программно-аппаратных изменений. Плата переразведена. При включении на экран вместо стандартной надписи «Sinclair Research» выводится надпись «Бытовой компьютер "БЛИЦ"» с тремя прямоугольниками синего, красного и зелёного цветов.
Стартовый экран компьютера Блиц
Прошивка содержит измененный шрифт латинского и кириллического алфавита. Переключение языков ввода на кириллический и латинский производится командами POKE 23607,56 и POKE 23607,60 соответственно. Раскладка кириллической клавиатуры - ЯВЕРТЫ. Нажатие клавиш сопровождается щелчками в громкоговорителе.
Шрифты компьютера Блиц. Автор картинки goodboy.
Громкоговоритель встроенный, не имеет выключателя и регулятора громкости. Сигнал звука не выведен на разъем подключения телевизора.
Аппаратно реализовано подключение к телевизору через высокочастотный антенный вход в черно-белом изображении. Для цветного изображения применяется стандартное для большинства советских клонов ZX Spectrum подключение раздельных каналов цветности RGB и синхроимпульса.
Клавиатура резиновая, устроенная аналогично большинству пультов дистанционного управления, где эластичная токопроводящая подушечка на резиновой клавише при нажатии замыкает контакты, нанесенные на печатную плату клавиатуры. Расположение и размер клавиш клавиатуры почти полностью совпадает с таковыми на оригинальном английском ZX Spectrum 48K.
Компьютер имеет системный разъем на плате, но штатный корпус компьютера не имеет выреза под него. В документации компьютера сказано: «По обращению пользователя изготовитель за дополнительную плату может установить системный разъем для подключения принтера, контроллера дисковода и др. периферийных устройств».
[свернуть]
Инструкция по эксплуатации компьютера Блиц
Скрытый текст
Ссылка на PDF инструкции по эксплуатации, прилагавшуюся к компьютеру: https://yadi.sk/i/vUdUIWr6gxb60g
Ссылка на отреставрированный цветной фотошоп-документ обложки инструкции по эксплуатации: https://yadi.sk/i/R6Wx14wPUlABng
[свернуть]
Схемы кабелей и распиновка разъемов компьютера Блиц
Скрытый текст
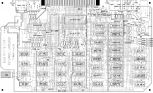
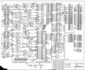
Принципиальная электрическая схема компьютера Блиц
Скрытый текст
В комплекте с собранным компьютером принципиальная электрическая схема не поставлялась. Но в сети найдены два её варианта.
В первом варианте есть несколько отличий от реального устройства. Вероятно, это ранний вариант схемы, к моменту выпуска компьютера претерпевший ряд изменений. Источник и автор этого документа неизвестен.
Электрическая принципиальная схема компьютера Блиц. Вариант первый. Автор документа и скана неизвестен.
Второй вариант схемы на наличие несоответствий реальному девайсу мной не проверялся. Но навскидку в паре мест он более точен.
Электрическая принципиальная схема компьютера Блиц. Вариант второй. Автор скана PATHNK. Автор документа неизвестен.
Схема клавиатуры, перечень компонентов, второй вариант монтажной схемы, прилагавшиеся ко второму варианту схемы.
Примерное описание изменений в схеме Блица относительно Ленинграда (от Conan): https://zx-pk.ru/threads/255-spisok-...ll=1#post15739
[свернуть]
Плата компьютера Блиц
Скрытый текст
Платы компьютеров Блиц отмечены надписью "(C) Blitz 1990 Personal computer". Судя по найденным в сети фотографиям, имеют несколько версий с незначительными изменениями как по монтажу, так и по рисунку печатной платы. Вот несколько вариантов:
Плата со следами пользовательских доработок. Авторы фото Outcast и неизвестные.
Фотошоп-документ с наложенными и подогнанными друг на друга фотографиями разных версий плат: https://yadi.sk/i/wV33CvjA_xAw9w
[
Сканы чистой печатной платы. Автор сканов oracleua.
Ссылки на сканы чистой платы в высоком разрешении:
https://yadi.sk/i/YREJbrTJMUl6KQ
https://yadi.sk/i/a68G7X6gsNlPpQ
[свернуть]
Монтажная схема компьютера Блиц
Скрытый текст
На основе имеющейся неточной принципиальной электрической схемы компьютера, сканов его пустой печатной платы и фотографий собранных устройств, создана черновая версия монтажной схемы компьютера Блиц. В ней, наверняка, есть ошибки, т.к. создавалась она в спешке, и не все исходные данные были отменного качества. Прошу всех сообщать о найденных ошибках!
Монтажная схема компьютера Блиц – обычная и с выделенными линиями питания.
Оригинальный фотошоп-документ монтажной схемы: https://yadi.sk/i/n-2olOB1kHdTZw
Список микросхем (от Southern Bear): https://zx-pk.ru/threads/255-spisok-...ll=1#post17304
PCAD и Gerber файлы (схема, монтажка, плата). Автор Mick (Огромное спасибо!)
[свернуть]
Прошивка компьютера Блиц
Скрытый текст
Ссылка на ROM: https://yadi.sk/d/fzxO_FERfyiK2w
Кстати, никто не знает, совместима ли прошивка обычного Ленинграда с Блицем?[свернуть]
Блок питания компьютера Блиц
Скрытый текст
Компьютер комплектовался разными блоками питания. На сегодня есть подробные фотографии внутри и снаружи только одного из них: https://yadi.sk/d/yp6Mb0aNVEG2sQ
Автор фото Outcast.
Прошу присылать всю имеющуюся информацию по другим поставлявшимся с Блицем блокам питания![свернуть]
Кассета с ПО из комплекта компьютера Блиц
Скрытый текст
К компьютеру прилагалась магнитофонная кассета ORWO Digitalkassette DK Typ 490 с записями тестовой, демонстрационных, обучающих и игровых программ.
Фотография обложки кассеты, прилагавшейся к компьютеру Блиц. Автор фото oligarh.
Здесь собраны образы программ, которые были на кассете:
Сторона А
1. TEST - Стандартный тест Spectrum-совместимых компов от Dr. Ian Logan.
2. DEMO-I - Простенькая бесячая демка, написанная на Laser Basic.
3. DEMO-II - Простенькая демка.
4. DEMO-1 - Обучающая программа (модифицирована авторами Блица), часть 1. Общая информация об аппаратном устройстве компьютера.
5. DEMO-2 - Обучающая программа (модифицирована авторами Блица), часть 2. Клавиатурный тренажер. Курсор L.
6. DEMO-3 - Обучающая программа (модифицирована авторами Блица), часть 3. Клавиатурный тренажер. Курсор K.
7. DEMO-4 - Обучающая программа (модифицирована авторами Блица), часть 4. Клавиатурный тренажер. Курсор L, C, K, G.
8. DEMO-5 - Обучающая программа (модифицирована авторами Блица), часть 5. Клавиатурный тренажер. Курсор E.
9. ART - Графический редактор ART STUDIO.
10. RANARAMA - (бонус-трек, бывший не на всех кассетах Блица).
Сторона B
1. RIVER RAID
2. VIDEO POL
3. HARRIER
4. OIX
5. KOKOTONI
6. BOULDER
7. BOULDER2
8. SUPER JUMP - (бонус-трек, бывший не на всех кассетах Блица).
Огромное спасибо за добытые образы программ с кассеты Блица товарищам и JeRrS и newart!!!
Фотошоп-документ вкладыша кассеты: https://yadi.sk/i/8kkxTmB4txb9cw
Неожиданная находка! Дисковые SCL-версии двух первых демок со стороны А кассеты Блица выложены в сети под именем Blitz Team!
https://zxart.ee/eng/authors/b/blitz-team/
[свернуть]
Полезные ссылки
Скрытый текст
Тема по подключению Блиц к телевизору: https://zx-pk.ru/threads/31431-podkl...elevizoru.html[свернуть]
Ссылка на пополняемую мной периодически папку, где есть всё перечисленное и больше: https://disk.yandex.ru/d/rkwS7xYlmRWNyA




Ответить с цитированием
Размещение рекламы на форуме способствует его дальнейшему развитию 



