Важная информация

User Tag List

Страница 55 из 63 ПерваяПервая ... 515253545556575859 ... ПоследняяПоследняя
Показано с 541 по 550 из 622

Тема: Адаптер УК-НЦ к современным ТВ и мониторам

  1. #541

    Регистрация
    06.12.2017
    Адрес
    г. Москва
    Сообщений
    1,724
    Спасибо Благодарностей отдано 
    167
    Спасибо Благодарностей получено 
    406
    Поблагодарили
    257 сообщений
    Mentioned
    11 Post(s)
    Tagged
    0 Thread(s)

    По умолчанию

    Цитата Сообщение от Woland Посмотреть сообщение
    OSSC удалось включить в режим x5 при работе с УКНЦ? Просто в режимах x2-x4 результат ощутимо хуже...
    ...при условии использования монитора разрешением не менее 2К.
    Пятикратное увеличение разрешения УКНЦ - это 3200x1440. По ходу, это уже 4k-монитор (4608000 пикселей).
    manwe.pdp-11.ru

  2. #541
    С любовью к вам, Yandex.Direct
    Размещение рекламы на форуме способствует его дальнейшему развитию

  3. #542

    Регистрация
    30.11.2015
    Адрес
    г. Самара
    Сообщений
    7,527
    Спасибо Благодарностей отдано 
    346
    Спасибо Благодарностей получено 
    716
    Поблагодарили
    598 сообщений
    Mentioned
    13 Post(s)
    Tagged
    0 Thread(s)

    По умолчанию

    Цитата Сообщение от Manwe Посмотреть сообщение
    Пятикратное увеличение разрешения УКНЦ - это 3200x1440. По ходу, это уже 4k-монитор (4608000 пикселей).
    Традиционно К считаются по горизонтали. То есть 1920x1080 - это 2k, 3200x1440 - это 3K, 3840x2160 - 4K, 7680×4320 - 8K. В зависимости от стандарта (16:10 16:9 и тому подобное) возможны варианты, например - полнокадровый 4K 4096×3072, академический 4K 3656×2664, UltraHD 4K 3840 × 2160 и т.д.

  4. #543

    Регистрация
    26.10.2011
    Адрес
    Москва
    Сообщений
    554
    Спасибо Благодарностей отдано 
    11
    Спасибо Благодарностей получено 
    22
    Поблагодарили
    15 сообщений
    Mentioned
    0 Post(s)
    Tagged
    0 Thread(s)

    По умолчанию

    Цитата Сообщение от Manwe Посмотреть сообщение
    Пятикратное увеличение разрешения УКНЦ - это 3200x1440. По ходу, это уже 4k-монитор (4608000 пикселей).
    Как показала практика, 2k-монитора достаточно, поскольку даже с Неоном, где 300 строк и требуется 1500 строк разрешения монитора по вертикали, происходит интерполяция 1500 линий, поданных на вход монитора, в 1440 строк монитора - на глаз лично я этого не увидел на тех же мелких гребенках и шахматках.

    Забыл упомянуть еще пару преимуществ умножителя (OSSC) в сравнении с масштабаторами типа Framemeister:
    - OSSC выводит на HDMI неизменную кадровую частоту источника. В случае с БК это критично, т.к. бегущие строки в демках остаются плавными, в отличие например от Framemeister с его 50/60Гц выходной частоты. Правда, если мне не изменяет память, GBS-8220 в исполнении с HDMI-выходом тоже умеет выдавать частоту первоисточника; разработчики Framemeister добавить такую функцию принципиально отказались, ссылаясь на грамотный маркетинг.
    - меньше задержка кадра, т.к. кратное умножение пикселей - более быстрая операция, нежели аппроксимация кадра.
    Последний раз редактировалось Woland; 18.07.2019 в 09:49.
    Возрождение БК0011М: pk-fpga.ru, forum.pk-fpga.ru
    Продажа электронных компонентов >>тут<<

  5. #544

    Регистрация
    09.04.2009
    Адрес
    Зеленоград
    Сообщений
    449
    Спасибо Благодарностей отдано 
    132
    Спасибо Благодарностей получено 
    429
    Поблагодарили
    196 сообщений
    Mentioned
    39 Post(s)
    Tagged
    0 Thread(s)

    По умолчанию

    Так как тема https://zx-pk.ru/threads/15895-uknts-i-scart/page2.html
    закрыта, напишу здесь.
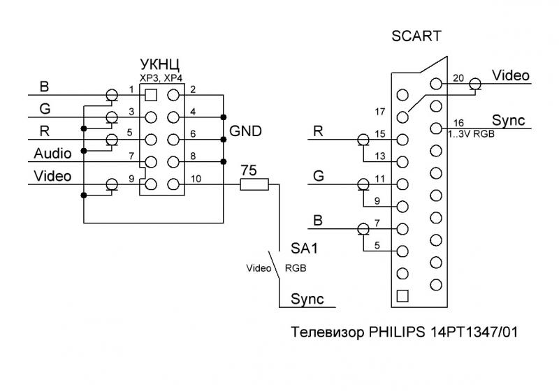
    Есть маленький старенький цветной телевизор Philips со SCART разъемом.
    Нашел кабель "SCART - тюльпаны" с четырьмя экранированными проводами.
    Сначала подключил Video от УКНЦ. Работает. Затем решил подключить
    RGB, так как есть еще 3 экранированных провода. На 16 контакт SCART
    разъема подал с батареек 3 В. Цвет появился. Но батарейки быстро сели,
    так как входное сопротивление у 16 вывода = 75 Ом. Тогда решил на
    16 вывод подать синхросмесь, так как она имеет узкие отрицательные
    импульсы и может сойти как логическая единица. Перепаял провод
    Video с 20 контакта на 16 в SCART и с 9 на 10 в УКНЦ. Синхронизация
    исчезла. Тогда оставил Video на 20 контакте SCART и 9 УКНЦ,
    а с 10 контакта УКНЦ подал сигнал через сопротивление примерно 75 Ом
    и обычный провод на 16 контакт SCART разъема.
    Синхронизация восстановилась. Поставил выключатель для переключения
    RGB / Video.
    Нажмите на изображение для увеличения. 

Название:	uknc_scart.jpg 
Просмотров:	155 
Размер:	44.0 Кб 
ID:	70774
    Купил новый LCD телевизор той же фирмы с разъемом SCART. Думал, что
    тоже будет работать с УКНЦ. Но фокус не удался. Нет ни Video ни RGB.
    У телевизора есть еще и разъем VGA. Решил попытать счастья с ним.
    В интернете прочитал, что у некоторых мониторов на вход Hsync можно
    подать синхросмесь. Попробовал. Заработало.
    Нажмите на изображение для увеличения. 

Название:	uknc_vga.jpg 
Просмотров:	180 
Размер:	36.7 Кб 
ID:	70775

    Эти 2 пользователя(ей) поблагодарили Ynicky за это полезное сообщение:

    hobot(29.11.2019), nzeemin(29.11.2019)

  6. #545

    Регистрация
    22.03.2018
    Адрес
    г. Усть-Каменогорск, Казахстан
    Сообщений
    1,411
    Спасибо Благодарностей отдано 
    91
    Спасибо Благодарностей получено 
    180
    Поблагодарили
    139 сообщений
    Mentioned
    21 Post(s)
    Tagged
    0 Thread(s)

    По умолчанию

    Изображение не срезает? И видно ли служебную и инфо строки?

    - - - Добавлено - - -

    Запусти TESTSC:
    https://yadi.sk/d/yDaqF1ArJ4T40Q
    И скриншоты сделай.
    БK 0010-01, БК 11М, БК11М+,МС 0511 (УКНЦ)х3, Atari 65XE, Commodore 64, AMIGA 500 (HDD), ZX EVO

    Этот пользователь поблагодарил S_V_B за это полезное сообщение:

    hobot(29.11.2019)

  7. #546

    Регистрация
    09.04.2009
    Адрес
    Зеленоград
    Сообщений
    449
    Спасибо Благодарностей отдано 
    132
    Спасибо Благодарностей получено 
    429
    Поблагодарили
    196 сообщений
    Mentioned
    39 Post(s)
    Tagged
    0 Thread(s)

    По умолчанию

    Цитата Сообщение от S_V_B Посмотреть сообщение
    Изображение не срезает? И видно ли служебную и инфо строки?

    - - - Добавлено - - -

    Запусти TESTSC:
    https://yadi.sk/d/yDaqF1ArJ4T40Q
    И скриншоты сделай.

    Последний раз редактировалось Ynicky; 29.11.2019 в 21:09.

    Эти 4 пользователя(ей) поблагодарили Ynicky за это полезное сообщение:

    Alex_K(29.11.2019), hobot(29.11.2019), nzeemin(29.11.2019), S_V_B(30.11.2019)

  8. #547

    Регистрация
    30.08.2011
    Адрес
    Зеленоград
    Сообщений
    7,161
    Спасибо Благодарностей отдано 
    2,979
    Спасибо Благодарностей получено 
    374
    Поблагодарили
    311 сообщений
    Mentioned
    13 Post(s)
    Tagged
    0 Thread(s)

    По умолчанию

    Ynicky, а как TESTSC на ЭЛТ Philips?
    хотя ты же отрубил его уже...
    Архив программ для УК-НЦ, ДВК и БК.

    Ищу игру "СТРАНА МОНСТРОВ" [monstr.sav] для ДВК.

  9. #548

    Регистрация
    09.04.2009
    Адрес
    Зеленоград
    Сообщений
    449
    Спасибо Благодарностей отдано 
    132
    Спасибо Благодарностей получено 
    429
    Поблагодарили
    196 сообщений
    Mentioned
    39 Post(s)
    Tagged
    0 Thread(s)

    По умолчанию

    Цитата Сообщение от hobot Посмотреть сообщение
    Ynicky, а как TESTSC на ЭЛТ Philips?
    хотя ты же отрубил его уже...

    Этот пользователь поблагодарил Ynicky за это полезное сообщение:

    hobot(29.11.2019)

  10. #549

    Регистрация
    08.10.2005
    Адрес
    Москва
    Сообщений
    14,438
    Спасибо Благодарностей отдано 
    1,725
    Спасибо Благодарностей получено 
    2,269
    Поблагодарили
    892 сообщений
    Mentioned
    69 Post(s)
    Tagged
    1 Thread(s)

    По умолчанию

    Хорошо бы модифицировать 16 цветов в 128.

  11. #550

    Регистрация
    30.08.2011
    Адрес
    Зеленоград
    Сообщений
    7,161
    Спасибо Благодарностей отдано 
    2,979
    Спасибо Благодарностей получено 
    374
    Поблагодарили
    311 сообщений
    Mentioned
    13 Post(s)
    Tagged
    0 Thread(s)

    По умолчанию

    обратите внимание именно на Philips картинка УК-НЦ - на новом вообще всё хорошо, на ЭЛТ намного лучше чем допустим на Трёх Слонах у меня...напомню, что практически все тв-тюнеры для ПиСи в основе имеют кристаллик от филипс(!), может вот что надо реверсить и на его основе ваять универсальный свой адаптер - переходник на ТВ и мониторы для ретро-машинок ??? я впрочем уже озвучивал не 1 раз - эту очевидную мысль.

    кстати говоря филипсы сегодня для внутреннего рынка разве не в СПб где-то делают???
    можно шилдик изучит на задней стенке (но это про ТВ данной марки), на Кванте сегодня телевизоры собирают ( и в Воронеже то же)
    Архив программ для УК-НЦ, ДВК и БК.

    Ищу игру "СТРАНА МОНСТРОВ" [monstr.sav] для ДВК.

Страница 55 из 63 ПерваяПервая ... 515253545556575859 ... ПоследняяПоследняя

Информация о теме

Пользователи, просматривающие эту тему

Эту тему просматривают: 1 (пользователей: 0 , гостей: 1)

Похожие темы

  1. Адаптер Z80->ZX-BUS
    от zx-kit в разделе Несортированное железо
    Ответов: 12
    Последнее: 05.10.2011, 11:35
  2. CD адаптер
    от alexsan в разделе БК-0010/0011
    Ответов: 2
    Последнее: 12.09.2011, 21:54
  3. База данных по LCD мониторам со SCART
    от Retrograd в разделе Разный софт
    Ответов: 2
    Последнее: 26.07.2007, 18:59
  4. Ответов: 15
    Последнее: 13.04.2005, 09:39

Ваши права

  • Вы не можете создавать новые темы
  • Вы не можете отвечать в темах
  • Вы не можете прикреплять вложения
  • Вы не можете редактировать свои сообщения
  •