User Tag List

Страница 55 из 55 ПерваяПервая ... 5152535455
Показано с 541 по 547 из 547

Тема: Что максимум можно выжать из КР580ВГ75 Intel 8275? Обсуждение

  1. #541

    Регистрация
    11.04.2023
    Адрес
    г. Ташкент, Узбекистан
    Сообщений
    182
    Спасибо Благодарностей отдано 
    57
    Спасибо Благодарностей получено 
    85
    Поблагодарили
    40 сообщений
    Mentioned
    0 Post(s)
    Tagged
    0 Thread(s)

    Lightbulb Три знакогенератор в строке без использования атрибутов

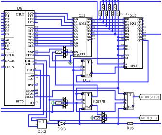
    В очередной раз перечитывая документацию по ВГ75, обратил внимание на коды C0-DF так называемых «рамок», которые формируются с помощью выводов LA0/LA1 с кучей логики и на практике вообще неудобно в реализации…
    Особый интерес вызвали коды E4 и E5, которые при установке LA0 управляют сигналом HLGT, представляются обычными символами с неограниченным количеством на строку и никакого срыва цикла ПДП не вызывают.

    Среди всех публикаций модифицирования знакогенератора РАДИО-86РК существует ряд недостатков:
    • Переключение битом ППА ВВ55 неудобно тем, что знакогенератор переключается для всего экрана целиком
    • Переключение атрибутами самой ВГ75 имеют свои нюансы с ограничением до 16 атрибутов на строку
    • Переключение между двумя наборами "ЗАГЛАВНЫЕ/строчные" не так универсально и не позволяет красиво оформить текст

    Решил я попытаться сделать набросок по доработке узла знакогенератора с использованием сигнала LA0, чтобы подключить дополнительное ПЗУ с таблицей КОИ-8, где одна половина - с латиницей, а вторая - с кириллицей и псевдографикой.

    Доработкой схемы РАДИО-86РК является добавление ИМС К155ТМ2:
    • Левая половинка «KOI7/8» хранит флаг выборки таблицы знакогенерации ("0" - родное ПЗУ; "1" - дополнительное)
    • Правая половинка «KOI8 (A10)» сохраняет флаг HLGT для выборки половинки дополнительного знакогенератора (128 символов с латиницей или 128 символов с кириллицей)
    Навесной монтаж диодов и резисторов (подбираются соответствующим образом) на дополнительную ИМС К155ТМ2 или дополнительные ИМС К155ЛИ1 и К155ЛЛ1 решают проблему синхронизации и подавления выборки ПЗУ.
    Дополнительное ПЗУ К573РФ2 с знакогенератором КОI8-R подключается параллельно с РФ1, но выводы 19 и 20 которого подключаются к нашему ТМ2.

    Если схема работает, на экране в одной строке можно иметь сразу три знакогенератора:
    • Родной знакогенератор выбирается всегда началом строки растра (сигналы HRTC/VRTC сбрасывают первую половину нашего ТМ2)
    • Коды E4 или E5 в знакоместе вырабатывает высокий уровень LA0 и разблокируют прохождение тактовой частоты на ТМ2 через элемент И (первая половина триггера установится в "1", элементом ИЛИ блокируя родной знакогенератор до конца строки, а вторая половина триггера запомнит младший бит кода E4/E5 уровнем HLGT для выбора одной из двух страниц знакогенератора в РФ2 (на схеме указаны лишь сигналы «KOI8 (OE)» для выборки и «KOI8 (A10)» для вывода A10 этого ПЗУ)

    Таким образом, в каждой строке можно использовать целых три набора символов:
    • Родной РК'шный выбирается всегда по умолчанию
    • Набор ASCII с латинницей в Верхнем и нижнем регистрах выбирается кодом E4
    • Набор KOI8-R с кириллицей в Верхнем и нижнем регистрах выбирается кодом E5

    (На самом деле, переключать можно любым кодом C0…EF, но именно E4/E5 формируют устойчивый уровень LA0 на всех линиях знакоместа.)

    Особенность обработки кодов E4 и E5 позволяет их использовать в любом количестве на строку, не вызывая сбоя в цикле ПДП (экран не поплывёт).
    Миниатюры Миниатюры Нажмите на изображение для увеличения. 

Название:	VG75-KOI8.jpg 
Просмотров:	166 
Размер:	27.3 Кб 
ID:	79593   Нажмите на изображение для увеличения. 

Название:	VG75-KOI8-VD.jpg 
Просмотров:	117 
Размер:	26.9 Кб 
ID:	79592  
    Последний раз редактировалось Alikberov; 08.10.2023 в 15:51. Причина: Обновил эскизы схем

    Этот пользователь поблагодарил Alikberov за это полезное сообщение:

    puller(15.05.2025)

  2. #541
    С любовью к вам, Yandex.Direct
    Размещение рекламы на форуме способствует его дальнейшему развитию

  3. #542

    Регистрация
    22.05.2011
    Адрес
    г. Дзержинск, Украина
    Сообщений
    6,829
    Спасибо Благодарностей отдано 
    483
    Спасибо Благодарностей получено 
    663
    Поблагодарили
    513 сообщений
    Mentioned
    10 Post(s)
    Tagged
    0 Thread(s)

    По умолчанию

    а тут я нипонел (или забыл)
    а как на этой вг75 видео карте имитируетсо битмапные видео режимы? о_О

    или это модифицированнный дум запускали под текстмод?
    Последний раз редактировалось NEO SPECTRUMAN; 25.03.2024 в 07:11.

  4. #543

    Регистрация
    11.04.2023
    Адрес
    г. Ташкент, Узбекистан
    Сообщений
    182
    Спасибо Благодарностей отдано 
    57
    Спасибо Благодарностей получено 
    85
    Поблагодарили
    40 сообщений
    Mentioned
    0 Post(s)
    Tagged
    0 Thread(s)

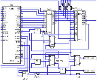
    Lightbulb Синхронизация ВГ75 внешним сигналом композитного видео

    С юности меня интересовали студийные технологии телевидения.
    В частности, наложение различной справочной информации на изображение в кадре, бегущая строка и т.п.

    Сейчас вернулся к вопросу и сделал набросок одного из возможных вариантов синхронизации ВГ75 от внешнего источника композитного видео.

    Из всех доработок:
    1. Отрезаем вывод 7 ВГ75 к выводу 4 ЛП5 и оба выводим к дополнительному ТМ2
    2. Отрезаем выводы 2 и 3 у ИЕ4 от массы и подключаем к дополнительному ТМ2
    Логика работы схемы следующая:
    1. Первая половина ТМ2 включена в режим инвертирования сигнала «BURST» от LM1881 и пока не пришёл ССИ как лог. "0", с вывода 6 выдаётся лог. "0" на вывод 4 элемента ЛП5 D5.2
    2. В конце графической линии растра ВГ75 вырабатывает сигнал HRTC и стробирует загрузку "1" с первой половины ТМ2 во вторую половину ТМ2
    3. Загруженная лог. "1" с вывода 9 поступает на выводы 2 и 3 ИЕ4, переводя его в состояние сброса, чем прерывается поступление частоты сигналом CCLK на ВГ75 в ожидании синхроимпульса от внешнего источника
    4. Когда LM1881 обнаруживает синхроимпульс и вырабатывает лог. "0" на «BURST», с вывода 6 ТМ2 на вывод 4 ЛП5 D5.2 поступает лог. "1". Также лог. "0" на «BURST» сбрасывает вторую половину ТМ2 и на выводе 9 устанавливается лог. "0", разращая работу счётчика ИЕ4 в штатном режиме
    5. Так как ВГ75 всё это время находилась без тактирования по CCLK, теперь начинается отсчёт длительности сигнала HRTC уже с началом ССИ от внешнего источника, тем самым позволяя программисту использовать параметр «ZZZZ» как величину определения левого "бордюра"


    Главное условие корректной работы: HRTC должен приходить раньше сигнала ССИ внешнего источника.
    Решение: Либо чуть повысить частоту тактирования ИЕ4, либо в коде инициализации ВГ75 константу 93h заменить на 92h.

    P.S.: Вариант схемы очень черновой и нигде не проверялся.
    Также, в схеме нет (пока что) синхронизации по кадрам: Картинка будет прыгать.
    Миниатюры Миниатюры Нажмите на изображение для увеличения. 

Название:	VG75_TM2_LM1881-mini.jpg 
Просмотров:	69 
Размер:	60.9 Кб 
ID:	81346  
    Последний раз редактировалось Alikberov; 01.10.2024 в 18:15.
    Электроника КР-03; ZX-Spectrum "Ленинград-48"; Atari-130XE; Поиск-1...

    Этот пользователь поблагодарил Alikberov за это полезное сообщение:

    puller(15.05.2025)

  5. #544

    Регистрация
    11.04.2023
    Адрес
    г. Ташкент, Узбекистан
    Сообщений
    182
    Спасибо Благодарностей отдано 
    57
    Спасибо Благодарностей получено 
    85
    Поблагодарили
    40 сообщений
    Mentioned
    0 Post(s)
    Tagged
    0 Thread(s)

    Lightbulb Отлов Dummy-байта ПДП-пакета

    В очередной раз перечитывая документацию к ИМС i8275/ВГ75, задумался над примечанием:
    Note: If a Stop DMA character is not the last character in a burst or row, DMA is not stopped until after the next character is read. In this situation, a dummy character must be placed in memory after the Stop DMA character.
    Тем самым, если в конце строки разместить код F1 или F3 в конце кадра, любой следующий символ будет прочитан, но проигнорирован самой ВГ75.
    А это - целых 256 комбинаций кода!

    Осталось лишь разработать схемку...
    • Вентиль 5-И отлавливает ситуацию с кодами F0-FF
    • Триггер ТМ2 защёлкивает флаг "управляющего кода"
    • Регистр ИР27 запоминает следующий Dummy-байт

    В общем, всё просто!

    Опционально можно выбирать хоть любой из 256-ти знакогенераторов в каждой строке или устанавливать палитру.
    В общем, дело вкуса и фантазии!

    Тем самым, подобно как и в ПК Atari-XE, можно под каждую строку изменять и режим интерпретации символов (пропускать код через знакогенератор, непосредственно рассматривать его как три четырёхцветных CGA-пикселя или два восьмицветных пикселя и т.п.).
    Миниатюры Миниатюры Нажмите на изображение для увеличения. 

Название:	VG75-Dummy.jpg 
Просмотров:	56 
Размер:	41.4 Кб 
ID:	81360  
    Электроника КР-03; ZX-Spectrum "Ленинград-48"; Atari-130XE; Поиск-1...

    Эти 4 пользователя(ей) поблагодарили Alikberov за это полезное сообщение:

    CodeMaster(05.10.2024), puller(15.05.2025), Titus(05.10.2024), Копейкин(05.10.2024)

  6. #545

    Регистрация
    26.04.2009
    Адрес
    г. Воронеж
    Сообщений
    6,480
    Спасибо Благодарностей отдано 
    310
    Спасибо Благодарностей получено 
    249
    Поблагодарили
    217 сообщений
    Mentioned
    6 Post(s)
    Tagged
    0 Thread(s)

    По умолчанию

    Цитата Сообщение от Alikberov Посмотреть сообщение
    В общем, всё просто!
    Такое ощущение, что на ВГ75 скоро сделают VGA-карту с полноценной графикой ;-)
    "Во времена всеобщей лжи говорить правду - это экстремизм" - афоризм.

  7. #546

    Регистрация
    11.04.2023
    Адрес
    г. Ташкент, Узбекистан
    Сообщений
    182
    Спасибо Благодарностей отдано 
    57
    Спасибо Благодарностей получено 
    85
    Поблагодарили
    40 сообщений
    Mentioned
    0 Post(s)
    Tagged
    0 Thread(s)

    Lightbulb Загружаемый знакогенератор

    Вообще-то, вариантов с перегружаемым знакогенераторов достаточно.
    Но, вот ещё один вариант, от меня.
    Пока только эскиз, концепт.

    Суть идеи в том, что ОЗУ знакогенератора РУ8/РУ10 программирует сама ВГ75.
    1. Полное формирование адреса LC0-LC2 и CC0-CC6
    2. Сохранение кода символа в промежуточный буфер на ИР23
    3. Запись кода предыдущего символа в ОЗУ сигналом LA1 только по линии подчёркивания с помощью кода псевдографики C0h/C1h
    Тем самым, формально, просто на панельке меняем РФ1 на РУ8/РУ10 и добавляем промежуточный буфер на ИР23 параллельно этому ОЗУ - всего две ИМС.
    На деле - нужна ещё некоторая логика.
    Тем более, по холодному включению ОЗУ знакогенератора будет, естественно, пусто. И на экране ничего хорошего не увидим. Придётся вслепую загружать и запускать код первоначальной заливки фонта в это ОЗУ.

    Собственно, процесс прошивки фонта - не так прост и требует несколько трюков:
    1. ВГ75 настраивается на любой подходящий режим с высотой знакоместа в восемь линий
    2. Позиция линии подчёркивания сбрасывается в НОЛЬ
    3. В буфере экрана заливается таблица особым образом (код графики для конкретной линии подчёркивания; код C0h/C1h; код программируемого символа)
    4. При ширине экрана в 78 символов можно в строке запрограммировать разом до 25 символов
    5. Дожидаемся флага конца кадра в статусе ВГ75 и смещаем позицию линии подчёркиввания на единицу вниз
    6. Повторяем процесс на все восемь линий фонта
    Тем самым, на перепрошивку фонта требуется восемь кадров.

    Однако, есть вариант комбинированный - с РФ1 и ОЗУ, чтобы при первом включении всё работало как прежде.
    В таком варианте ПЗУ штатного знакогенератора активируется всегда в начала каждого знакоряда - по HRTC.
    Для переключения в пределах текущего знакоряда на ОЗУ знакогенератора используются коды псевдо-атрибутов E4h (младший 1 Кб РУ8/РУ10) и E5h (старший 1 Кб РУ8/РУ10).
    Миниатюры Миниатюры Нажмите на изображение для увеличения. 

Название:	VG75_RU8.jpg 
Просмотров:	64 
Размер:	62.9 Кб 
ID:	81546  
    Последний раз редактировалось Alikberov; 11.11.2024 в 11:53.
    Электроника КР-03; ZX-Spectrum "Ленинград-48"; Atari-130XE; Поиск-1...

    Этот пользователь поблагодарил Alikberov за это полезное сообщение:

    puller(15.05.2025)

  8. #547

    Регистрация
    11.04.2023
    Адрес
    г. Ташкент, Узбекистан
    Сообщений
    182
    Спасибо Благодарностей отдано 
    57
    Спасибо Благодарностей получено 
    85
    Поблагодарили
    40 сообщений
    Mentioned
    0 Post(s)
    Tagged
    0 Thread(s)

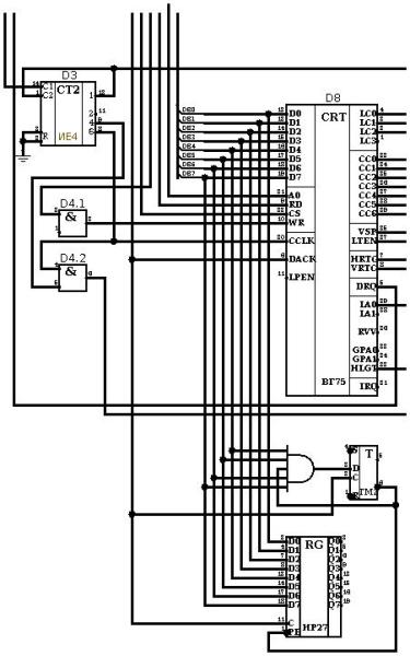
    Lightbulb Переключение знакогенератора командами управления

    Как известно, ИМС ВГ75 имеет множество тайников, которыми рано или поздно следует воспользоваться.

    Предлагаемый ниже эскиз доработки схемы позволит иметь на экране до четырёх знакогенераторов.
    В пределах одного знакоряда можно выбрать только один из знакогенераторов.
    Никакие атрибуты при этом не используются и доработка никак не скажется на цвете.

    Переключение знакогенератора происходит кодами F0h, F4h, F8h и FCh, которые указываются в любом месте знакоряда.
    Соответственно, переключение знакогенератора производится постфиксно, а не префиксно, как с атрибутами цвета.
    Следовательно, самый последний код в очередном пакете знакоряда ПДП будет определяющим.

    Схема достаточно проста и содержит всего три ИМС:
    1. ЛЕ7: Левый в схеме вентиль отлавливает момент ответа ПДП, правый - отлавливает самую верхнюю скэн-линию знакоряда
    2. ЛИ3 отлавливают диапазон кодов F0h-FFh в пакете ПДП
    3. ТМ5.1 защёлкивает биты D2 и D3 пакета ПДП, а ТМ5.2 защёлкивает код страницы знакогенератора для нового знакоряда

    Сигнал «Запрет» - опционален и может запрещать переключение знакогенератора. Может поступать откуда угодно - от тумблера или от ВВ55.

    Недостаток схемы представляемой версии в том, что при первом включении триггеры-защёлки ТМ5 могут находиться в любом состоянии.
    Соответственно, на экране будет активна неопределённая страница знакогенератора.
    Что решается довольно просто. Например, записью кода F3h по адресу 7FF3h директивой M Монитора.

    P.S.: Как и схема RAM-Фонта, данная схема пока нигде не проверялась и рассматривается лишь как концепт.
    P.P.S.: Отдельная благодарность Дмитрию Иванову за внимание к моим фантазиям и их практической успешной реализации в рабочих прототипах.
    P.P.P.S.: В комбинации со схемой выше можно получить до 12 знакогенераторов на экране - дюжину.
    Миниатюры Миниатюры Нажмите на изображение для увеличения. 

Название:	FourFonts.jpg 
Просмотров:	23 
Размер:	76.6 Кб 
ID:	82734  
    Вложения Вложения
    Последний раз редактировалось Alikberov; 04.09.2025 в 14:54.
    Электроника КР-03; ZX-Spectrum "Ленинград-48"; Atari-130XE; Поиск-1...

    Эти 2 пользователя(ей) поблагодарили Alikberov за это полезное сообщение:

    Hammer(03.09.2025), Titus(06.09.2025)

Страница 55 из 55 ПерваяПервая ... 5152535455

Информация о теме

Пользователи, просматривающие эту тему

Эту тему просматривают: 1 (пользователей: 0 , гостей: 1)

Похожие темы

  1. Ответов: 21
    Последнее: 21.05.2016, 18:13
  2. Обменяю 5 микросхем КР580ВГ75 на 2 КР580ВВ55
    от Ivan-771 в разделе Барахолка (архив)
    Ответов: 1
    Последнее: 21.03.2012, 08:23
  3. MmcM в эфире Радио Самара Максимум
    от unbeliever в разделе Люди
    Ответов: 15
    Последнее: 09.09.2009, 13:27

Ваши права

  • Вы не можете создавать новые темы
  • Вы не можете отвечать в темах
  • Вы не можете прикреплять вложения
  • Вы не можете редактировать свои сообщения
  •