А можно поподробнее что куда там подключено, а то на схеме толком не разглядеть правую сторону:
или там ATF подключен как будто бы это 20-ногая ХЛ8? Тогда прошивка по идее один в один должна перенестись.
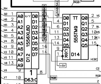
Пока я вот что раскопал:
Очевидно, что слева входы - B2,H6,H5,H4,B3,V4,V3,V2,V5,V8 (кстати B2 и H6 в исходнике ХЛ8 переставлены местами)
А вот справа есть как выходы, так и входы:
D0 - выход (в исходнике ХЛ8 обозначен как VS)
D1 - выход (в исходнике ХЛ8 обозначен как BL - используется внутри ХЛ8)
D2 - выход (в исходнике ХЛ8 обозначен как HS - используется внутри ХЛ8)
D3 - по видимому вход т.к. RG0 получается на выходе микросхемы D3
D4 - вход V6|V7 (в исходнике ХЛ8 обозначен как VV)
D5 - выход (в исходнике ХЛ8 обозначен как HE - используется внутри ХЛ8)
D6 - не подключен (в исходнике ХЛ8 обозначен как Z1 - используется внутри ХЛ8)
D7 - выход Z (в исходнике ХЛ8 обозначен как Z2)
т.е. получается 12 входов (16 если считать с выходами используемыми во внутренней логике как входы) и 5 выходов (если считать с неподключенным Z1 то 6 из которых 4 также уходят на вход логики) - теоретически должно влезть в 16V8...
P.S. даже наверное на мелкой логике это всё можно повторить
P.P.S. или на быстром 4K ПЗУ (чтобы повторить по скорости ХЛ8 с обратными связями выход-вход надо наверное минимум 2*17=34нс ПЗУ - бывают такие?)
Я наверное вечерком займусь и прочитаю прошивку моих ХЛ8 как будто это 4К ПЗУ...







Ответить с цитированием
