User Tag List

Страница 7 из 19 ПерваяПервая ... 34567891011 ... ПоследняяПоследняя
Показано с 61 по 70 из 187

Тема: KAY-256/TURBO v.2021 + NEMO FDC + NEMO IDE

  1. #61

    Регистрация
    20.03.2007
    Адрес
    Санкт-Петербург
    Сообщений
    3,002
    Спасибо Благодарностей отдано 
    205
    Спасибо Благодарностей получено 
    113
    Поблагодарили
    97 сообщений
    Mentioned
    0 Post(s)
    Tagged
    0 Thread(s)

    По умолчанию

    Цитата Сообщение от gdv2002 Посмотреть сообщение
    Так вот для такого нужен этот буфер или нет?
    Для такого не нужен.
    МГТФ - любимый провод!
    KAY-1024(4096)/SL-4/TURBO v2010 + Nemo-FDC + Nemo-IDE (CF 4GB) + SMUC2 Rev.B RTC (HDD 1.6GB + DVD-ROM) + PROF-ROM + ZXMC2 + GENERAL SOUND 2MB + ZX-BUS_TEE + FDD 3.5' + FDD 5.25' + VGA&PAL

  2. #61
    С любовью к вам, Yandex.Direct
    Размещение рекламы на форуме способствует его дальнейшему развитию

  3. #62

    Регистрация
    17.07.2013
    Адрес
    г. Курган
    Сообщений
    2,035
    Записей в дневнике
    2
    Спасибо Благодарностей отдано 
    123
    Спасибо Благодарностей получено 
    172
    Поблагодарили
    122 сообщений
    Mentioned
    1 Post(s)
    Tagged
    0 Thread(s)

    По умолчанию

    Схема с предкомпенсацией и кварцевым генератором, с системного разъема убрал сигнал F, т.к. теперь он не используется.

    Последний раз редактировалось gdv2002; 28.01.2022 в 17:32.
    С уважением, Дмитрий.
    Karabas-Go
    Pentagon-128 вер.2023+Turbo Sound+ZXM-GeneralSound
    ZXM-Phoenix 2048+Turbo Sound+ZXM-GeneralSound+ZXM-SoundCard Lite
    ZXM-Phoenix в Телеграмм

  4. #63

    Регистрация
    20.03.2007
    Адрес
    Санкт-Петербург
    Сообщений
    3,002
    Спасибо Благодарностей отдано 
    205
    Спасибо Благодарностей получено 
    113
    Поблагодарили
    97 сообщений
    Mentioned
    0 Post(s)
    Tagged
    0 Thread(s)

    По умолчанию

    gdv2002, должно работать. Я, правда, до сих пор не понимаю принцип работы НЕМОвской реализации "ТУРБО-ВГ". В частности, работу DD1.3 и DD9.1. В классической схеме турбирования на мультиплексоре менялась тактовая частота ВГ с 1МГц на 2МГц в зависимости от сигналов STEP и W. Вот сейчас на твою схему смотрю... Тактирование ВГ...Тактируется от DD9.2. DD9.2 - обычный делитель на 2. Но на его такт (вход С) приходит всего 0.5МГц. Т.е. на ВГ идёт всего 250кГц такта... Но так же быть не должно?... У меня в "классической схеме" (одна из первых, для которой появилась плата на рынке в начале 90-х) БЕТА-ДИСКа, ВГ тактиуется 1МГц.

    МГТФ - любимый провод!
    KAY-1024(4096)/SL-4/TURBO v2010 + Nemo-FDC + Nemo-IDE (CF 4GB) + SMUC2 Rev.B RTC (HDD 1.6GB + DVD-ROM) + PROF-ROM + ZXMC2 + GENERAL SOUND 2MB + ZX-BUS_TEE + FDD 3.5' + FDD 5.25' + VGA&PAL

  5. #64

    Регистрация
    17.07.2013
    Адрес
    г. Курган
    Сообщений
    2,035
    Записей в дневнике
    2
    Спасибо Благодарностей отдано 
    123
    Спасибо Благодарностей получено 
    172
    Поблагодарили
    122 сообщений
    Mentioned
    1 Post(s)
    Tagged
    0 Thread(s)

    По умолчанию

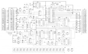
    Отрисовал схему контроллера HDD, можно начинать платы разводить пожалуй.

    Последний раз редактировалось gdv2002; 26.01.2022 в 18:04.
    С уважением, Дмитрий.
    Karabas-Go
    Pentagon-128 вер.2023+Turbo Sound+ZXM-GeneralSound
    ZXM-Phoenix 2048+Turbo Sound+ZXM-GeneralSound+ZXM-SoundCard Lite
    ZXM-Phoenix в Телеграмм

  6. #65

    Регистрация
    20.03.2007
    Адрес
    Санкт-Петербург
    Сообщений
    3,002
    Спасибо Благодарностей отдано 
    205
    Спасибо Благодарностей получено 
    113
    Поблагодарили
    97 сообщений
    Mentioned
    0 Post(s)
    Tagged
    0 Thread(s)

    По умолчанию

    Цитата Сообщение от gdv2002 Посмотреть сообщение
    Отрисовал схему контроллера HDD, можно начинать платы разводить пожалуй.
    На схеме древняя ошибка в /IOR. R4 подсоединить на другой конец R2 (5DD6.2). И там ещё какая-то шина пулл-апилась резисторной матрицей... За основу лучше взять схему отсюда.
    МГТФ - любимый провод!
    KAY-1024(4096)/SL-4/TURBO v2010 + Nemo-FDC + Nemo-IDE (CF 4GB) + SMUC2 Rev.B RTC (HDD 1.6GB + DVD-ROM) + PROF-ROM + ZXMC2 + GENERAL SOUND 2MB + ZX-BUS_TEE + FDD 3.5' + FDD 5.25' + VGA&PAL

  7. #66

    Регистрация
    17.07.2013
    Адрес
    г. Курган
    Сообщений
    2,035
    Записей в дневнике
    2
    Спасибо Благодарностей отдано 
    123
    Спасибо Благодарностей получено 
    172
    Поблагодарили
    122 сообщений
    Mentioned
    1 Post(s)
    Tagged
    0 Thread(s)

    По умолчанию

    Цитата Сообщение от SoftFelix Посмотреть сообщение
    На схеме древняя ошибка в /IOR. R4 подсоединить на другой конец R2 (5DD6.2)
    Поправил

    Цитата Сообщение от SoftFelix Посмотреть сообщение
    И там ещё какая-то шина пулл-апилась резисторной матрицей...
    Два сигнала с винчестера, с 28,29 и 34 ножек, но пишется не устанавливать.


    Цитата Сообщение от SoftFelix Посмотреть сообщение
    За основу лучше взять схему отсюда.
    С неё и отрисовывал, периодически в оригинал от НЕМО заглядывал.
    С уважением, Дмитрий.
    Karabas-Go
    Pentagon-128 вер.2023+Turbo Sound+ZXM-GeneralSound
    ZXM-Phoenix 2048+Turbo Sound+ZXM-GeneralSound+ZXM-SoundCard Lite
    ZXM-Phoenix в Телеграмм

  8. #67

    Регистрация
    20.03.2007
    Адрес
    Санкт-Петербург
    Сообщений
    3,002
    Спасибо Благодарностей отдано 
    205
    Спасибо Благодарностей получено 
    113
    Поблагодарили
    97 сообщений
    Mentioned
    0 Post(s)
    Tagged
    0 Thread(s)

    По умолчанию

    Цитата Сообщение от gdv2002 Посмотреть сообщение
    Поправил
    Да, так правильно.\

    Цитата Сообщение от gdv2002 Посмотреть сообщение
    Два сигнала с винчестера, с 28,29 и 34 ножек, но пишется не устанавливать.
    Нет, там другое. 8 бит какой шины тянутся. Мне сейчас влом качать-искать - на работе...
    МГТФ - любимый провод!
    KAY-1024(4096)/SL-4/TURBO v2010 + Nemo-FDC + Nemo-IDE (CF 4GB) + SMUC2 Rev.B RTC (HDD 1.6GB + DVD-ROM) + PROF-ROM + ZXMC2 + GENERAL SOUND 2MB + ZX-BUS_TEE + FDD 3.5' + FDD 5.25' + VGA&PAL

  9. #68

    Регистрация
    17.07.2013
    Адрес
    г. Курган
    Сообщений
    2,035
    Записей в дневнике
    2
    Спасибо Благодарностей отдано 
    123
    Спасибо Благодарностей получено 
    172
    Поблагодарили
    122 сообщений
    Mentioned
    1 Post(s)
    Tagged
    0 Thread(s)

    По умолчанию

    Цитата Сообщение от SoftFelix Посмотреть сообщение
    Нет, там другое. 8 бит какой шины тянутся
    Я три схемы скачал, не нашёл таких (((
    С уважением, Дмитрий.
    Karabas-Go
    Pentagon-128 вер.2023+Turbo Sound+ZXM-GeneralSound
    ZXM-Phoenix 2048+Turbo Sound+ZXM-GeneralSound+ZXM-SoundCard Lite
    ZXM-Phoenix в Телеграмм

  10. #69

    Регистрация
    20.03.2007
    Адрес
    Санкт-Петербург
    Сообщений
    3,002
    Спасибо Благодарностей отдано 
    205
    Спасибо Благодарностей получено 
    113
    Поблагодарили
    97 сообщений
    Mentioned
    0 Post(s)
    Tagged
    0 Thread(s)

    По умолчанию

    Цитата Сообщение от gdv2002 Посмотреть сообщение
    Я три схемы скачал, не нашёл таких (((
    Да, на схеме нет. Посмотри печать на bottom есть место под матрицу, на фото она там чёрная припаяна. Посмотри на какие HDx она идёт.
    МГТФ - любимый провод!
    KAY-1024(4096)/SL-4/TURBO v2010 + Nemo-FDC + Nemo-IDE (CF 4GB) + SMUC2 Rev.B RTC (HDD 1.6GB + DVD-ROM) + PROF-ROM + ZXMC2 + GENERAL SOUND 2MB + ZX-BUS_TEE + FDD 3.5' + FDD 5.25' + VGA&PAL

  11. #70

    Регистрация
    17.07.2013
    Адрес
    г. Курган
    Сообщений
    2,035
    Записей в дневнике
    2
    Спасибо Благодарностей отдано 
    123
    Спасибо Благодарностей получено 
    172
    Поблагодарили
    122 сообщений
    Mentioned
    1 Post(s)
    Tagged
    0 Thread(s)

    По умолчанию

    SoftFelix, спс, гляну, резюки два, которые написано не устанавливать, наверное установлю, пусть будут, так правильнее.

    - - - Добавлено - - -

    - - - Добавлено - - -

    Обновил схему выше, добавлена подтяжка HD0-HD7.
    Последний раз редактировалось gdv2002; 26.01.2022 в 17:16.
    С уважением, Дмитрий.
    Karabas-Go
    Pentagon-128 вер.2023+Turbo Sound+ZXM-GeneralSound
    ZXM-Phoenix 2048+Turbo Sound+ZXM-GeneralSound+ZXM-SoundCard Lite
    ZXM-Phoenix в Телеграмм

Страница 7 из 19 ПерваяПервая ... 34567891011 ... ПоследняяПоследняя

Информация о теме

Пользователи, просматривающие эту тему

Эту тему просматривают: 1 (пользователей: 0 , гостей: 1)

Похожие темы

  1. Ленинград-1 + NEMO IDE
    от Andreyanov в разделе Ленинград
    Ответов: 85
    Последнее: 24.01.2021, 11:29
  2. Ответов: 5
    Последнее: 31.08.2018, 09:25
  3. NEMO IDE + Pentagon128
    от doc_fbi в разделе Pentagon
    Ответов: 30
    Последнее: 03.10.2015, 14:44
  4. NEMO IDE - SCHEMATICS
    от VELESOFT в разделе Внешние накопители
    Ответов: 2
    Последнее: 01.01.2010, 02:06
  5. Помогите разобратся с nemo ide
    от kndbbs AKA KND в разделе Внешние накопители
    Ответов: 7
    Последнее: 19.03.2009, 00:13

Ваши права

  • Вы не можете создавать новые темы
  • Вы не можете отвечать в темах
  • Вы не можете прикреплять вложения
  • Вы не можете редактировать свои сообщения
  •