User Tag List

Страница 6 из 21 ПерваяПервая ... 2345678910 ... ПоследняяПоследняя
Показано с 51 по 60 из 205

Тема: Накопитель на микрокассете

  1. #51

    Регистрация
    09.03.2015
    Адрес
    г. Петропавловск-Камчатский
    Сообщений
    210
    Спасибо Благодарностей отдано 
    39
    Спасибо Благодарностей получено 
    193
    Поблагодарили
    68 сообщений
    Mentioned
    1 Post(s)
    Tagged
    0 Thread(s)

    По умолчанию

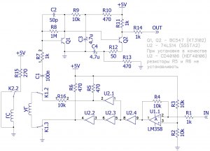
    Полная схема трактов записи/воспроизведения:



    Вдруг кто захочет старенький магнитофон модернизировать, ну или новый собрать .
    Последний раз редактировалось life; 30.07.2024 в 23:25.
    Ленинград-1+128+AY+BDI+FDD3,5, LUT-216, Мастер, недоLUT2017, Compact-256 Turbo,

    Эти 3 пользователя(ей) поблагодарили life за это полезное сообщение:

    ALS(31.07.2024), CodeMaster(29.07.2024), svofski(31.07.2024)

  2. #52

    Регистрация
    30.12.2018
    Адрес
    г. Москва
    Сообщений
    1,391
    Спасибо Благодарностей отдано 
    12
    Спасибо Благодарностей получено 
    387
    Поблагодарили
    348 сообщений
    Mentioned
    2 Post(s)
    Tagged
    0 Thread(s)

    По умолчанию

    Цитата Сообщение от life Посмотреть сообщение
    Полная схема трактов записи/воспроизведения:
    а если в качестве U2 применить 561ЛН2 (по известной схеме узла чтения с магнитофона) - то можно обойтись без U1.

    Зверинецъ

    Специалист (был когда-то "совсем стандарт") - 1988-2023
    Ленинград1 +256К +AY+BDI+VGA выход +Ethernet (Speccyboot) +Xmodem (115200)+divmmc
    Ленинград2 + CF карта
    Платформа 8085+Z80+CPLD (Специалист МХ2 +SD +FDD +PS/2kbd)
    БК0010-01 стоковый
    [свернуть]

  3. #53

    Регистрация
    09.03.2015
    Адрес
    г. Петропавловск-Камчатский
    Сообщений
    210
    Спасибо Благодарностей отдано 
    39
    Спасибо Благодарностей получено 
    193
    Поблагодарили
    68 сообщений
    Mentioned
    1 Post(s)
    Tagged
    0 Thread(s)

    По умолчанию

    Цитата Сообщение от Serg6845 Посмотреть сообщение
    а если в качестве U2 применить 561ЛН2 (по известной схеме узла чтения с магнитофона) - то можно обойтись без U1.
    Очень даже может быть, но ЛН2 в дипе не осталось, проверить к сожалению не могу.
    Когда пересобирал все с макетки на тестовую плату для нормальной проверки, обнаружил, что в схеме пропустил резистор с выхода 7414 на головку. Схему исправил, перезалил.
    Помню, был вроде копировщик, позволяющий копировать с двойной плотностью. Думаю им проверить на надежность записи/чтения самое то было бы. Подскажет кто?
    Ленинград-1+128+AY+BDI+FDD3,5, LUT-216, Мастер, недоLUT2017, Compact-256 Turbo,

  4. #54

    Регистрация
    09.03.2015
    Адрес
    г. Петропавловск-Камчатский
    Сообщений
    210
    Спасибо Благодарностей отдано 
    39
    Спасибо Благодарностей получено 
    193
    Поблагодарили
    68 сообщений
    Mentioned
    1 Post(s)
    Tagged
    0 Thread(s)

    По умолчанию

    Продолжим пожалуй, работа иногда отвлекает.
    Сначала информация для тех, кто вдруг захочет повторить сию поделку. ЛПМ, взятую за основу, необходимо доработать. Точней перепаять местами два провода на универсальной головке (серый и черный). Все дело в том, что на плате ЛПМ одни из выводов головок объединены и идут на общий на основной платы, при этом корпус универсальной головки идет также на общий платы, но через отдельный пин разъема. Может для записи звука это имеет некий сакральный смысл, в нашем случае пофиг.
    Здесь отметил какие нужно перепаять:


    Ну и для понимания переделки, распиновка до и после:


    Пересобрал тракты записи/воспроизведения на тестовую плату и прикрутил все для удобства на основу. Теперь имеем действующую модель устройства.
    Коммутация головок пока тремя джамперами. Реле в пути.


    Что хочу сказать. Запись/воспроизведение работает на ура. Скопировал несколько игр на ленту, читается устойчиво 100 процентов. Оно в принципе не может читаться плохо, посмотрел ослом картинку сигнала с пленки после сборки на плату, ну почти 4В размаха, причем уже с небольшим ограничением, это не возможно не прочитать


    Немного о том, как настраивал скорость. Я писал, что есть новый диктофон, но на нем только встроенный микрофон. Запустил на PC онлайн генератор 1кГц и записал звук с колонки. На осцилографе есть колибровочный выход 1кГц, синхронизировал по нему ослика и переключив на наш магнитофон, по картинке отстроил скорость ЛПМ.
    Теперь можно в плотную заняться управлением, пошуршим в закромах, посмотрим что из МК под это имеется.
    Ленинград-1+128+AY+BDI+FDD3,5, LUT-216, Мастер, недоLUT2017, Compact-256 Turbo,

    Эти 5 пользователя(ей) поблагодарили life за это полезное сообщение:

    Alex_NEMO(11.10.2024), AzAtom(03.07.2025), CodeMaster(03.08.2024), Dima_ZX(05.08.2024), Shumadan(04.08.2024)

  5. #55

    Регистрация
    04.04.2017
    Адрес
    г. Казань
    Сообщений
    570
    Спасибо Благодарностей отдано 
    113
    Спасибо Благодарностей получено 
    103
    Поблагодарили
    62 сообщений
    Mentioned
    0 Post(s)
    Tagged
    0 Thread(s)

    По умолчанию

    продолжение будет? Прошивку не выложите? Хотел тоже поэкспериментировать
    Юниор ФВ-6506, Балтик-48

  6. #56

    Регистрация
    09.03.2015
    Адрес
    г. Петропавловск-Камчатский
    Сообщений
    210
    Спасибо Благодарностей отдано 
    39
    Спасибо Благодарностей получено 
    193
    Поблагодарили
    68 сообщений
    Mentioned
    1 Post(s)
    Tagged
    0 Thread(s)

    По умолчанию

    Цитата Сообщение от Shumadan Посмотреть сообщение
    продолжение будет? Прошивку не выложите? Хотел тоже поэкспериментировать
    Еще как будет. Немного пришлось отвлечься, осень однако. Но потихоньку дело двигается. Полноценное управление на pic12f675, на котором была сделана тестовая плата, не возможно. Так как решил, что буду делать на том что найду в ящике, пришлось порыться в закромах. Подходящего пика не нашлось, точней нашлось но в дипе, что не вписывается в мои желания миниатюризации. И тут попалась на глаза горсть мега88, которые мне товарищ несколько лет назад принес. Почитал характеристики, подходит идеально. Пришлось сломать себя и переползти на AVR.
    На данный момент готова окончательная схема управления, все отлажено на макетах. Пришлось решать несколько задач, т.к. схемотехника всех этих автоответчиков подразумевает несколько напряжений.
    К слову, во всех телефонах с автоответчиком, отдельных автоотвечиках, факсах Панасоник (разумеется на микрокассетах), стоят такие ЛПМ. Это к слову доставаемости. На авито даже двухкассетные KX-T2100 запечатанные продают, а там аж 2 таких ЛПМ.
    Так вот про напряжения, двигатель нашего ЛПМ по даташиту 2-7В для нормальной перемотки лучше 6.5В, Соленоид - минимальное для уверенного втягивания 8В, удержание - максимум 3,5В иначе греется, ну и логика 5В.
    Вообщем что реализовано на данный момент:
    полноценнное управление, автостоп, четырех разрядный счетчик ленты, при воспроизведении и записи снижение тока на соленоиде.
    На днях выложу причесанную схему и прошивку под mega88 (скорей всего будет работать на 48 и 168)
    В дальнейшем добавлю поиск записи по счетчику.
    Ленинград-1+128+AY+BDI+FDD3,5, LUT-216, Мастер, недоLUT2017, Compact-256 Turbo,

    Эти 4 пользователя(ей) поблагодарили life за это полезное сообщение:

    CodeMaster(06.10.2024), Mihalich(06.10.2024), Shumadan(06.10.2024), svofski(06.10.2024)

  7. #57

    Регистрация
    09.03.2015
    Адрес
    г. Петропавловск-Камчатский
    Сообщений
    210
    Спасибо Благодарностей отдано 
    39
    Спасибо Благодарностей получено 
    193
    Поблагодарили
    68 сообщений
    Mentioned
    1 Post(s)
    Tagged
    0 Thread(s)

    По умолчанию

    Вообщем подумал, а чего тянуть? Если хоть еще одному человеку это интересно...
    Цельной схемы пока нет, т.к. изначально задача была поделена на модули. Собирались и проверялись они на
    макетке отдельно, затем, постепенно пересобираясь на временные платы, соединялись между собой для общих
    тестов. Так что пока в виде отдельных модулей:

    Модуль управления:

    По схеме. Ничего необычного. Кнопка KEY7 пока не задействована, на ней будет поиск.

    Модуль драйверов (управления ЛПМ):

    По схеме. U1 и U2 драйвер и стабилизатор двигателя. Q1 шунтирует стабилизатор при перемотке. Q2, Q3 -
    драйвер соленоида. Питающих напряжений два 8В и 6.5В, но об этом ниже.

    Модуль индикации:

    классика на 74hc595, такие есть на али готовые, сам пользую самосборные. В данном случае общий катод, если вдруг у кого с общим анодом, изменю прошивку.

    Модуль усилителей:

    Уже фигурировал в теме выше, только привел в соответствие с остальными модулями (добавил разъем)

    Теперь о питании, я пока не решил до конца как поступить. Применить один повышающий преобразователь на 8В
    со стабилизатором на 6.5В, либо два, каждый на свое напряжение. Но это дело третье...
    В конечном варианте я вижу двухплатное исполнение, управление и индикация - верх, звук и драйвера с питанием - низ. Ну и наверно надо на небольшой динамик "тот самый" звук вывести.

    Фьюзы для TL866II plus


    О прошивке. Пока разумеется без изысков. Все работает, но блокировок нет. Т.е. кнопки работают не через
    стоп. Если в момент воспроизведения нажать запись... начнется запись Поиск пока отключен. На PD2 при
    любых режимах должны присутствовать импульсы с ЛПМ, иначе срабатывает автостоп. Может воткнуть джампер
    для отключения на время тестов? Подумаю...
    Пока так.

    Прошивка:
    Вложения Вложения
    Ленинград-1+128+AY+BDI+FDD3,5, LUT-216, Мастер, недоLUT2017, Compact-256 Turbo,

    Эти 7 пользователя(ей) поблагодарили life за это полезное сообщение:

    Alex_NEMO(11.10.2024), anasana(08.10.2024), AzAtom(03.07.2025), CodeMaster(08.10.2024), Mihalich(10.10.2024), Shumadan(14.10.2024), svofski(08.10.2024)

  8. #58

    Регистрация
    24.01.2009
    Адрес
    Камышин
    Сообщений
    1,407
    Спасибо Благодарностей отдано 
    130
    Спасибо Благодарностей получено 
    10
    Поблагодарили
    7 сообщений
    Mentioned
    0 Post(s)
    Tagged
    0 Thread(s)

    Thumbs up

    life, приветствую!
    На мой взгляд - замечательный проект!
    Можно уточнить на счет функции кнопки "RESET" - обнуление счетчика?
    На счет драйвера двигателя - BA6218 - чем-то можно заменить? Например, на DRV8870 или RZ7886 или ещё что? MAX14872 - очень похож, самое главное, имеет по аналогии с BA6218 пин "COM", куда приходит сигнал с BA6220.
    Заказал на Авито якобы новый Panasonic KX-T2100 - посмотрим, что придет. Сервис-мануал нашел только на KX-T5100. Там только BA6220 есть.
    Цитата Сообщение от life Посмотреть сообщение
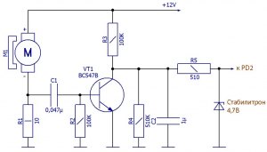
    На PD2 при любых режимах должны присутствовать импульсы с ЛПМ, иначе срабатывает автостоп.
    Как я понимаю, оптопары там нет? Можно попробовать такую простую схемку, для получения импульсов "вращения" двигателя:

    (по мотивам: http://dzen.ru/a/ZsVRF47xOwqvwUyQ).

    Для "счетчика ленты" планирую или индикатор с Али - 4-х разрядный 0,28 дюймов или на "наших" миниатюрных АЛС304/АЛС314 сделать. Девайс, все-таки миниатюрный должен быть. И счетчик подстать ему.

    И ещё вопрос - проект открытый или только хекс + схемы. Я, конечно, тот ещё программист, но на чей-либо основе могу модифицировать...
    Speccy-2007 + 48k(пока) + TR-DOS + ZX-VGA
    KAY-1024 v2010/SDCard HxC Floppy Emulator/Epson SD-700/ZX-VGA/.....

  9. #59

    Регистрация
    14.09.2012
    Адрес
    г.Севастополь
    Сообщений
    476
    Спасибо Благодарностей отдано 
    280
    Спасибо Благодарностей получено 
    81
    Поблагодарили
    58 сообщений
    Mentioned
    0 Post(s)
    Tagged
    0 Thread(s)

    По умолчанию

    Цитата Сообщение от Alex_NEMO Посмотреть сообщение
    Как я понимаю, оптопары там нет?
    На узле подмотки есть кольцевой магнит, рядом с ним геркон.

    Этот пользователь поблагодарил ALS за это полезное сообщение:

    Alex_NEMO(12.10.2024)

  10. #60

    Регистрация
    09.03.2015
    Адрес
    г. Петропавловск-Камчатский
    Сообщений
    210
    Спасибо Благодарностей отдано 
    39
    Спасибо Благодарностей получено 
    193
    Поблагодарили
    68 сообщений
    Mentioned
    1 Post(s)
    Tagged
    0 Thread(s)

    По умолчанию

    Цитата Сообщение от Alex_NEMO Посмотреть сообщение
    life, приветствую!
    Привет!

    Цитата Сообщение от Alex_NEMO Посмотреть сообщение
    Можно уточнить на счет функции кнопки "RESET" - обнуление счетчика?
    Да.

    Цитата Сообщение от Alex_NEMO Посмотреть сообщение
    На счет драйвера двигателя - BA6218 - чем-то можно заменить? Например, на DRV8870 или RZ7886 или ещё что? MAX14872 - очень похож, самое главное, имеет по аналогии с BA6218 пин "COM", куда приходит сигнал с BA6220.
    Заказал на Авито якобы новый Panasonic KX-T2100 - посмотрим, что придет. Сервис-мануал нашел только на KX-T5100. Там только BA6220 есть.
    Драйвер подобрать можно, только в Т2100, как и в Т5100, он походу не нужен. Тоже вчера перед покупкой пытался найти схему или сервис мануал, не нашел. Зато нашел фото потрохов, а там сюрприз:

    Двух кассетный ЛПМ с програмными шестернями, что упрощает управление, нужно только на рабочем автоответчике замерить длительность импульсов на электромагниты при включении всех режимов. А двигатель стабильно крутится в одну сторону.

    Цитата Сообщение от Alex_NEMO Посмотреть сообщение
    И ещё вопрос - проект открытый или только хекс + схемы. Я, конечно, тот ещё программист, но на чей-либо основе могу модифицировать...
    Код чуть приведу в порядок и выложу. Пока идут изменения.
    Ведь знал же, что ШИМ на индуктивную нагрузку идея не очень, но все же решил сожрать свой кактус. Если от линейного БП как-то все работало, то когда вчера собрал все так как планировал, входные 5В и два повышающих преобразователя на 6,5 и 8В, при включении ШИМ схема сходит с ума, особенно в части счетчика и автостопа. Можно конечно решить, но оно того не стоит. Будет как в оригинале, японцы все же не дураки, кратковременная подача высокого, и снижение до примерно 3,5 вольт. Лишний вывод под это есть.
    Так что схема модуля управления и модуля драйверов слегка изменятся, собственно как и прошивка.
    Все бы в первое сообщение, но тема не моя...
    Ленинград-1+128+AY+BDI+FDD3,5, LUT-216, Мастер, недоLUT2017, Compact-256 Turbo,

    Эти 2 пользователя(ей) поблагодарили life за это полезное сообщение:

    Alex_NEMO(14.10.2024), AzAtom(03.07.2025)

Страница 6 из 21 ПерваяПервая ... 2345678910 ... ПоследняяПоследняя

Информация о теме

Пользователи, просматривающие эту тему

Эту тему просматривают: 1 (пользователей: 0 , гостей: 1)

Похожие темы

  1. Накопитель на микро кассете
    от vladosis в разделе Внешние накопители
    Ответов: 7
    Последнее: 05.10.2025, 13:05
  2. как отличить 360k накопитель
    от sergey2b в разделе Внешние накопители
    Ответов: 17
    Последнее: 20.08.2018, 16:22
  3. Продам накопитель на магнитной ленте - стиммер
    от backa в разделе Барахолка (архив)
    Ответов: 0
    Последнее: 30.11.2010, 11:51
  4. Продам накопитель на МЛ на Z80
    от RedLine в разделе Барахолка (архив)
    Ответов: 23
    Последнее: 29.11.2010, 11:55
  5. Куплю/поменяю на что-нибудь любой накопитель для MSX
    от ALEXEY.GORDEEV в разделе Барахолка (архив)
    Ответов: 0
    Последнее: 23.10.2009, 20:41

Ваши права

  • Вы не можете создавать новые темы
  • Вы не можете отвечать в темах
  • Вы не можете прикреплять вложения
  • Вы не можете редактировать свои сообщения
  •