Харьков 48/128 ремонт,схема,доработка
Схема Харьков-48, любезно собранная Gor - https://drive.google.com/file/d/0B-3...ew?usp=sharing
Появилось время ,решил поднять старенький Харьков 48 расширенный до 128 кб.
Поставил немного блокировочников ,КМ отсутствовали.
При запуске тестового ПЗУ тест нижний памяти проходит ,верхней сбой ,но с этим разберусь позже (раздельные поля памяти)
http://s017.radikal.ru/i423/1507/8c/fa7192faf806t.jpg http://i024.radikal.ru/1507/ce/0a0010fd5cc7t.jpg
Первое что надо победить это при остановке теста нижняя память #4000-#7FFF (D38-D45) начинает сыпаться в шахматном порядке по всем 8 битам ,процессоры ставил разные. Покалдовав с осциллографом не очень нравится цепь RAS для нижней памяти при чем начиная с D4 в11 и D7 в12 ,какая то куча гармоник по сигналу ,хотя может и кажется . В общем грешу на формирование RAS и мультиплексоры перебора адреса регенерации. На озу не грешу так как сбои по всем битам. Что скажут уважаемые гуру ?
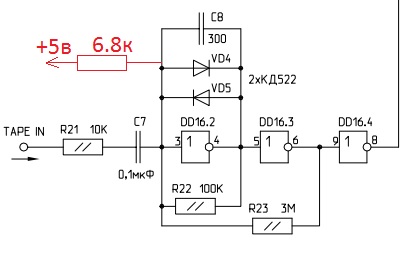
Схему тут найти не смог ,та что есть имеет не критичные несовпадения по порядковым номерам конденсаторов и резисторов. Все кликабельно.
http://s019.radikal.ru/i638/1507/49/f391866efe8bt.jpg http://s011.radikal.ru/i318/1507/44/57448f5509d0t.jpg
Темы по Харькову 48 (модели 128 в природе не существует как некоторые писали, есть просто доработка, ее видно на моей плате)-
http://zx-pk.ru/threads/22354-che-za...345#post655345
http://zx-pk.ru/showpost.php?p=551092&postcount=1
http://zx-pk.ru/threads/24114-pomogi...l=1#post745500
http://zx-pk.ru/threads/27149-trebue...spectrum!.html