Важная информация

User Tag List

Страница 1 из 6 12345 ... ПоследняяПоследняя
Показано с 1 по 10 из 58

Тема: Харьков 48/128 ремонт,схема,доработка

  1. #1

    Регистрация
    14.05.2015
    Адрес
    г. Харьков, Украина
    Сообщений
    2,940
    Спасибо Благодарностей отдано 
    150
    Спасибо Благодарностей получено 
    302
    Поблагодарили
    171 сообщений
    Mentioned
    4 Post(s)
    Tagged
    1 Thread(s)

    По умолчанию Харьков 48/128 ремонт,схема,доработка

    Схема Харьков-48, любезно собранная Gor - https://drive.google.com/file/d/0B-3...ew?usp=sharing

    Появилось время ,решил поднять старенький Харьков 48 расширенный до 128 кб.

    Поставил немного блокировочников ,КМ отсутствовали.
    При запуске тестового ПЗУ тест нижний памяти проходит ,верхней сбой ,но с этим разберусь позже (раздельные поля памяти)



    Первое что надо победить это при остановке теста нижняя память #4000-#7FFF (D38-D45) начинает сыпаться в шахматном порядке по всем 8 битам ,процессоры ставил разные. Покалдовав с осциллографом не очень нравится цепь RAS для нижней памяти при чем начиная с D4 в11 и D7 в12 ,какая то куча гармоник по сигналу ,хотя может и кажется . В общем грешу на формирование RAS и мультиплексоры перебора адреса регенерации. На озу не грешу так как сбои по всем битам. Что скажут уважаемые гуру ?

    Схему тут найти не смог ,та что есть имеет не критичные несовпадения по порядковым номерам конденсаторов и резисторов. Все кликабельно.




    Темы по Харькову 48 (модели 128 в природе не существует как некоторые писали, есть просто доработка, ее видно на моей плате)-

    http://zx-pk.ru/threads/22354-che-za...345#post655345
    http://zx-pk.ru/showpost.php?p=551092&postcount=1
    http://zx-pk.ru/threads/24114-pomogi...l=1#post745500
    http://zx-pk.ru/threads/27149-trebue...spectrum!.html
    Последний раз редактировалось JV-Soft; 05.12.2016 в 13:19.
    Увы общий формат форума вышел из рамок моего любимого места , более тут не бываю.

    Этот пользователь поблагодарил JV-Soft за это полезное сообщение:

    Exany_Babay(27.10.2021)

  2. #1
    С любовью к вам, Yandex.Direct
    Размещение рекламы на форуме способствует его дальнейшему развитию

  3. #2

    Регистрация
    14.05.2015
    Адрес
    г. Харьков, Украина
    Сообщений
    2,940
    Спасибо Благодарностей отдано 
    150
    Спасибо Благодарностей получено 
    302
    Поблагодарили
    171 сообщений
    Mentioned
    4 Post(s)
    Tagged
    1 Thread(s)

    По умолчанию

    Небольшое продолжение ,таки поменял D4 , RAS стал чистым , компьютер заработал ,погонял на тесте часа полтора сбоев нет.
    НО ! проблема с сдвиговыми регистрами , не отображается первый бит всех знакомест ,на фото видно , поменял сдвиговый регистр на который заходит первый бит (D13) ,ничего не изменилось , перерезал дорожку и посадил вторую ногу D13 на +5в(лог 1) , первый бит по знакоместам не появился.
    Далее посадил на +5в восьмой бит (выв 5 D14) знакоместа отображают и первый и восьмой бит ! А должен отображаться только восьмой ! Сигнал 7 мгц для сдвига чистый ,сигнал защелкивания D13 и D14 тоже в норме (как на мой взгляд)
    Но и на D14 не грешу так как 7 бит нормально ведь прокручивает.
    Вот мне поломки загадочные попадаются , гуру железа может было такое у кого ?

    Что до замены D13 ,что после ,первого бита нет


    Восьмой бит посажен на +5в (лог 1) , в знакоместах при этом отображается и восьмой и первый бит.
    Увы общий формат форума вышел из рамок моего любимого места , более тут не бываю.

  4. #3

    Регистрация
    16.12.2009
    Адрес
    Харьков
    Сообщений
    4,735
    Спасибо Благодарностей отдано 
    365
    Спасибо Благодарностей получено 
    378
    Поблагодарили
    241 сообщений
    Mentioned
    11 Post(s)
    Tagged
    1 Thread(s)

    По умолчанию

    JV-Soft, как по мне, так кз между 0 и 7 битами шины данных на сдвиговом регистре. прозвони их между собой. может сопля между ними.
    Profi must live!

    Моё железо...

    1. Profi 5.06/1Mb(DRAM)+Profi5.06(UP)/HDD/3`5FDD/CF512Mb/SD-CARD
    3. Profi 6.2 Rev. B/1Mb/3`5FDD/HDD3.2Gb
    4. Profi 5.05(down)/1Mb+Profi 5.03(UP)/Pentagon_Fix
    Все укомплектованы:
    Profi_ZX-BUS/ZXMC2/NemoIDE/SounDrive
    [свернуть]

    Ссылка на Telegram-канал поддержки пользователей Profi.

  5. #4

    Регистрация
    14.05.2015
    Адрес
    г. Харьков, Украина
    Сообщений
    2,940
    Спасибо Благодарностей отдано 
    150
    Спасибо Благодарностей получено 
    302
    Поблагодарили
    171 сообщений
    Mentioned
    4 Post(s)
    Tagged
    1 Thread(s)

    По умолчанию

    Цитата Сообщение от solegstar Посмотреть сообщение
    JV-Soft, как по мне, так кз между 0 и 7 битами шины данных на сдвиговом регистре. прозвони их между собой. может сопля между ними.
    Проверил в первую очередь ,замыкания нет , и сигналы поступающие на регистры не по каким битам не просажены. Поэтому и ломаю голову , хочется силой мысли победить ,а не выдергивать с заменой все вокруг.

    Мыслите Вы очень логично ,может еще ,что то я упустил ?

    ---------- Post added at 22:47 ---------- Previous post was at 22:41 ----------

    Загадка еще в том ,что подавая лог 1 по первому (ир16 D13 поменял) биту он не отображается, и D14 ведь прокручивает через себя 8,7,6,5,4,3,2 бит нормально значит по логике в D14 проблемы быть не должно.
    А на фото видно ,что на каждый первый бит ,попадает дубль восьмого бита.



    ---------- Post added at 23:05 ---------- Previous post was at 22:47 ----------

    Остается грешить тьлько на цепь формирующую защелку регистров D13 ,D14 ,счетчик D3 вряд ли , Выходит или элемент D5 (ла3) что так же вряд ли ,все бы глючило.
    Остается элемент ЛИ1 (на схеме не видно его обозначения ,на него идет выв 12 D1.6) ,или не туда я мыслю ?
    Последний раз редактировалось JV-Soft; 10.07.2015 в 22:57.
    Увы общий формат форума вышел из рамок моего любимого места , более тут не бываю.

  6. #5

    Регистрация
    25.11.2007
    Адрес
    Симферополь
    Сообщений
    2,164
    Спасибо Благодарностей отдано 
    1
    Спасибо Благодарностей получено 
    3
    Поблагодарили
    3 сообщений
    Mentioned
    0 Post(s)
    Tagged
    0 Thread(s)

    По умолчанию

    может стоит емкостью на землю - задать задержку сигнала защелкивающего биты ?
    Amiga 1200+Blizzard 1260 72 Mb+Mtek 68030,Compozit 128, Leningrad 2,
    Atari STE 1040,ZX Spectrum +2,Pentagon 48, Speccy2007 - 2 , ATAS 256k.
    ZX Evo 4Mb- в строю.
    Speccy2010 v1
    Специалист (пока готовлюсь к восстановлению).
    Это все мое!
    Родное!
    Все люблю на свете я! Это родина моя!

  7. #6

    Регистрация
    14.05.2015
    Адрес
    г. Харьков, Украина
    Сообщений
    2,940
    Спасибо Благодарностей отдано 
    150
    Спасибо Благодарностей получено 
    302
    Поблагодарили
    171 сообщений
    Mentioned
    4 Post(s)
    Tagged
    1 Thread(s)

    По умолчанию

    Цитата Сообщение от balu_dark Посмотреть сообщение
    может стоит емкостью на землю - задать задержку сигнала защелкивающего биты ?
    Тоже пробовал в самом начале.

    Итог , ставя щуп осциллографа на вывод 7 счетчика D3 идет срыв синхронизации , подсадка сигнала ,и что то похожее на подглюкивание , хотя частота там не большая 437 кгц ,по остальным выходам все ок , поменял ИЕ7 и вот кто бы мог подумать

    Кстати ЛЛ1 и ИЕ7 стоят рядом (обвел на фото) ,возможно что то когда то туда упало и коротнуло.

    ну и к scart естественно подключил. Такое вот ПЗУ под руку попалось не помню от чего.


    Итог ,поменял три микросхемы D4 ЛЛ1 глючил RAS ,D3 ИЕ7 ,и зря поменял D13 ИР16 она была рабочая. Еще менял в начале кварц на всякий случай.


    Теперь нужно к этому компу найти BDI ,по мере продвижения буду тут постить результаты.


    P.S. На днях отсканирую нормально схему , прикреплю в первый пост ,так как ни тут не в инете не смог найти.

    Восстановить Харьков 48/128 еще очень хотелось по той причине ,что именно с такой модели в 1987 году началось мое увлечение ZX-Spectrum мой одноклассник Андрей позвал меня в гости ,его отец работал в училище электронщиком и собрал такой вот Харьков 48 , первая игра которую я увидел была Alien8 , мне тогда десятилетнему пацану крышу оторвало
    Последний раз редактировалось JV-Soft; 11.07.2015 в 14:49.
    Увы общий формат форума вышел из рамок моего любимого места , более тут не бываю.

  8. #7

    Регистрация
    14.05.2015
    Адрес
    г. Харьков, Украина
    Сообщений
    2,940
    Спасибо Благодарностей отдано 
    150
    Спасибо Благодарностей получено 
    302
    Поблагодарили
    171 сообщений
    Mentioned
    4 Post(s)
    Tagged
    1 Thread(s)

    По умолчанию

    solegstar, Вы давно на форуме , где то тут проскакивала схема читалки магнитафона ,не могу найти , помоему на ЛН , очень простая и хвалили ее , не помните случайно ?
    В этом Харьков 128 стоит 561ЛН2 на магнитофон ,обвязка выпаена.
    Увы общий формат форума вышел из рамок моего любимого места , более тут не бываю.

  9. #8

    Регистрация
    16.12.2009
    Адрес
    Харьков
    Сообщений
    4,735
    Спасибо Благодарностей отдано 
    365
    Спасибо Благодарностей получено 
    378
    Поблагодарили
    241 сообщений
    Mentioned
    11 Post(s)
    Tagged
    1 Thread(s)

    По умолчанию

    JV-Soft, в пентагоне 128 же на лн2 сделано. еще в профи, на sblive есть схемы - http://sblive.narod.ru/ZX-Spectrum/index.htm
    Profi must live!

    Моё железо...

    1. Profi 5.06/1Mb(DRAM)+Profi5.06(UP)/HDD/3`5FDD/CF512Mb/SD-CARD
    3. Profi 6.2 Rev. B/1Mb/3`5FDD/HDD3.2Gb
    4. Profi 5.05(down)/1Mb+Profi 5.03(UP)/Pentagon_Fix
    Все укомплектованы:
    Profi_ZX-BUS/ZXMC2/NemoIDE/SounDrive
    [свернуть]

    Ссылка на Telegram-канал поддержки пользователей Profi.

  10. #9

    Регистрация
    14.05.2015
    Адрес
    г. Харьков, Украина
    Сообщений
    2,940
    Спасибо Благодарностей отдано 
    150
    Спасибо Благодарностей получено 
    302
    Поблагодарили
    171 сообщений
    Mentioned
    4 Post(s)
    Tagged
    1 Thread(s)

    По умолчанию

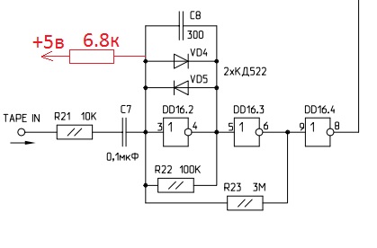
    Порт магнитофона ,обвесил 561ЛН2 по схеме пентагон 48 ,все номиналы как по схеме ,диоды ставил разные ,не в какую не хотела работать пока не поставил резистор 6,8 ком (красный по схеме) , после этого работает отлично. Можно теперь забрать на дачу и в дождливый день будет чем заняться
    Нажмите на изображение для увеличения. 

Название:	p48.jpg 
Просмотров:	558 
Размер:	22.1 Кб 
ID:	52826

    Разобравшись с загрузкой тапков выяснилось ,что клава практически не работает ,так как вытравлена из текстолита ,он окислился до черноты,а на резиновых клавишах приклеена алюминиевая фольга.
    Тут я понял что особо ничего сделать не смогу ,так как зачистив мелкой наждачкой текстолит это поможет не на долго. В голову пришла мысль ,у меня есть товарищ химик , позвонил ему ,объяснил суть , он сказал бери и приходи с компом

    После зачистки контактных площадок он взял регулируемый БП , провода и два крокодила ,на один намотал ваты окуная в какую то жидкость (формулу так и не раскрыл) , начал ставя минусовой провод БП на дорожки что идут к площадкам ,водить плюсовым проводом с ватой по ним , площадки тут же покрываются каким то темноватым как металл серым покрытием , после чего сказал что теперь медь не будет окисляться ,и с алюминиевой фольгой буде отличный контакт.
    Я конечно скептически отнесся ,отблагодарил товарища и пошел домой.

    Каково же было мое удивление когда собрал клаву и попробовал печатать , не герконовая конечно ,но с легкостью и комфортом можно даже кодить ,очень отзывчива !

    Плата после чистки наждаком


    Плата после покрытия чудо раствором


    Сборка
    Увы общий формат форума вышел из рамок моего любимого места , более тут не бываю.

  11. #10

    Регистрация
    27.02.2005
    Адрес
    москва
    Сообщений
    14,317
    Записей в дневнике
    1
    Спасибо Благодарностей отдано 
    203
    Спасибо Благодарностей получено 
    1,478
    Поблагодарили
    964 сообщений
    Mentioned
    18 Post(s)
    Tagged
    0 Thread(s)

    По умолчанию


Страница 1 из 6 12345 ... ПоследняяПоследняя

Информация о теме

Пользователи, просматривающие эту тему

Эту тему просматривают: 1 (пользователей: 0 , гостей: 1)

Похожие темы

  1. ВЕСТА ИК-30 - схема и доработка.
    от Grey в разделе Ленинград
    Ответов: 37
    Последнее: 14.12.2022, 19:53
  2. Индексный сигнал доработка
    от Djoni в разделе Внешние накопители
    Ответов: 4
    Последнее: 19.04.2013, 23:05
  3. Схема и ремонт БК0010-01 - нужна помощь
    от dk_spb в разделе БК-0010/0011
    Ответов: 11
    Последнее: 03.06.2010, 09:17
  4. Доработка Дельта-С
    от paul444 в разделе Дельта-С
    Ответов: 4
    Последнее: 07.01.2009, 12:21
  5. непонятная доработка, мож кто уже видел.
    от Sayman в разделе Несортированное железо
    Ответов: 6
    Последнее: 27.12.2008, 08:54

Ваши права

  • Вы не можете создавать новые темы
  • Вы не можете отвечать в темах
  • Вы не можете прикреплять вложения
  • Вы не можете редактировать свои сообщения
  •