Способы подключения АГАТ'а к монитору VGA или SCART TV
Доброго времени ! Буквально сегодня в мои руки попал Агат 7, комп с проблемой, но прежде чем решать проблему, компьютер нужно подключить к монитору или на крайний случай к телефозору через SCART или компонентный вход. Поискав на ветви Агата - ничего подобного не нашел. Неужели все используют Агат с родными советскими мониторами ?
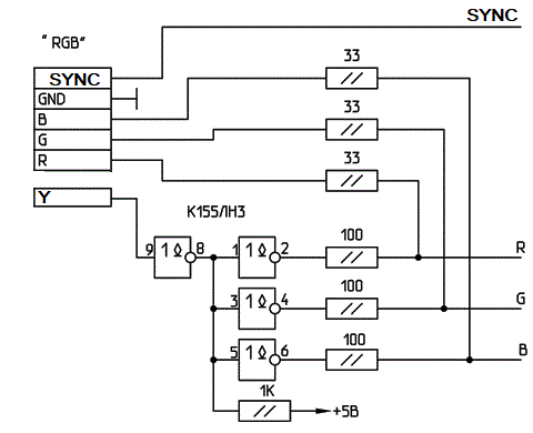
В этой ветви я надеюсь прояснить максимум способов подключения Агата к современным системам вывода информации, как то SVGA дисплей DSUB или DVI или HDMI ну или к ТV приемнику при помощи какого либо стандартного входа.
Я на данный момент сейчас вижу вижеосигнал Агата только через логический анализатор, и понимаю по показаниям что Агатик показывает шахматку.
Для подключения всех остальных компов к VGA или HDMI мониторам я использовал GBS8220 - китайский скандаблер. Но сигнал Агата он отказывается понимать, ни как RGBHV ни как компонентный... Может это из за сильной компонентности сигнала Агата, все отдельно, включая сигнал гашения при обратном ходе...
В общем, подскажите пожалуйста, как вы подключаете ваши Агаты к каким либо современным средствам отображения информации ?!? Заранее благодарен !