С доработкой все впорядке :smile: это Ленинград очень чувствителен, замени лудше ИР9 на две ИР16, мне помогло когда я столкнулся с такойже проблемой.
Вид для печати
ну дык на чувствительности к задержкам на элементах вся схема Ленинграда построена, поэтому универсальных схемных решений для всех компов никогда и не будет. В замене ИР9 на ИР16 есть только одно отличие - SCR меньше запаздывает за счёт отсутствия задержки на D34.5. если такого сдвига хватит, то и хорошо, но то же самое тогда можно попробовать сделать проще, и не меняя ИР9 на ИР16, а заменить цепочку из D10.2 и D34.5 на один элемент ИЛИ 1533лл1 (обязательно1533, или более быстродействующие серии, имеющие малую задержку распространения), а ещё лучше до кучи и D40 (ЛА4) заменить на 1533. Можно попробовать и ещё один способ формирования сигнала /SCR с помощью пары диодов соединённых вместе катодами (-) подключенными к 1D33 и резистора 1к от этого же вывода на землю. Анодами (+) диоды подключаются к выводам 5 и 4 D10.2.
менял я SCR - ни какого результата, видимо придётся менять ИР9 на 2 ИР16.
Кстати, есть у меня к155ир1 и к555ир16, если их вдвоём поставить нормально будет или поискать ир16?
на вот это:
тоже менял - таже фигня, только все пиксели мельтешат.
70 нс, но её я уже убрал - и результат тот же!!!!
такое впечатление что мы не в ту сторону смотрим...ПЗУ тут ни причём!!!
цеплять "доработки" на неотлаженную схему - плохая идея, так не делают.
картинки по краям экрана дай что я просил
по краям экрана всё чётко, сфоткать не могу - фотик плохой, ничего не видно.
Проблему решил конденсатор 1n на 4 выводе D10.
Сигнал BLANK сделал на ТМ2. Показывает просто замечтательно!!!
Ты по какой схеме нумерацию D10 указываешь? Если по той что у fan`а на сайте, то ты, имхо, имел ввиду ЛЕ1? Так вот вопрос, конденсатор ты вторым выводом на общий садил или на +5в. А то попалась мне схема в которой как раз в этом месте конденсатор емкостью 33n именно на +5в подключен. Странно, не встречал раньше такого.
нумерация стандартная, схема эквивалентна подключению RC цепочки на 1ИР9
Подключил свою САНТАКУ к телику и получил вот такое. В чем косяк?:confused::v2_cry::v2_cry:
телик Селена 51ЦТВ421Д, у парня , который отдал спек мне, телик Горизонт 418 и все прекрасно пашет.
подключались по одной схеме (она была приведена в документации Сантаки):v2_conf2:
А что это за переключатель и что он коммутирует?
PS. Синхронизаций нету ни одной. Может твоя Селена требует проинвертированные сигналы?
переключает синхру на спекавскую и второй половиной подает +12в на микруху (переключение между режимами)
возможно, хотя странно, Селена собрана на базе Горизонта, и микрухи использует одинаковые:confused:
посмотрю в чем может быть разница - мало ли что они там могли нахимичить.
....подскажите у какого из нынешних спеков самый толковый видео выход (от микросхем до разъема, т.е. аналоговая часть схемы). просто в Сантаке эта самая часть собрана на отдельной плате и занимает она одну треть места в корпусе, думаю стоит взять какую нить толковую схему, развести её и поставить вместо родной (и место освободится для чего нить еще:))
Да хрен его знает, как тебе тут подскажешь когда не известно что за сигналы у тебю на выходе и в каком виде, как сформированы и т.п. А какие сигналы нужны на входе твоего моника/телика... Схемы примерно все одинаковы - бери любую, ну вот хотя бы от Лениградки у Фана на сайте, там правда микруха применена 1НТ251, но я вместо нее взял 4 n-p-n безкорпусных транзистора, любые какие были под рукой и спаял их на кусочке платки размером с эту микросхему - ничего получилось.
Самый толковый видеовыход был у Байта, но очень уж замысловато и деталей много, в Балтике я вообще без транзисторов обходился - RGB подавал на 555ЛП5 и с ее выходов на резисторах делители делал, диоды на BRight. ЛП5 удобна тем что можно легко инвертировать сигнал на выходе если на второй вход подать противоположное состояние. В общем вопрос слишком обширный, а исходной информации не достаточно...
у меня такая же проблема
я так понимаю ты ее еще не решил???
вот фотка изображения через тв-тюнер:
Вложение 9151
кроме этой доработки у меня еще стоит РС цепочка + прикрутка к черному
прикрутка к черному с этой доработкой (РОМ + прошивка) вообще будет помогать?
этого сайта больше нет
может быть у кого осталась эта прошивка???
хочу проверить, может поможет
King - сорри но не знаю твоего имени. а ты не смотрел случаем-недавно пролетала ссылка на подключение ргб видео источника к лсд матрице? было это в контексте с мсх2 ямахой. схема на одном пике вроде- попробуй такое собрать - будет у тебя тогда нормальный ргб монитор.
ПыСы собсно только через минуту придумал как закончить пост - имхо собственный монитор да еще лсд будет поприятнее чем телетюнер
ну судя по картине - гдето емкость стоит более чем необходимая.скорее всего на сигнале зависящем от бордюра и разрешающем сдвиг данных в ИР16 или ИР9(смотря что стоит) посмотрел схемку только что(насколько помню - речь о Ленинграде идет) для полноты картины покажи 2 картинки - первая в режиме 48к сразу после сброса(копирайт строку тобиш) и вторую - набери 32 символа в строке(можно числа от 0 до 9 на увеличение) тогда проще будет понять гди именно баг. и скажи - какие доработки касательно именно Ленинград-48 ты сделал( расширение до 128к и муз проц - не интересуют)
P.S. а вот это http://www.zx.pk.ru/showthread.php?t...ED%E3%F0%E0%E4
не делал случаем? если делал - мог переборщить с емкостью.
http://jeweldesign.de/screenshots.jpg
cделал именно это: http://www.zx.pk.ru/showpost.php?p=27692&postcount=4
Добавлено через 6 минут
тоже сделал
емкость 330пФ + переменное сопротивление 220ом
вот снимки. % это поворот резистора (0% = 0ом 100% = 220ом)
без цепочки изображение с мусором (точно такое как на картинке где 0%)
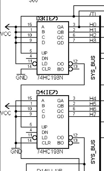
показать можеш что к какому пину идет в микросхеме D3(ие7 или C139N) на которой формируется Н2 и проверь пайку ( ну или работоспособность) D10(LE1) и D34 (LN1) в купе с проверкой соединения между собой всех ног куда идет Н2 .
кстати если у тебя все собрано на ROM - а ты не догадался подать с нее инверсный сигнал на 15 ногу D36(КП11) если не догадался - подай через инвертор.
ПыСы кстати на 40% резистора - изображение то что надо( исчезли полоски на 128к меню)
спасибо за совет завтра проверю
пайка хорошая + детали новые все
без этой доработки показывает почти как надо только с синхрой проблемы
Вложение 9158
попробуй еще ради прикола в разрыв ргб и телека в недоработанной схемы поставить электролиты микрофарад на 47 плюсом в сторону спека. возможно синхра наладится
тогда таки покажи обвязку счетчиков которые эти самые Н0...Н7 выдают и покажи обвязку сдвиговых регистров и мультиплексоров на цвет. уверен что залипух никаких нет на плате? (хотя раз есть в недоработаном видео все изображение - значит походу нет залипух. ) возьми схему ленина и в паинте дорисуй руками - где ты что отрезал а где что с чем соединил. это поможет и тебе еще раз перепроверить монтаж и мне - разобраться чего как. полное впечатление что мультиплексор атрибутов опаздывает ровно на одно знакоместо.
выведи вертикальную полоску из папера от 7 до 0 в каждую строку( да или хотя бы только в первую) но нужно посмотреть именно в цвете - глянуть надо это просто запаздывание или же сдвиг на один атрибут.
Добавлено через 18 минут
сорри если тупой вопрос - ты перед подачей сигнала инвертированного на 15ю ногу - отрезал ее от остальной схемы? убедился осцилографом или лог тестером что больше там на ней никаких сигналов нет?
кстати - прочти это http://zx.pk.ru/showpost.php?p=105899&postcount=33
и
http://zx.pk.ru/attachment.php?attac...0&d=1139623357
еще раз перечитал весь это тред,перечитал о способе врезки доработки на ПЗУ и схему Ленинград - возник вопрос . а как непосредственно в твоем компе подается сигнал с 6 ноги Д11(ЛП5) на тюнер или там на ПАЛ кодер? размах этого сигнала должен быть 0.7-1В не больше! если будет идти с размахом ТТЛ уровня - будут проблемы! для согласования уровня - самый простой метод для тестирования(тоесть без расчета и подбора элементов: берется подстроечный резистор килоома на 6.8 либо 10к вержняя его нога подключается через емкость к 6й ноге Д11 средняя нога резистора через вторую емкость - подключается к видеокарте/телевизору/твтюнеру(нужное подчеркнуть) и нижняя нога резистора - сидит на земле. вращая резистор получаем размах сигнала на входе видеокарты/телевизора/твтюнера(нужное подчеркнуть) равный 0.7 В и показываем результат в виде фото - сюда. ( рекомендую этот опыт провести на компе без пзушечной доработки на котором был сделан скрин с цветом но неустойчивой синхрой)
залипух никаких нет
15ю ногу отрезал от остальной схемы
читал это http://zx.pk.ru/showpost.php?p=105899&postcount=33
http://zx.pk.ru/attachment.php?attac...0&d=1139623357
там еще есть совет новую прошивку поставить но там этого сайта уже не существует
в компе подается сигнал с 6 ноги Д11(ЛП5) на синхру скарта (ТВ) а на тюнер подается сигнал ВИДЕО от R13
какая именно емкость???
Вот сделал пока снимок как я переделал Д4 для кварца 14МгЦ
Вложение 9168
А вот как на схеме было до переделки
Вложение 9169
Других кварцев у меня нету поэтому не пробивал другой поставить
Спасибо тебе огромное за помощь и за реальный интерес помочь !!!
этот разрыв опять востановил и черная полоска ушла
:v2_yahoo: :v2_yahoo: :v2_yahoo:
скорее всего сигнал вордер неправильно на РОМе выполнялся
сигнал этот теперь по ходу от ленина идет
сделал это дело с сопротивлением 4,7к и двумя кондерами 10мкф
синхра получилась стабильной на телеке и монике
но только на ТВ тюнере збиваеться
отлично - почти то что требовалось получить! а основное устройство отображения у тебя какое? надеюсь не TVTuner? для пущей уверенности что все как надо и нигде цвет не пропадает - загрузи тест прогу ,ну или сам напиши , которая выведет цвета и градации в полосках вертикальных. там в цикле внешнем меняется цвет папера а во внутреннем брайт от нуля до одного и выводится за раз по 2 пробела принтом - 23 строки.
а потом покажи картинку.
то что мы нагородили на подстроечнике и двух емкостях убирает из нашего видеосигнала постоянную составляющую и уменьшает размах сигнала. я в прошлом, когда юзал эту схему использовал от 22 до 47 мкф емкости. не помню по какому параметру я емкость подбирал.
тогда цель достигнута - осталось чебуратора потрясти на приаттачить все чего у него было на сайте а сейчас кудато сгинуло