Да, это объясняет ту небольшую засветку вверху экрана...
Вид для печати
Improver, мой монитор сверху экрана скорее наоборот темнит. Не сильно, но, пока не прогреется, заметно.
Кстати, вчера еще заметил, что львиная доля моих помех на экране связаны с плохими контактами в шнуре питания. Если его удачно пошевелить, то все тихо. Если его особенно смело шевелить, Вектор приходится перезагружать. Помыл штекеры контакт-клинером. Стало пожалуй лучше, но механическую раздолбанность разъемов это конечно не вылечило. Вообще проводок от БП у меня главный кандидат на радикальную замену. Такими хлипкими проволочками 2.5 ампера прокачивать, это почти беспроводная передача энергии на расстоянии.
svofski, попробовал смоделировать схему формирования синхроимпульсов Вектора, в том числе и с тем исправлением... Да, там всё просто, но мне не нравятся два момента: сигнал КСИ и сдвиг изображения вправо. Вот что показало моделирование схемы:
Вложение 66191
Жёлтый (верхний) график -- сигнал на выводе 12 микросхемы Д4, второй (синий) график -- родной Векторовский сигнал HVSYNC, третий (красный) график -- исправленный сигнал (в инверсии) и последний -- это сигнал с вывода 8 Д8. В правой половине графиков отрисовано начало КСИ, слева -- ССИ.
На графике видно, что т.н. уравнивающие сигналы в КСИ идут группами по два, тоже шире нормы и плюс ещё со сдвигом. А если не отключать на время кадровых синхроимпульсов исправление длительности ССИ, то становится ещё хуже, и удивительно, что некоторые телевизоры это могут понять (графики те же):
Вложение 66193
Думаю, надо попробовать исправить всё, в том числе КСИ... Кстати, отличия чётных от нечётных кадровых импульсов я не увидел, но всё равно хочу уточнить: Вектор ведь выдаёт картинку в прогрессивной развёртке?
Improver, Вектор не пытается обозначать поле никак, всегда выдает одно и то же, 312 строк.
Про синхроимпульсы без подключения осциллографа ничего дельного не скажу, но чего-то я групп по два не вспоминаю. Ни до, ни после доработки.
svofski, к сожалению, пока не обзавёлся осцилографом, есть только виртуальный, на модели, который и выдаёт такие картинки... Тут объяснения может быть два -- или на реальном Векторе это как-то сглаживается, или опять я в схеме где-то допустил ошибку. :)
А если исходить из того, что развёртка у нас прогрессивная, то КСИ можно достаточно просто получить инверсией сигнала ССИ. Сигнал тоже будет не совсем идеальный, но, думаю, лучше существующего, плюс это упростит доработку. И сдвиг изображения можно поправить, если сдвинуть ССИ, по несложным арифметическим подсчётам, примерно на половину длины ССИ, что тоже достаточно просто сделать...
320, если считать вместе с теми, что идут во время КСИ. :-)
И, как оказалось, допустил... КСИ, выходит, не так то уж и плох, хотя длительность строчных синхроимпульсов во время КСИ получается тоже неприлично большая. Вот правильные графики синхроимпульсов:
Вложение 66221 Вложение 66220
Красный график -- исходный сигнал HVSYNC, а синий -- по доработанной схеме...
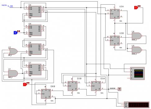
И доработка, вот такая:
Вложение 66222
Для сдвига изображения пришлось добавить ещё одну микруху, триггер ТМ2. Правда, в некоторых случаях бывает проще подрегулировать монитор/телевизор, поэтому трудно оценить, насколько это дополнение получилось оправданным.
Архив со схемой для моделирования процессов: Вложение 66223
Хорошая модель развертки Вектора - очень полезное дело.