:D:D:D мы как пионеры, сложности для нас не преграда, а вызов)))))))))
- - - Добавлено - - -
Странно это, вообще бордер реагирует на прикосновение даже пальцем на 11 ногу DD38. Что-то тут не то. Скиньте фото платы с обеих сторон.
Вид для печати
Я имею в виду аналог возможно playZX
- - - Добавлено - - -
https://ibb.co/Z6vLQ3Y
https://ibb.co/9rPFkzV
- - - Добавлено - - -
В єтой теме есть фото более детальніе всех частей
Добавил на R15 вторім єтажом конденсатор 560пФ проблема с водом текста пропала. Потому что раньше после 5 символа строка начинала прігать вправо. Сейчас полній порядок и изображение практически идеал.
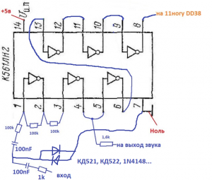
Вот схема, что сделал, нарисовал: (Возможно кому, то пригодиться)
https://ibb.co/0mZ4fB0
Фото строки:
https://ibb.co/64gZvmD
- - - Добавлено - - -
По изображению остались нюансі.
1. Єкран по ргб сдвинут немного влево
2. справа пока еще осталась слегка еле заметная полоса.
Сделал новое фото в хорошем качестве платі с двух сторон
Фото:
https://ibb.co/d077hVT
https://ibb.co/pR2sD9P
- - - Добавлено - - -
Заказал корпус из оргстекла, когда все будет готово, покажу на фото.
в бытность сия читалка нормально работала с обычного кассетного магнитофона....
уд и са правильно выводы распаяны ? бывает нумерация разная (для разных корпусов) и позиция первого вывода относительно ключа
Макрофото єтой части
https://ibb.co/TMTjfhk
- - - Добавлено - - -
фото ключей
https://ibb.co/8mGSrkx
- - - Добавлено - - -
Может на оссцилографе что то померять?
- - - Добавлено - - -
Еще меня смущают вот єти дірки может здесь что то натупил?
https://ibb.co/yS1sJ5z
Это самый правильный путь...НО я увы по "телефону" с трудом объясняю. То что глазом мгновенно видишь/понимаешь приходится долго и нудно говорить/объяснять.
Обычно смотрят:
1) выход магнитофона
2) вход схемы
3) далее по пути прохождения сигнала
4) выход схемы
Можно выкладывать здесь фотки осцила с описанием где смотрелось. а там народ подскажет.
:-)
ПС: фотки дырок очаровательны...но честно говоря фотки по качеству ниже плинтуса. особенно где красным обведено. а что жолтое - так это "надо держать в руках пустую плату и смотреть что это" просто монтажные отверстия или там дорожки "куда идут"... может здесь было предусмотрено установка для разных корпусов .. в общем "издалека плохо видно". а паял оную плату лет 30 назад...
ПС:
у круглых корпусов были варианты:
1) вывод располагается напротив ключа
это может быть либо 1 либо 8 вывод (а 1 следующий по кругу)
2) ключ располагается между выводами
тут проще 1 вывод "слева" если смотреть сверху
Оное надо смотреть по справочникам на конкретную микросхему.
туповата она была с дефолтными номиналами.
вот так гораздо лучше:
R25 - 1M
R28 - 330
C3 - 2200pF
C4 - 4.7uF
C7 - 0.22uF
обозначения по этой схеме:
http://sblive.narod.ru/ZX-Spectrum/L...dSCH180dpi.gif
https://pic.maxiol.com/?v=1705671196...62322.jpg&dp=2
Плата стародельная правда.
Осциллограф используй. Народ ждëт)
Ставь на вход ОУ, на выход и далее. Вовремя воспроизведения на магнитофоне.
все увидел башни похоже неправильно запаял
- - - Добавлено - - -
ключ должен указівать на последнюю дірку в плате, а у меня он указівает на предпоследнюю обратите внимание на фото
https://eandc.ru/pdf/mikroskhema/140ud6.pdf
Такие паспорта помогают.
Шикарный листочек. для 512са3 аналогично. это вид со стороны выводов.
паяю башни со сдвигом вправо на 1 пин, позже напишу результат
Сдвинул башни на одну ногу, при втікивании Джека в телефон бордюр становиться фиаолетовій, но дальше 0 ємоций. Ждем посілку для создания читалки.
- - - Добавлено - - -
Может ему нужен усилитель мощній, похоже как смартфона ему не хватает даже схватиться
- - - Добавлено - - -
Завтра еще попробую осциллографом пройтись по всем путям
- - - Добавлено - - -
Я по єтой схеме все и ставил
- - - Добавлено - - -
Может башня одна не рабочая завтра еще на осциллографе гляну
спаял читалку на лн2 все равно 0 ємоций сейчас еще проверяю на правильность схемі
- - - Добавлено - - -
очень странная ситуация
Откусил ногу 11 при вводе команді LOAD "" начинает мигать єкран
- - - Добавлено - - -
Сто раз перепаивал читалку нет єффекта.
Заказіваю макетную плату и новую ЛН2 + все детали, буду пробовать снова, когда все приедет попробую снова спаять читалку.
Если не війдет будем смотреть по осциллографу
Питание не забыл подать на ЛН2?
Уже хорошо. Читалку ЛН2 спаяйте, выход на звук пока не подключайте, попробуйте так загрузиться. Питание не забудьте подать на ЛН2. Не спешите, внимательно всё сделайте, вывод на звук телека подключите потом, когда заработает загрузка.
Тут же можно экспериментировать. Я бы делал так: подпаял бы провод на 11 ногу DD38 и во время звучания пилотона подключал бы его на выходы каждого модуля микросхемы (это 2я, 4я, 6я, 8я, 10я и 12я ноги), поочередно и смотрел бы где сигнал пройдет. Таким образом можно выявить какая часть микросхемы вышла из строя.
я бы еще вот так добавил
https://pic.maxiol.com/thumbs2/17059...298.561ln2.png
хорошо помогает от статики и розеток без земли.
Вопрос по вашей схеме
1. Я же правильно понял, что конденсатор 100нФ нужно первую ногу подавать на джек с магнитофона земля?
2. 7 нога ЛН2 на землю Ленинграда
3. 14 нога ЛН2 на 5V Ленинграда
Просьба еще проверить схему визуально правильно ли все там.
Спаял по схеме Констатнтина со схематикаточкару и читалка піталась что то читать біли проріві, но видно что то блокировало. Там скорее всего я что то натупил, потому что визуально еще не так хорошо разбираюсь в схемах
- - - Добавлено - - -
Подавал на 14 ногу
Видимо в єтом проблема и біла, я подавал землю с джека на кондер
- - - Добавлено - - -
Заказіваю хорошую макетку на которой соберу все доработки читалка, СС, ПЧ. Корпус уже у меня ну пока не заработает комп не могу упоковать его в корпус.
Будет огонь!
- - - Добавлено - - -
А что тогда подавать на резистор 1,6К? 4,5 ноги На джеке всего 2 провода земля и к примеру левій или правій канал. Я бросаю левій к примеру на кондер, а землю на землю компа, не могу понять теперь что бросать на резистор 1,6К
Пока не знаю сейчас пробую
- - - Добавлено - - -
да все работает спасибо огромнейшее)))
- - - Добавлено - - -
фото
https://ibb.co/nQWh44V
- - - Добавлено - - -
занимаюсь сборкой корпуса
- - - Добавлено - - -
я сегодня бухаю, оно работает
єто жесть!!! Получаю оргазм)))
Чувак, от всей души поздравляю тебя!
Ты сделал это, несмотря на отсутствие опыта и знаний, ты запустил его! Очень рад за тебя!
Дорогу осилит идущий.)))
Ну и как намёк: большой путь начинается с маленького шага.)))
Помощи от меня не было, но с интересом наблюдал за сборкой с твоего первого поста.
гульбас яхууууу :v2_dizzy_vodka4:
Рад, что проблема решена. Я переживал)
Добавил корпус для Ленинграда и для клавиатурі
https://ibb.co/LhK1tyt
https://ibb.co/YP5w102
https://ibb.co/jWPKQtm
https://ibb.co/hdbPD0Y
Получилась шикарная не убиваемая клавиатура 2 в 1 можно применять и как джойстик. Если нужно наклейки, то можно добавить между рядами.
фото
https://ibb.co/zXTFjHY
https://ibb.co/NmTn62t
https://ibb.co/qWzXzV8
Добавил 5V на 13ногу DD36 полоса справа полностью пропала. Пробовал разніе кондері ничего не помогало. Єтот вариант полностью решил проблему
Крут, что сказать, поздравляю с законченным проектом!
Обрезал строчній синхроимпульс теперь Ленинград работает и на втором телеке без проблем. Огонек
- - - Добавлено - - -
Все довел до идеала полностью. Как по мне. Изображение просто супер на любом телеке.
- - - Добавлено - - -
В завершении темі по моему Ленинграду 48кб
Всем огромное спасибо за помощь!
Фото результатов.
https://ibb.co/tLjtXtw
https://ibb.co/wsP4qYB
https://ibb.co/CmPZ43K
https://ibb.co/kSHXz55
https://ibb.co/8KKxc4V
https://ibb.co/Yjq6sCW
P.S.Если Ві новичок как и я, то рекомендую вібрать Ленинград, єто очень недорогой в сборке аппарат, ві с ним точно научитесь и паять и получите потрясающие знания и навіки. В єтой теме ві найдете все что нужно или может понадобиться любому новичку в спектрумах. По затратам Ленинград самій недорогой спектрум как по мне.
Что я получил в итоге.
Приобрел осциллограф, получил море удовольствия, получил наконец-то правильно работающий спектрум в крутом акриловом корпусе и крутую клавиатуру.