Важная информация

User Tag List

Страница 8 из 9 ПерваяПервая ... 456789 ПоследняяПоследняя
Показано с 71 по 80 из 87

Тема: Вопрос о процах.

  1. #71

    Регистрация
    16.12.2009
    Адрес
    Харьков
    Сообщений
    4,735
    Спасибо Благодарностей отдано 
    365
    Спасибо Благодарностей получено 
    378
    Поблагодарили
    241 сообщений
    Mentioned
    11 Post(s)
    Tagged
    1 Thread(s)

    По умолчанию

    Кстати, 300 Ом это не такое уж и шаманство. Реально в даташите 300 Ом к плюсу подтяжка нарисована. вобщем, надо подумать над стендом...
    Profi must live!

    Моё железо...

    1. Profi 5.06/1Mb(DRAM)+Profi5.06(UP)/HDD/3`5FDD/CF512Mb/SD-CARD
    3. Profi 6.2 Rev. B/1Mb/3`5FDD/HDD3.2Gb
    4. Profi 5.05(down)/1Mb+Profi 5.03(UP)/Pentagon_Fix
    Все укомплектованы:
    Profi_ZX-BUS/ZXMC2/NemoIDE/SounDrive
    [свернуть]

    Ссылка на Telegram-канал поддержки пользователей Profi.

  2. #72

    Регистрация
    10.04.2009
    Адрес
    Москва, Марьино
    Сообщений
    222
    Спасибо Благодарностей отдано 
    16
    Спасибо Благодарностей получено 
    23
    Поблагодарили
    17 сообщений
    Mentioned
    0 Post(s)
    Tagged
    0 Thread(s)

    По умолчанию

    Добрый день!
    Приобрёл себе лот из 5-ти процессоров Z84C0020PEC на 20МГц:
    фото:

    Скрытый текст

    Нажмите на изображение для увеличения. 

Название:	photo_2018-10-26_20-27-37.jpg 
Просмотров:	378 
Размер:	27.0 Кб 
ID:	66701
    [свернуть]

    Проверял на ZX-EVO, грузил TEST4.30 и прогонял на каждом процессоре по 3 раза на 14МГц, все процессоры тесты прошли. Есть процессоры Z80A MME и КР1858ВМ1, они даже WC запустить толком не могут - зависают.
    Может ещё какие-то тесты погонять? - не верится что все 5 процессоров нормальные попались...
    p.s. Вытащил ещё процессор из NEOGS там Z84C0010PEC и он тоже спокойно пашет на 14МГц - вот и смущает что мне тоже могла перемаркировка попасться, а в EVO 20МГц выставить нельзя...
    Последний раз редактировалось Frago; 26.10.2018 в 20:48.
    ZX-Evolution rev.B + NeoGS rev.C + AYX-32 + ZXM-Moonsound + ZXM-SC Moddle + VDAC2 + ZiFi + 2 FDD Epson SD-700
    Пентагон 128(1993)+GS-512+C-Dos модем+монитор Кодис-М
    Пентагон Solon PS-04 http://zx.pk.ru/showthread.php?t=10081
    NARCOM_2 v1.3 restoring 10% http://zx-pk.ru/threads/10883-pomogi...rkom-quot.html
    Profi v3.2 верх + низ restoring 95%

  3. #73

    Регистрация
    07.04.2009
    Адрес
    п.Редкино, Тверская обл.
    Сообщений
    127
    Спасибо Благодарностей отдано 
    1
    Спасибо Благодарностей получено 
    0
    Поблагодарили
    0 сообщений
    Mentioned
    0 Post(s)
    Tagged
    0 Thread(s)

    По умолчанию

    Самое интересное, что китайцы даже новые(не демонтаж) запиливают и ставят дату выпуска поновее. Лучше бы уж с честной маркировкой продавали, пусть и с облуженными ногами. Ацетоном их краска смывается на раз. У них основная цель сделать, чтобы микросхема была как новая внешне, со свежей датой.

  4. #74

    Регистрация
    20.03.2007
    Адрес
    Санкт-Петербург
    Сообщений
    3,002
    Спасибо Благодарностей отдано 
    205
    Спасибо Благодарностей получено 
    113
    Поблагодарили
    97 сообщений
    Mentioned
    0 Post(s)
    Tagged
    0 Thread(s)

    По умолчанию

    Цитата Сообщение от RedLine Посмотреть сообщение
    У них основная цель сделать, чтобы микросхема была как новая внешне, со свежей датой.
    У них основная цель - впарить красивую обёртку, а что там под ней будет....
    МГТФ - любимый провод!
    KAY-1024(4096)/SL-4/TURBO v2010 + Nemo-FDC + Nemo-IDE (CF 4GB) + SMUC2 Rev.B RTC (HDD 1.6GB + DVD-ROM) + PROF-ROM + ZXMC2 + GENERAL SOUND 2MB + ZX-BUS_TEE + FDD 3.5' + FDD 5.25' + VGA&PAL

  5. #75

    Регистрация
    07.08.2007
    Адрес
    Нижний Новгород
    Сообщений
    77
    Спасибо Благодарностей отдано 
    0
    Спасибо Благодарностей получено 
    0
    Поблагодарили
    0 сообщений
    Mentioned
    0 Post(s)
    Tagged
    0 Thread(s)

    По умолчанию Страна должна знать своих героев

    Вот такой вот нежданчик сегодня приключился.
    Было у меня 11 процессоров Z80 в DIP-корпусах.
    Два на 4 МГц, один на 10 МГц (оказался дохлым), остальные на 6 МГц.
    Решил я их оттестировать на предмет дохлости, а также устроить им стресс-проверку на максимальность тактовой частоты.
    Так вот, среди всей этой толпы оказалось два проца Z80B - 6 МГц по номиналу, - которые запросто согласились работать на частоте 14 МГц!
    Повторю - это не Z84C0020, это Z84C00BB6 - оба от STMicroelectronics Inc. Zilog'овские ни один не захотели работать на данной частоте. Хотя честно пытались.
    ST-шные же работают стабильно, не греются, скорость аж страшно становится.
    Работают они без Wait, на экспериментальной плате с модернизированной мною Пентагоновской логикой доступа к памяти и с памятью SRAM 12 нс.
    Так что, если завалялись у вас такие процы - берегите их, не выкидывайте зря. Их можно довольно сильно разогнать.
    Может, получится и быстрее 14 МГц, но пока мне это никак не проверить - схема на 20 МГц не готова пока.
    Фото чудо-процов прилагаю.
    Нажмите на изображение для увеличения. 

Название:	IMG_20181118_124713.jpg 
Просмотров:	492 
Размер:	44.5 Кб 
ID:	66951

    P.S.
    В общем, запустил я комп на частоте 18,6666667 МГц (придумал, как 56 МГц разделить сначала на 1,5, а потом ещё на 2; просто на 3 нельзя - положительный и отрицательный импульсы будут неодинаковые).
    Процы ST-шные запускаются. Но сразу начинают глючить. В общем 14 МГц - самый предел для них.
    Но обнаружился ещё один - от Toshiba. Тоже на 6 МГц и тоже работает запросто на 14 МГц без Wait. На 18,6666667 тоже уже не хочет - запускается, но глючит.
    Фото оного тоже прилагаю.
    Нажмите на изображение для увеличения. 

Название:	IMG_20181118_132259.jpg 
Просмотров:	523 
Размер:	50.2 Кб 
ID:	66950
    Последний раз редактировалось Example626; 18.11.2018 в 13:34.

  6. #76

    Регистрация
    07.08.2007
    Адрес
    Нижний Новгород
    Сообщений
    77
    Спасибо Благодарностей отдано 
    0
    Спасибо Благодарностей получено 
    0
    Поблагодарили
    0 сообщений
    Mentioned
    0 Post(s)
    Tagged
    0 Thread(s)

    По умолчанию Видео

    В общем, вот видео, показывающее работу одного из данных процессоров (Test 48) на частоте 14 МГц на экспериментальной схеме адресации и доступа к ОЗУ.
    Пока ничего более путного продемонстрировать не могу - машина сырая, даже клавиатуры ещё нет. И памяти 32 кБ.
    Но скорость работы и стабильность процессора оценить можно.

    P.S. Заметил ошибку в титрах ко второй части видео (где процессор работает в обычном режиме - не "турбо") - там указана частота 14 МГц, на самом деле там 3,5.

    - - - Добавлено - - -

    Вы будете сильно хохотаться, но...

    Вот видео работы того же процессора на частоте 18,667 Мгц.
    Я всё-таки запустил его на этой частоте! К сожалению, тут вмешиваются уже такие факторы как надёжность контакта ножек процессора и ОЗУ в панельках.
    Бывает, начнёт глючить - атрибуты на экране меняются, артефакты, - но стоит просто процессор в панельке пошевелить (панелька дурацкая - самая дешёвая, уже вся окислилась), так всё сразу замечательно работает.


    Зацените скорость, а!
    Последний раз редактировалось Example626; 20.11.2018 в 11:30.

  7. #76
    С любовью к вам, Yandex.Direct
    Размещение рекламы на форуме способствует его дальнейшему развитию

  8. #77

    Регистрация
    12.07.2006
    Адрес
    г. Киев, Украина
    Сообщений
    2,147
    Спасибо Благодарностей отдано 
    25
    Спасибо Благодарностей получено 
    95
    Поблагодарили
    82 сообщений
    Mentioned
    2 Post(s)
    Tagged
    0 Thread(s)

    По умолчанию

    Сдается мне что есть 2 разных фактора которые для нас создали одну жирную проблему. Фактор-1 все хотят использовать софт спектрума для тестирования (это понятно! все кто против этого должны быть выгнаны с форума с пожизненным баном!). Фактор-2 pixel clock у синклера 7mhz и выходит что тестирование проца вполне себе можно прикрутить на кратную этой частоту типа 3.5 7 14 28... но никакой "плавной" версии сделать не выйдет, просто изза того что схема ZX-а синхронная и она так или иначе связанна с тем что видеоконтроллер и проц должны поочередно лезть в видеопамять. И как же тестировать на 1mhz... 10mhz... 22mhz... Радикальный путь наверно влепить двухпортовую память, тогда z80 будет жить отдельно от видеоконтроллера и в принципе можно его будет ганять от своего (даже voltage regulated) генератора.
    Последний раз редактировалось bigral; 21.11.2018 в 03:20.

  9. #78

    Регистрация
    07.08.2007
    Адрес
    Нижний Новгород
    Сообщений
    77
    Спасибо Благодарностей отдано 
    0
    Спасибо Благодарностей получено 
    0
    Поблагодарили
    0 сообщений
    Mentioned
    0 Post(s)
    Tagged
    0 Thread(s)

    По умолчанию

    bigral, А разве из вышевыложенного видео не следует, что мне удалось создать такую схему, на которой можно запускать процессор на ЛЮБОЙ частоте, не зависящей от частоты видео видеогенератора?
    Там же 18,667 МГц - не 14, не 28. А видео работает на стандартных 15625 Гц строчной развёртки и 50 (почти) Гц кадровой, частота выборки точек и атрибутов тоже стандартная Спектрумовская.
    У меня задающий генератор видео работает на частоте 56 МГц, а на процессор можно использовать любой источник тактовых импульсов. Как те же 56 МГц (с делителем), так и внешний сигнал - 20 МГЦ, 18, 17,3467543346 и т.д. (даже Voltage Regulated), частота может меняться даже в процессе работы - не важно.
    У меня синхронизацией работы с памятью занимается схема, не допуская одновременного обращения и не тормозя процессор по WAIT. Она тормозит видеогенератор, но при этом там есть несколько буферов, благодаря которым на самом экране никаких задержек не происходит.
    Память - одна. Одна микросхема даже, если быть точно. Без каких-либо разделений на независимые поля и т.д. - обычная SRAM.
    По сути, это глубоко переработанная Пентагоновская схема.
    Видеогенератор также может работать на любой частоте в определённых пределах (если вам нужны экзотические режимы) - главное, чтобы она не была слишком низкой или слишком высокой.
    Выложить схему синхронизатора?

    - - - Добавлено - - -

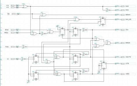
    P.S.
    Вот, в принципе, схема.
    На вход TOSC подаётся частота 56 МГц - она же используется для генератора видеосигналов.
    Тактовая частота процессора на схему не заводится - идёт просто на процессор. Она может быть абсолютно любой вплоть до 20 МГц (теоретически и выше можно, но верхний предел нужно устанавливать экспериментально).
    Подробнее сейчас описывать некогда - надо бежать.
    Да и тему, наверное, надо другую, а не здесь.
    В общем, вопросы спрашивайте - отвечу.
    Сигнал ATTR и схема его формирования, в принципе, не нужны - вместо него можно WRPIX использовать.
    Вложение 66983

    - - - Добавлено - - -

    Блин, подскажите, как выложить схему, чтобы разрешение сохранить - не видно ж ничего.
    Миниатюры Миниатюры Нажмите на изображение для увеличения. 

Название:	Image1.jpg 
Просмотров:	370 
Размер:	20.8 Кб 
ID:	66984  
    Последний раз редактировалось Example626; 21.11.2018 в 10:10.

  10. #79

    Регистрация
    24.07.2008
    Адрес
    г. Курган
    Сообщений
    2,062
    Спасибо Благодарностей отдано 
    10
    Спасибо Благодарностей получено 
    17
    Поблагодарили
    17 сообщений
    Mentioned
    1 Post(s)
    Tagged
    0 Thread(s)

    По умолчанию

    Цитата Сообщение от bigral Посмотреть сообщение
    Фактор-2 pixel clock у синклера 7mhz и выходит что тестирование проца вполне себе можно прикрутить на кратную этой частоту типа 3.5 7 14 28... но никакой "плавной" версии сделать не выйдет, просто изза того что схема ZX-а синхронная и она так или иначе связанна с тем что видеоконтроллер и проц должны поочередно лезть в видеопамять. И как же тестировать на 1mhz... 10mhz... 22mhz... Радикальный путь наверно влепить двухпортовую память, тогда z80 будет жить отдельно от видеоконтроллера и в принципе можно его будет ганять от своего (даже voltage regulated) генератора.
    А как же схема Профи версии 5? В режиме работы с тремя кварцами, третий кварц совершенно не синхронен кварцу видеоконтроллера, и может быть любым, другой вопрос, что стабильно 12Мгц на проце заработали только с качественной памятью из Симм-72 и с процем на 20Мгц.

    Скрытый текст

    Profi 5.06 1024K 12Mhz (кварц на 24), палитра, COM-порт, часы, hdd, covox, программатор
    ZX-Spectrum +3, ZX-Spectrum +2B, ZX-Spectrum +2, ZX Spectrum 48, ZX Spectrum 48+
    ZX Evolution Rev B.
    Color 48 + Beta Disk Interface +FDD+YM2149F
    Орель-08БК
    Pentagon-48 (недоссобранный кем-то)
    Pentagon-128 (полуубитый)
    Кворум-128 (в ремонте)
    Магик-05 (в ремонте)
    Robotron 1715
    Корвет ПК8020 и ПК8010
    Amstrad CPC 464
    Amstrad CPC 6128
    [свернуть]

  11. #80

    Регистрация
    14.06.2005
    Адрес
    г. Калуга
    Сообщений
    10,149
    Спасибо Благодарностей отдано 
    216
    Спасибо Благодарностей получено 
    776
    Поблагодарили
    420 сообщений
    Mentioned
    23 Post(s)
    Tagged
    0 Thread(s)

    По умолчанию

    Цитата Сообщение от Example626 Посмотреть сообщение
    Блин, подскажите, как выложить схему, чтобы разрешение сохранить - не видно ж ничего.
    На файлообменник скинь или запости сюда в pdf-ке
    Сайт поддержки моих изделий - http://micklab.ru/
    Группа ВКонтакте - https://vk.com/micklab

Страница 8 из 9 ПерваяПервая ... 456789 ПоследняяПоследняя

Информация о теме

Пользователи, просматривающие эту тему

Эту тему просматривают: 1 (пользователей: 0 , гостей: 1)

Похожие темы

  1. вопрос
    от Sayman в разделе Барахолка (архив)
    Ответов: 10
    Последнее: 20.11.2008, 09:40
  2. Вопрос по IDE
    от Пётр в разделе Внешние накопители
    Ответов: 67
    Последнее: 13.05.2007, 20:40
  3. Вопрос про ПЗУ
    от Eltaron в разделе Память
    Ответов: 14
    Последнее: 25.12.2005, 20:17

Ваши права

  • Вы не можете создавать новые темы
  • Вы не можете отвечать в темах
  • Вы не можете прикреплять вложения
  • Вы не можете редактировать свои сообщения
  •