Согласен! Делаем.
Вот, сделали... Порт UPRK, подключение ПЗУ "DSS", узел Keyboard IBM выполнены аналогично Profi 6.3. Результат:
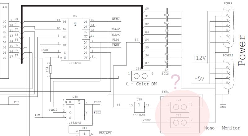
Прототип для запуска и отладки - Profi 6.2 Rev.B (на основе Profi 6.2) от 18.04.2010. Cхема электрическая принципиальная, схема монтажная, перечень элементов, отличия от Profi 6.2 1993 года (PDF и текст) - здесь (280 Кб).
Дополнение от 8.05.2010. В связи с тем, что позднее данная плата была доработана и изготовлена, вся документация обновилась. Теперь её можно скачать отсюда.
По Profi 6 всё собрано в одном месте: здесь.
Одну - две недели собираем замечания и предложения. Потом, если потребуется, делаем завершающие доработки...





Глядишь кто и напишет программку чтения сканкодов клавиатуры
Ответить с цитированием
Размещение рекламы на форуме способствует его дальнейшему развитию 
Profi must live!
Попробовал еще вариант. И получилось использовать U15 в контроллере клавиатуры!
И шаг сетки не пострадал. На плате U15 переместил на место U14, и U37 стала не нужна.