Важная информация

User Tag List

Страница 10 из 12 ПерваяПервая ... 6789101112 ПоследняяПоследняя
Показано с 91 по 100 из 111

Тема: Profi Video-нужна "пентагоновская прошивка"

  1. #91

    Регистрация
    03.07.2007
    Адрес
    Мариуполь-Киев
    Сообщений
    1,112
    Спасибо Благодарностей отдано 
    33
    Спасибо Благодарностей получено 
    15
    Поблагодарили
    14 сообщений
    Mentioned
    0 Post(s)
    Tagged
    0 Thread(s)

    По умолчанию

    Цитата Сообщение от Vadim Посмотреть сообщение
    Так что хоть в режиме 2 кварца, хоть 3 не должно быть без турбо 1, будет больше, т.к. 3.5 больше чем 3
    Понимаю, но откуда то в голове крутится такая мысль.

    Скрытый текст


    Profi 6.2 Rev.B / 1024
    Profi v5.02 /1024/палитра/FDD3,5"/FDD5,25"/HDD130/XT-Keyb/Covox
    Profi v4.00 /1024
    АТМ Turbo /512/ - собран но еще не запускался
    ATM Turbo 2+ v7.10 - собран на 80%
    Pentagon 128 - в планах восстановить (раскуроченная плата)
    ZXMC20/NemoIDE/AT-Keyb (by Caro)
    Revers U8EP3C
    Speccy2010, r2
    [свернуть]

  2. #91
    С любовью к вам, Yandex.Direct
    Размещение рекламы на форуме способствует его дальнейшему развитию

  3. #92

    Регистрация
    16.12.2009
    Адрес
    Харьков
    Сообщений
    4,735
    Спасибо Благодарностей отдано 
    365
    Спасибо Благодарностей получено 
    379
    Поблагодарили
    242 сообщений
    Mentioned
    11 Post(s)
    Tagged
    1 Thread(s)

    По умолчанию

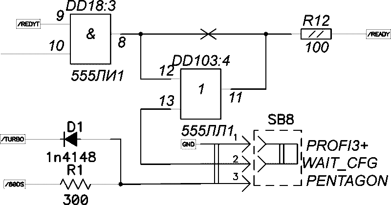
    Вобщем-то эксперимент с переделкой Profi 5.0x под пентагоновский INT и мультиколорные эффекты на бордюре закончились успехом.

    Описание доработки:
    Для Profi 5.02:
    1. Сделать официальные доработки платы под №4, 5, можно и 9, но не обязательно.
    2. 4 ножка DD53 должна быть с +5в переключена на землю.
    3. Для верхней платы 5.03: Выпаяйте резистор R15 на верхней плате, соедините 2 и 3 выводы м/схемы DD45 с сигналом 80DS (не инверсный) 15 вывод DD46 нижней платы.
    4. Доработать нижнюю плату согласно схеме:
    Нажмите на изображение для увеличения. 

Название:	Pentagon_fix_all.png 
Просмотров:	649 
Размер:	5.9 Кб 
ID:	47640
    PS: резистор R12, подключенный к 8 ножке DD18 достаточно просто приподнять, отпаяв одну ногу со стороны DD18.
    5. Прошить новую прошивку синхрогенератора SAMX12P.

    Для Profi 5.03:
    1. Сделать официальные доработки платы под №4, можно и 9, но не обязательно.
    2. Для верхней платы 5.03: Выпаяйте резистор R15 на верхней плате, соедините 2 и 3 выводы м/схемы DD45 с сигналом 80DS (не инверсный) 15 вывод DD46 нижней платы.
    3. Доработать нижнюю плату согласно схеме:
    Нажмите на изображение для увеличения. 

Название:	Pentagon_fix_all.png 
Просмотров:	649 
Размер:	5.9 Кб 
ID:	47640
    PS: резистор R12, подключенный к 8 ножке DD18 достаточно просто приподнять, отпаяв одну ногу со стороны DD18.
    4. Прошить новую прошивку синхрогенератора SAMX12P.

    Для Profi 5.04, 5.05:
    1. Сделать официальные доработки платы под №4, можно и 9, но не обязательно.
    2. 4 ножка DD53 должна быть с +5в переключена на землю.
    3. Для верхней платы 5.03: Выпаяйте резистор R15 на верхней плате, соедините 2 и 3 выводы м/схемы DD45 с сигналом 80DS (не инверсный) 15 вывод DD46 нижней платы.
    4. Доработать нижнюю плату согласно схеме:
    Нажмите на изображение для увеличения. 

Название:	Pentagon_fix.png 
Просмотров:	483 
Размер:	6.1 Кб 
ID:	47641 или Нажмите на изображение для увеличения. 

Название:	Pentagon_fix_alt.png 
Просмотров:	493 
Размер:	5.9 Кб 
ID:	47642
    PS: резистор R12, подключенный к 8 ножке DD18 достаточно просто приподнять, отпаяв одну ногу со стороны DD18.
    5. Прошить новую прошивку синхрогенератора SAMX12P.

    И еще - схемы даны не обязательно для определенной модели Profi, просто они даны с наиболее оптимальным кол-вом новых корпусов микросхем и использование свободных элементов платы. По функциональности они абсолютно одинаковые все.
    UPDATE!!! если бордюр не совпадает с папером, стоит попробовать настроить его нажав несколько раз на кнопку TURBO, другое решение - поставить процессор 1858ВМ3. мультиколоры на бордюре будут совпадать с папером на 100%.
    Результаты работы можно глянуть здесь...
    Вложения Вложения
    • Тип файла: zip SAMX12P.zip (276 байт, Просмотров: 267)
    Последний раз редактировалось solegstar; 05.03.2015 в 12:24.
    Profi must live!

    Моё железо...

    1. Profi 5.06/1Mb(DRAM)+Profi5.06(UP)/HDD/3`5FDD/CF512Mb/SD-CARD
    3. Profi 6.2 Rev. B/1Mb/3`5FDD/HDD3.2Gb
    4. Profi 5.05(down)/1Mb+Profi 5.03(UP)/Pentagon_Fix
    Все укомплектованы:
    Profi_ZX-BUS/ZXMC2/NemoIDE/SounDrive
    [свернуть]

    Ссылка на Telegram-канал поддержки пользователей Profi.

  4. #93

    Регистрация
    11.01.2008
    Адрес
    Ладошкино
    Сообщений
    1,814
    Записей в дневнике
    4
    Спасибо Благодарностей отдано 
    390
    Спасибо Благодарностей получено 
    341
    Поблагодарили
    246 сообщений
    Mentioned
    14 Post(s)
    Tagged
    0 Thread(s)

    По умолчанию

    ну и где финальная картинка " зонтика" с этой версии?)
    Хорошо бы рассказать, что сделал\сломал переделками платы и на чём может отразиться)) Торможение убрал?
    Profi v3.2 -=- Speccy2010,r2

  5. #94

    Регистрация
    16.12.2009
    Адрес
    Харьков
    Сообщений
    4,735
    Спасибо Благодарностей отдано 
    365
    Спасибо Благодарностей получено 
    379
    Поблагодарили
    242 сообщений
    Mentioned
    11 Post(s)
    Tagged
    1 Thread(s)

    По умолчанию

    Цитата Сообщение от zebest Посмотреть сообщение
    ну и где финальная картинка " зонтика" с этой версии?)
    Хорошо бы рассказать, что сделал\сломал переделками платы и на чём может отразиться)) Торможение убрал?
    всё тоже самое с картинкой, как и в предыдущем сообщении с результатами.

    Торможение убрал только в нетурбированном синклер-режиме, если включается турборежим или расширенный экран, торможение начинает работать по старой схеме. можно попытаться сдвинуть папер на 4 пикселя вправо конечно. попробую поэкспериментировать над DD53 вечерком...
    Profi must live!

    Моё железо...

    1. Profi 5.06/1Mb(DRAM)+Profi5.06(UP)/HDD/3`5FDD/CF512Mb/SD-CARD
    3. Profi 6.2 Rev. B/1Mb/3`5FDD/HDD3.2Gb
    4. Profi 5.05(down)/1Mb+Profi 5.03(UP)/Pentagon_Fix
    Все укомплектованы:
    Profi_ZX-BUS/ZXMC2/NemoIDE/SounDrive
    [свернуть]

    Ссылка на Telegram-канал поддержки пользователей Profi.

  6. #95

    Регистрация
    15.01.2008
    Адрес
    г. Тула
    Сообщений
    195
    Спасибо Благодарностей отдано 
    8
    Спасибо Благодарностей получено 
    1
    Поблагодарили
    1 сообщение
    Mentioned
    0 Post(s)
    Tagged
    0 Thread(s)

    По умолчанию

    solegstar, огромное спасибо за проделанную работу. Расхождение на 1 пиксель есть, но это не страшно
    Последний раз редактировалось Lexx!; 18.11.2015 в 17:46.

    Мое железо

    Profi 3.2[Down]/1Mb SIMM/Цвет в CP/М
    Profi 3.2[Up]/5.25" FDD/3.5" FDD/Turbo VG/...
    Profi 5.04[Up]/1Mb/В процессе восстановления и доведения до ума
    VGA & PAL
    Profi Extender
    [свернуть]

  7. #96

    Регистрация
    14.06.2005
    Адрес
    г. Калуга
    Сообщений
    10,162
    Спасибо Благодарностей отдано 
    221
    Спасибо Благодарностей получено 
    779
    Поблагодарили
    423 сообщений
    Mentioned
    24 Post(s)
    Tagged
    0 Thread(s)

    По умолчанию

    Цитата Сообщение от solegstar Посмотреть сообщение
    Вобщем-то эксперимент с переделкой Profi 5.0x под пентагоновский INT и мультиколорные эффекты на бордюре закончились успехом.
    Подниму темку вопросом? Т.е. после переделки у тебя бордер и мультколор пента*****вский находится на месте без выпаданий. Инымисловами ты точно можешь сказать какие параметры у развертки пятногона.
    Вопрос, расскажи про параметры строчки. Понятно что 56 символов в строке, только когда точно она тактирует кадровые счетчики. По началу строчного импульса или по сбросу строчных импульсов, т.е. на каком знакоместе?
    Сайт поддержки моих изделий - http://micklab.ru/
    Группа ВКонтакте - https://vk.com/micklab

  8. #97

    Регистрация
    16.12.2009
    Адрес
    Харьков
    Сообщений
    4,735
    Спасибо Благодарностей отдано 
    365
    Спасибо Благодарностей получено 
    379
    Поблагодарили
    242 сообщений
    Mentioned
    11 Post(s)
    Tagged
    1 Thread(s)

    По умолчанию

    Цитата Сообщение от Mick Посмотреть сообщение
    Т.е. после переделки у тебя бордер и мультколор пента*****вский находится на месте без выпаданий.
    по вертикали всё четко, а вот по горизонтали бывает на несколько пикселей (максимум 6) смещается бордюр в право. с процом ВМ3 всё работает идеально. я так понял, что в нем немного по другому сделаны прерывания. пытался побороть это логикой, но так ничего не вышло. по тактам и в рамке всё совпадает, бордюр чуть отстает на обычных процах.
    ну есть по тактам вот такая дока - http://www.worldofspectrum.org/rusfaq/index.html#21 , она точно описывает параметры пента, по ней я делал прошивку для профи. после переделки под пент получилось с началом строчного импульса. даже чуть раньше на 8 тактов проца перед строчным импульсом, но это скорее особенность профи, видимо много задержек получается на элементах.
    Profi must live!

    Моё железо...

    1. Profi 5.06/1Mb(DRAM)+Profi5.06(UP)/HDD/3`5FDD/CF512Mb/SD-CARD
    3. Profi 6.2 Rev. B/1Mb/3`5FDD/HDD3.2Gb
    4. Profi 5.05(down)/1Mb+Profi 5.03(UP)/Pentagon_Fix
    Все укомплектованы:
    Profi_ZX-BUS/ZXMC2/NemoIDE/SounDrive
    [свернуть]

    Ссылка на Telegram-канал поддержки пользователей Profi.

  9. #98

    Регистрация
    14.06.2005
    Адрес
    г. Калуга
    Сообщений
    10,162
    Спасибо Благодарностей отдано 
    221
    Спасибо Благодарностей получено 
    779
    Поблагодарили
    423 сообщений
    Mentioned
    24 Post(s)
    Tagged
    0 Thread(s)

    По умолчанию

    solegstar, а можешь уточнить. Тактирование кадровых счетчиков когда происходит. На каком знакоместе строки (по началу синхроимпульса или по концу строки, или по бордеру строки)?
    А то на той картинке просто нарисован как строка и как вертикалка. А когда происходит тактирование кадровых счетчиков не указано.
    Последний раз редактировалось Mick; 28.11.2015 в 15:20.
    Сайт поддержки моих изделий - http://micklab.ru/
    Группа ВКонтакте - https://vk.com/micklab

  10. #99

    Регистрация
    16.12.2009
    Адрес
    Харьков
    Сообщений
    4,735
    Спасибо Благодарностей отдано 
    365
    Спасибо Благодарностей получено 
    379
    Поблагодарили
    242 сообщений
    Mentioned
    11 Post(s)
    Tagged
    1 Thread(s)

    По умолчанию

    в пентагоне сделано по началу синхроимпульса. во всяком случае так работает в профи. пересчет строк сделан в начале (буквально в начале) строчного+кадрового импульса (в рф2 прошивке можно двигать пересчет строк, в оригинале он был в другом месте) посмотри вложения темы, там есть описание оригинального синхрогенератора и его переделки под пентагон, правда для 3.2 (или 4.0х версий) более приближенных к пентагону. вроде более-менее понятно описал построение изображения.

    - - - Добавлено - - -

    хотя по схеме пентагона тактирование кадровых счетчиков происходит после деления на два строчных импульсов на D2.2 и по спаду импульса после D2.
    Profi must live!

    Моё железо...

    1. Profi 5.06/1Mb(DRAM)+Profi5.06(UP)/HDD/3`5FDD/CF512Mb/SD-CARD
    3. Profi 6.2 Rev. B/1Mb/3`5FDD/HDD3.2Gb
    4. Profi 5.05(down)/1Mb+Profi 5.03(UP)/Pentagon_Fix
    Все укомплектованы:
    Profi_ZX-BUS/ZXMC2/NemoIDE/SounDrive
    [свернуть]

    Ссылка на Telegram-канал поддержки пользователей Profi.

  11. #100

    Регистрация
    14.06.2005
    Адрес
    г. Калуга
    Сообщений
    10,162
    Спасибо Благодарностей отдано 
    221
    Спасибо Благодарностей получено 
    779
    Поблагодарили
    423 сообщений
    Mentioned
    24 Post(s)
    Tagged
    0 Thread(s)

    По умолчанию

    Цитата Сообщение от solegstar Посмотреть сообщение
    хотя по схеме пентагона тактирование кадровых счетчиков происходит после деления на два строчных импульсов на D2.2 и по спаду импульса после D2.
    Глянул схемку пятногона. Там все кадровые счетчики работают по спаду. А так да, похоже что по началу строчного синхроимпульса.
    Другой момент как формируется этот синхроимпульс. Я что то не догоняю как работают два счетчика DD3 и DD4.
    Если принять за сигналы строчных знакомест B1....B5 и 7 вывод DD4,
    то получается что строчный синхроимпульс начинается при условии B3 = 0, B4 =0, 7 выв. DD4 =0
    Но как тогда вообще такая комбинация возникает, если по переполнению счетчиков в DD4 устанавливается B3 =1, а на других выходах DD4 нули.
    Кто объяснит как работает строчка в пентагоне?
    Сайт поддержки моих изделий - http://micklab.ru/
    Группа ВКонтакте - https://vk.com/micklab

Страница 10 из 12 ПерваяПервая ... 6789101112 ПоследняяПоследняя

Информация о теме

Пользователи, просматривающие эту тему

Эту тему просматривают: 1 (пользователей: 0 , гостей: 1)

Похожие темы

  1. Нужна схема или фотография платы клона спектрума "sintez 2"
    от Андрей 34 в разделе Несортированное железо
    Ответов: 4
    Последнее: 21.02.2025, 14:13
  2. Video "100 ZX Spectrum Games"
    от Shwartz в разделе Игры
    Ответов: 12
    Последнее: 19.04.2009, 21:56
  3. Очень нужна схема "Компаньона" ижевского производства
    от John North в разделе Несортированное железо
    Ответов: 6
    Последнее: 28.11.2006, 19:01
  4. Ответов: 23
    Последнее: 09.09.2006, 01:02

Ваши права

  • Вы не можете создавать новые темы
  • Вы не можете отвечать в темах
  • Вы не можете прикреплять вложения
  • Вы не можете редактировать свои сообщения
  •