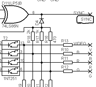
если телек цветной и хочеться получить цветное изображение, то под syn понимают просто смесь кадровой и строчной синхронизации, которая подается на видеовход телека, а 3 цвета соответственно на свои входы. Если телек Ч\б или цветной, но хочется получить ч/б изображение, то подавать надо video (смесь sync и r,g,b).
посмотрел схему твоего телека - у тебя не полностью реализован SCART разъем. нет зветовых входов, только композитные видеовход и выход, ну и звук.Я подключал video все на SCART и на процессор сам в телеке , когда имелось ввиду syn .
в ч\б варианте подавай на телек смесь syn и цветов.
на "окно" в ч/б режиме подавать ничего не надо (тем более, что у тебя к нему вообще ничего не подключено в телеке...)Ничего не происходило - на 16 вывод SCART подавал(на "окно") - video это , если его надо ?!! И +5В тоже подавал на "окно" , тоже ничего не происходило .... В общем ничего не показывает и не собирается по всей видимости .
при подключении по ч/б - должна быть хоть какая-картинка, может быть с помехами, или нестабильная, дергаться или еще что-то, но телек должен реагировать на видеовход... это всё подстраивается сопротивлениями в видеосмеси - у тебя же ничего нет - тут или спек не работает или к телеку неправильно подключил (есть чем проверить видеовход?).
у тебя два варианта - или прикупить PalCoder от NedoPC, или лезть внутрь телека подключать цвета... для тебя проще будет работа с палкодером, но сначала надо получить ч\б изображение...
ты там кстати на правильные выводы подаешь видеосмесь? не перепутал в скарте ничего??? расположение выводов скарта можно подсмотреть здесь...



Profi must live!
1.
Ответить с цитированием
Sync надо подавать на видео вход и этого должно быть достаточно для ч\б изображения (на "окно" подавать ничего не надо, тем более что вывод не заведен никуда 

