User Tag List

Страница 4 из 9 ПерваяПервая 12345678 ... ПоследняяПоследняя
Показано с 31 по 40 из 87

Тема: Контроллер BDI Орель БК-08, подготовка к производству

  1. #31

    Регистрация
    16.12.2009
    Адрес
    Харьков
    Сообщений
    4,735
    Спасибо Благодарностей отдано 
    365
    Спасибо Благодарностей получено 
    378
    Поблагодарили
    241 сообщений
    Mentioned
    11 Post(s)
    Tagged
    1 Thread(s)

    По умолчанию

    средняя подходит к верхней на рисунке. просто в контроллере дисковода 9 и 10 выводы не используются и в РТшке эти биты можно не прошивать. Вам подходит нижняя.
    Profi must live!

    Моё железо...

    1. Profi 5.06/1Mb(DRAM)+Profi5.06(UP)/HDD/3`5FDD/CF512Mb/SD-CARD
    3. Profi 6.2 Rev. B/1Mb/3`5FDD/HDD3.2Gb
    4. Profi 5.05(down)/1Mb+Profi 5.03(UP)/Pentagon_Fix
    Все укомплектованы:
    Profi_ZX-BUS/ZXMC2/NemoIDE/SounDrive
    [свернуть]

    Ссылка на Telegram-канал поддержки пользователей Profi.

  2. #31
    С любовью к вам, Yandex.Direct
    Размещение рекламы на форуме способствует его дальнейшему развитию

  3. #32

    Регистрация
    06.01.2012
    Адрес
    г. Москва
    Сообщений
    24
    Спасибо Благодарностей отдано 
    0
    Спасибо Благодарностей получено 
    0
    Поблагодарили
    0 сообщений
    Mentioned
    0 Post(s)
    Tagged
    0 Thread(s)

    По умолчанию

    Спасибо.Теперь понятно... а средняя прошивка вообще под какой вариант? Не под контроллер ли к ленинграду2 там как раз используются биты на 9 10 11 ножках и схема- ну очень похожа... почти как близнец.
    Москва Бибирево Медведково Алтуфьево

  4. #33

    Регистрация
    16.12.2009
    Адрес
    Харьков
    Сообщений
    4,735
    Спасибо Благодарностей отдано 
    365
    Спасибо Благодарностей получено 
    378
    Поблагодарили
    241 сообщений
    Mentioned
    11 Post(s)
    Tagged
    1 Thread(s)

    По умолчанию

    Цитата Сообщение от SLYFOX Посмотреть сообщение
    Спасибо.Теперь понятно... а средняя прошивка вообще под какой вариант? Не под контроллер ли к ленинграду2 там как раз используются биты на 9 10 11 ножках и схема- ну очень похожа... почти как близнец.
    прошивка орель.bin и orel_BD.BIN - можно сказать одинаковые с точки зрения использования выходов РТшки! И в орель.bin тоже используются только 12 и 11 выводы, т.е. два бита, а 10 и 9 в 0, непрошитые, т.к. прошивать ртшку раньше было проблематично.

    ---------- Post added at 23:27 ---------- Previous post was at 23:19 ----------

    прошивки для этой цоколевки - http://zx-pk.ru/showpost.php?p=382365&postcount=10
    Последний раз редактировалось solegstar; 23.01.2012 в 01:21.
    Profi must live!

    Моё железо...

    1. Profi 5.06/1Mb(DRAM)+Profi5.06(UP)/HDD/3`5FDD/CF512Mb/SD-CARD
    3. Profi 6.2 Rev. B/1Mb/3`5FDD/HDD3.2Gb
    4. Profi 5.05(down)/1Mb+Profi 5.03(UP)/Pentagon_Fix
    Все укомплектованы:
    Profi_ZX-BUS/ZXMC2/NemoIDE/SounDrive
    [свернуть]

    Ссылка на Telegram-канал поддержки пользователей Profi.

  5. #34

    Регистрация
    06.01.2012
    Адрес
    г. Москва
    Сообщений
    24
    Спасибо Благодарностей отдано 
    0
    Спасибо Благодарностей получено 
    0
    Поблагодарили
    0 сообщений
    Mentioned
    0 Post(s)
    Tagged
    0 Thread(s)

    По умолчанию

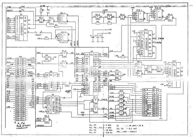
    Что то- не хочет работать=(. Подскажите пожалуйста, по поводу подключения самого контроллера. Может я что то не правильно подключил? Я так понял все сигналы с разъема d0-d7, a0-a15, RESET, IORQ, MREQ, RD,WR,M1 можно подключить прямо на процессор. BETA на выбор TRDOS. C небольшой доаботкой NMI -к плюсу через резистор(разорвать от BUSQR), или что то должно быть проинвертировано. На разъеме BDI нарисованы все сигналы не инверсные, на схеме процессора все инверсные, из чего заключаю что на схеме разъема BDI -просто везде не поставили инверсные черточки. Интересуют сигналы RD и IORQ. RD идет по схеме напрямую в контроллере на 27256, В ленинграде1 туда идет не RD а RDROM. Что заводить на контроллер? ( хотя пробовал и то и то, результат одинаковый =(. ) И по поводу IORQ - нужно ли делать доработку как в контроллере (кажется для ленинграда2, схемы очень похожи, приаттачу) IORQOUT, То есть вход на BDI и выход этого сигнала обратно на процессор? Спасибо за любую информацию! Она наводит на дополнительные размышления!
    Ps. пытался разобраться по подключению к самой ОРЕЛИ, но скачал в таком ужасном качестве- что только общая информация...=(
    Миниатюры Миниатюры Нажмите на изображение для увеличения. 

Название:	bdilenin21.jpg 
Просмотров:	438 
Размер:	52.8 Кб 
ID:	32456  
    Вложения Вложения
    Последний раз редактировалось SLYFOX; 24.01.2012 в 13:48.
    Москва Бибирево Медведково Алтуфьево

  6. #35

    Регистрация
    17.09.2010
    Адрес
    г. Днепропетровск
    Сообщений
    3,222
    Спасибо Благодарностей отдано 
    24
    Спасибо Благодарностей получено 
    20
    Поблагодарили
    11 сообщений
    Mentioned
    3 Post(s)
    Tagged
    0 Thread(s)

    По умолчанию

    Схема орели в нормальном качестве я выкладывал здесь, правда не уверен на 100% что все нарисовано правильно. На фото подключен контроллер к ленинград - 2, так что работать должен. Скорей всего подключение контроллера не правильно или прошивка рт4 записанна не правильно. На ореле у меня контроллер работает с прошивкой что считывал solegstar, вторую я считывал и обе прошивки рабочие.
    Последний раз редактировалось zorel; 05.09.2012 в 22:34.

  7. #36

    Регистрация
    16.12.2009
    Адрес
    Харьков
    Сообщений
    4,735
    Спасибо Благодарностей отдано 
    365
    Спасибо Благодарностей получено 
    378
    Поблагодарили
    241 сообщений
    Mentioned
    11 Post(s)
    Tagged
    1 Thread(s)

    По умолчанию

    Цитата Сообщение от SLYFOX Посмотреть сообщение
    BETA на выбор TRDOS.
    Так BETA или BETA- используется для выбора ТРДОС?
    27 нога в каком состоянии, когда показывает меню 128? в 0 или 1?

    C небольшой доаботкой NMI -к плюсу через резистор(разорвать от BUSQR)
    причем тут NMI к BUSRQ? NMI контроллера, подключается к NMI проца.

    Интересуют сигналы RD и IORQ. RD идет по схеме напрямую в контроллере на 27256, В ленинграде1 туда идет не RD а RDROM. Что заводить на контроллер? ( хотя пробовал и то и то, результат одинаковый =(. )
    если у тебя на ленине стоит 27512, то в контроллере БДИ орели ПЗУ ненадо устанавливать.

    И по поводу IORQ - нужно ли делать доработку как в контроллере (кажется для ленинграда2, схемы очень похожи, праттачу) IORQOUT, То есть вход на BDI и выход этого сигнала обратно на процессор?
    Возможно понадобится. именно так - выход /IORQ проца на вход в контроллер, выход лл1 дальше в схему Ленина2.
    Profi must live!

    Моё железо...

    1. Profi 5.06/1Mb(DRAM)+Profi5.06(UP)/HDD/3`5FDD/CF512Mb/SD-CARD
    3. Profi 6.2 Rev. B/1Mb/3`5FDD/HDD3.2Gb
    4. Profi 5.05(down)/1Mb+Profi 5.03(UP)/Pentagon_Fix
    Все укомплектованы:
    Profi_ZX-BUS/ZXMC2/NemoIDE/SounDrive
    [свернуть]

    Ссылка на Telegram-канал поддержки пользователей Profi.

  8. #37

    Регистрация
    06.01.2012
    Адрес
    г. Москва
    Сообщений
    24
    Спасибо Благодарностей отдано 
    0
    Спасибо Благодарностей получено 
    0
    Поблагодарили
    0 сообщений
    Mentioned
    0 Post(s)
    Tagged
    0 Thread(s)

    По умолчанию

    Спасибо за схему! Такую не видел, буду разбираться. Но там опять непонятка с игнало RD. C проца нарисован прямой, на всех входах инверсный, если проинвертирован то где- с наскоку не нашёл. К ленинграду 2 подключение у Вас видел. В этом сомнений нет. Интересует- кто подключал к ленинграду 1. Прошивку в рт4 проверял несколько раз. Считывается правильно. Думал не восстановились ли перемычки (прогревал в духовке). А насчет сигналов RD и IORQ - кто что скажет? Спасибо!

    ---------- Post added at 14:15 ---------- Previous post was at 13:58 ----------

    1.Если использую Пзу 27512 тогда Бета - на 1 ногу, если 1 ногу на плюс грузится 128.
    2. в схеме ленинграда1 17 нога процессора NMI соединена соединена с 25 с BUSRQ и через резистор на +5 вольт, поэтому и доработка - оторвать NMI от BUSRQ , подать + через резистор и на Конрлоллер BDI. Кстати эту доработку делал раньше толи для расширения памяти, то ли для подключения клавиатуры от PC.
    3. ПЗУ пробовал уж по разному и так и так и вместе и раздельно =), пока остановился Пзу 512 на ленине1 1ногу на бета- (если на бета+ то матрас). Но так не пускается 128, черный квадрат , заливка красными полосками не до конца(очистка озу кажется), и виснет. Если 1 ногу на +5 четко запускается 128.
    4. попробую сделать доработку на лл1 IRQOUT. Мож че получится.
    Спасибо !
    Последний раз редактировалось SLYFOX; 24.01.2012 в 14:24.
    Москва Бибирево Медведково Алтуфьево

  9. #38

    Регистрация
    17.09.2010
    Адрес
    г. Днепропетровск
    Сообщений
    3,222
    Спасибо Благодарностей отдано 
    24
    Спасибо Благодарностей получено 
    20
    Поблагодарили
    11 сообщений
    Mentioned
    3 Post(s)
    Tagged
    0 Thread(s)

    По умолчанию

    SLYFOX, если замкнуть перемычку на контроллере дисковода постояно висит в бейсике, по команде Randomize usr 15616(7) тоже не переходит.

  10. #39

    Регистрация
    16.12.2009
    Адрес
    Харьков
    Сообщений
    4,735
    Спасибо Благодарностей отдано 
    365
    Спасибо Благодарностей получено 
    378
    Поблагодарили
    241 сообщений
    Mentioned
    11 Post(s)
    Tagged
    1 Thread(s)

    По умолчанию

    на 27 ногу ПЗУ откуда сигнал подавал? из доработки 128к? с порта 7FFD? и еще раз повторяю, что там за уровень?
    Profi must live!

    Моё железо...

    1. Profi 5.06/1Mb(DRAM)+Profi5.06(UP)/HDD/3`5FDD/CF512Mb/SD-CARD
    3. Profi 6.2 Rev. B/1Mb/3`5FDD/HDD3.2Gb
    4. Profi 5.05(down)/1Mb+Profi 5.03(UP)/Pentagon_Fix
    Все укомплектованы:
    Profi_ZX-BUS/ZXMC2/NemoIDE/SounDrive
    [свернуть]

    Ссылка на Telegram-канал поддержки пользователей Profi.

  11. #40

    Регистрация
    06.01.2012
    Адрес
    г. Москва
    Сообщений
    24
    Спасибо Благодарностей отдано 
    0
    Спасибо Благодарностей получено 
    0
    Поблагодарили
    0 сообщений
    Mentioned
    0 Post(s)
    Tagged
    0 Thread(s)

    По умолчанию

    на 27 ногу сигнал идет с доработки ВС-1(12 нога 555тм9). при загрузки короткие импульсы из 0 в 1, при 48к - 1, при 128к короткие импульсы в из 0 в 1. в трдос пачка импульсов и опять короткие. Сделал доработку на лл1, пока разбираюсь не все так просто. просто оторвать от проца не получилось. к сигналу IORQ поключен контроллер клавиатуры, не кнему, а к смеси IORQ и RD =IORD(KJOE). http://zx.pk.ru/showthread.php?t=5816 Клавиатура сразу перестала работать. Еще этот IORD идет на 15 ноги КП11 опрос состояния клавиатуры , пока сделал отдельную смесь для них IORD на дополнительной ЛЛ1 (благо в корпусе 4) чтоб заработала клавиатура. Врезультате пока имеем
    1.розовый бордюр =)
    2.запуск с 27512 на первую ногу бета+ (бета - используется в доработке на лл1)
    3.запуск всех бейсиков
    4. привыходе в трдос куча 88888888 на экране.
    вот пока как то так. разбираюсь дальше,
    всетаки я его добью, дело принципа! главное не запутаться в доработках, а то уже мозги кипят где что делал =).

    ---------- Post added at 17:05 ---------- Previous post was at 16:41 ----------

    Буду курить схему ленинграда2 , че там происходит с IORQ и доработками к нему.
    Последний раз редактировалось SLYFOX; 24.01.2012 в 17:14.
    Москва Бибирево Медведково Алтуфьево

Страница 4 из 9 ПерваяПервая 12345678 ... ПоследняяПоследняя

Информация о теме

Пользователи, просматривающие эту тему

Эту тему просматривают: 1 (пользователей: 0 , гостей: 1)

Похожие темы

  1. Орель БК-08
    от Masick в разделе Несортированное железо
    Ответов: 251
    Последнее: 26.12.2024, 00:12
  2. Контроллер RLS. Подготовка к производству.
    от Andrnow в разделе Внешние накопители
    Ответов: 116
    Последнее: 11.03.2024, 08:16
  3. Орель БК-08...
    от Roger Wilco в разделе Несортированное железо
    Ответов: 5
    Последнее: 29.09.2017, 20:43
  4. Ответов: 24
    Последнее: 30.04.2016, 23:47
  5. Ответов: 176
    Последнее: 03.06.2011, 16:34

Ваши права

  • Вы не можете создавать новые темы
  • Вы не можете отвечать в темах
  • Вы не можете прикреплять вложения
  • Вы не можете редактировать свои сообщения
  •