User Tag List

Страница 4 из 16 ПерваяПервая 12345678 ... ПоследняяПоследняя
Показано с 31 по 40 из 156

Тема: Читабельный ФАПЧ

  1. #31

    Регистрация
    25.11.2007
    Адрес
    Симферополь
    Сообщений
    2,164
    Спасибо Благодарностей отдано 
    1
    Спасибо Благодарностей получено 
    3
    Поблагодарили
    3 сообщений
    Mentioned
    0 Post(s)
    Tagged
    0 Thread(s)

    По умолчанию

    готов проверить еще и улучшенную версию.
    Amiga 1200+Blizzard 1260 72 Mb+Mtek 68030,Compozit 128, Leningrad 2,
    Atari STE 1040,ZX Spectrum +2,Pentagon 48, Speccy2007 - 2 , ATAS 256k.
    ZX Evo 4Mb- в строю.
    Speccy2010 v1
    Специалист (пока готовлюсь к восстановлению).
    Это все мое!
    Родное!
    Все люблю на свете я! Это родина моя!

  2. #31
    С любовью к вам, Yandex.Direct
    Размещение рекламы на форуме способствует его дальнейшему развитию

  3. #32

    Регистрация
    01.01.2009
    Адрес
    Донецк, Украина
    Сообщений
    3,260
    Спасибо Благодарностей отдано 
    35
    Спасибо Благодарностей получено 
    10
    Поблагодарили
    9 сообщений
    Mentioned
    2 Post(s)
    Tagged
    0 Thread(s)

    По умолчанию

    balu_dark, текущую бы проверить

  4. #33

    Регистрация
    25.11.2007
    Адрес
    Симферополь
    Сообщений
    2,164
    Спасибо Благодарностей отдано 
    1
    Спасибо Благодарностей получено 
    3
    Поблагодарили
    3 сообщений
    Mentioned
    0 Post(s)
    Tagged
    0 Thread(s)

    По умолчанию

    Счас проверю как раз ресторю диски свои , чтобы перегнать в TRD . Нашел некоторые версии Севастопольских товарищей.

    ---------- Post added at 14:38 ---------- Previous post was at 14:25 ----------

    Не - что-то совсем не работает. даже на заведомо нормальных и только отресторенных дисках.

    ---------- Post added at 14:41 ---------- Previous post was at 14:38 ----------

    Откатился обратно на версию от 17го - с ней все нормально.
    Amiga 1200+Blizzard 1260 72 Mb+Mtek 68030,Compozit 128, Leningrad 2,
    Atari STE 1040,ZX Spectrum +2,Pentagon 48, Speccy2007 - 2 , ATAS 256k.
    ZX Evo 4Mb- в строю.
    Speccy2010 v1
    Специалист (пока готовлюсь к восстановлению).
    Это все мое!
    Родное!
    Все люблю на свете я! Это родина моя!

  5. #34
    ZEK
    Гость

    По умолчанию

    или намудрил с wfde или все таки rawr надо обязательно двигать

  6. #35

    Регистрация
    25.11.2007
    Адрес
    Симферополь
    Сообщений
    2,164
    Спасибо Благодарностей отдано 
    1
    Спасибо Благодарностей получено 
    3
    Поблагодарили
    3 сообщений
    Mentioned
    0 Post(s)
    Tagged
    0 Thread(s)

    По умолчанию

    Двигай мое дело - проверить

    ---------- Post added at 15:46 ---------- Previous post was at 15:44 ----------

    Мне можно просто заслать несколько прошивок с разными вариантами - я их прогоню на одном и том же полу рабочем диске и скажу - какая лучше читает.
    Amiga 1200+Blizzard 1260 72 Mb+Mtek 68030,Compozit 128, Leningrad 2,
    Atari STE 1040,ZX Spectrum +2,Pentagon 48, Speccy2007 - 2 , ATAS 256k.
    ZX Evo 4Mb- в строю.
    Speccy2010 v1
    Специалист (пока готовлюсь к восстановлению).
    Это все мое!
    Родное!
    Все люблю на свете я! Это родина моя!

  7. #36
    ZEK
    Гость

    По умолчанию

    Если есть квартус можно ускорить процедуру, у меня 11 а он не умеет ACEX

  8. #37

    Регистрация
    16.12.2009
    Адрес
    Харьков
    Сообщений
    4,735
    Спасибо Благодарностей отдано 
    365
    Спасибо Благодарностей получено 
    379
    Поблагодарили
    242 сообщений
    Mentioned
    11 Post(s)
    Tagged
    1 Thread(s)

    По умолчанию

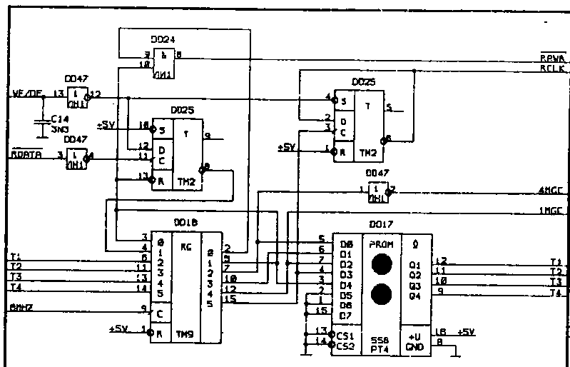
    Вопрос - возможно вставить кусок схемы ФАПЧ Профи 5 и 32 байта прошивки РТ4 в прошиву Эвы?

    Скрытый текст

    0000: 08 08 04 ОC ОС 02 OA 06 . OD OB 03 07 OF OF 00 08
    0010: 08 04 ОС 02 OA 06 OE 01 . 09 05 OD 03 OB 07 OF 00
    [свернуть]


    Q1(12) -- D3 Соответствие
    Q2(11) -- D2 выводов
    Q3(10) -- D1 микросхемы
    Q4( 9) -- D0

    есть вариант этой прошивы для ATF22V10. Написано в ATMEL WinCUPL. Написаны номера ячеек по соответствию адресных линий, и потом идет обычное сложение этих ячеек по "ИЛИ" для каждого бита из четырех. Т.е. если ячейка меняет только один выход (допустим 00-я), то ячейка по адресу 00 со значением 08 записана только в 3 бите, если ячейка меняет все четыре выхода, допустим 1Е со значением 0F, то она записана во всех четырех битах. Проверил в симуляторе WinCUPL по входам/выходам всё соответствует прошиве. Мне показался это самый простой вариант "в лоб" как говориться

    Ниже текст этого безобразия:

    Скрытый текст

    Name fapch;
    Partno 1;
    Revision 01;
    Date 04/04/2011;
    Designer solegstar;
    Company solegstar;
    Location Profi3+;
    Assembly DD17;
    Device g22v10;

    /*
    * Inputs...
    */

    Pin 1 = a0;
    Pin 2 = a1;
    Pin 3 = a2;
    Pin 4 = a3;
    Pin 5 = a4;

    /*
    * Outputs...
    *
    */

    Pin 17 = bit0;
    Pin 18 = bit1;
    Pin 15 = bit2;
    Pin 16 = bit3;

    /*
    * Logic...
    */

    c00 = !a4 & !a3 & !a2 & !a1 & !a0;
    c01 = !a4 & !a3 & !a2 & !a1 & a0;
    c02 = !a4 & !a3 & !a2 & a1 & !a0;
    c03 = !a4 & !a3 & !a2 & a1 & a0;
    c04 = !a4 & !a3 & a2 & !a1 & !a0;
    c05 = !a4 & !a3 & a2 & !a1 & a0;
    c06 = !a4 & !a3 & a2 & a1 & !a0;
    c07 = !a4 & !a3 & a2 & a1 & a0;
    c08 = !a4 & a3 & !a2 & !a1 & !a0;
    c09 = !a4 & a3 & !a2 & !a1 & a0;
    c0a = !a4 & a3 & !a2 & a1 & !a0;
    c0b = !a4 & a3 & !a2 & a1 & a0;
    c0c = !a4 & a3 & a2 & !a1 & !a0;
    c0d = !a4 & a3 & a2 & !a1 & a0;
    c0f = !a4 & a3 & a2 & a1 & a0;
    c10 = a4 & !a3 & !a2 & !a1 & !a0;
    c11 = a4 & !a3 & !a2 & !a1 & a0;
    c12 = a4 & !a3 & !a2 & a1 & !a0;
    c13 = a4 & !a3 & !a2 & a1 & a0;
    c14 = a4 & !a3 & a2 & !a1 & !a0;
    c15 = a4 & !a3 & a2 & !a1 & a0;
    c16 = a4 & !a3 & a2 & a1 & !a0;
    c17 = a4 & !a3 & a2 & a1 & a0;
    c18 = a4 & a3 & !a2 & !a1 & !a0;
    c19 = a4 & a3 & !a2 & !a1 & a0;
    c1a = a4 & a3 & !a2 & a1 & !a0;
    c1b = a4 & a3 & !a2 & a1 & a0;
    c1c = a4 & a3 & a2 & !a1 & !a0;
    c1d = a4 & a3 & a2 & !a1 & a0;
    c1e = a4 & a3 & a2 & a1 & !a0;
    c1f = a4 & a3 & a2 & a1 & a0;
    bit0 = c08 # c09 # c0a # c0b # c0c # c0d # c17 # c18 # c19 # c1a # c1b # c1c # c1d # c1e;
    bit1 = c05 # c06 # c07 # c09 # c0a # c0b # c0c # c0d # c13 # c14 # c15 # c16 # c1b # c1d # c1e;
    bit2 = c02 # c03 # c04 # c07 # c08 # c0b # c0c # c0d # c11 # c12 # c15 # c16 # c19 # c1a # c1c # c1d # c1e;
    bit3 = c00 # c01 # c03 # c04 # c06 # c08 # c09 # c0c # c0d # c0f # c10 # c12 # c14 # c16 # c18 # c1a # c1c # c1e;
    [свернуть]
    Миниатюры Миниатюры Нажмите на изображение для увеличения. 

Название:	PROFI5_FAPCH.png 
Просмотров:	159 
Размер:	7.5 Кб 
ID:	47657  
    Последний раз редактировалось solegstar; 25.04.2014 в 12:46.
    Profi must live!

    Моё железо...

    1. Profi 5.06/1Mb(DRAM)+Profi5.06(UP)/HDD/3`5FDD/CF512Mb/SD-CARD
    3. Profi 6.2 Rev. B/1Mb/3`5FDD/HDD3.2Gb
    4. Profi 5.05(down)/1Mb+Profi 5.03(UP)/Pentagon_Fix
    Все укомплектованы:
    Profi_ZX-BUS/ZXMC2/NemoIDE/SounDrive
    [свернуть]

    Ссылка на Telegram-канал поддержки пользователей Profi.

  9. #38
    ZEK
    Гость

    По умолчанию

    Цитата Сообщение от solegstar Посмотреть сообщение
    Вопрос - возможно вставить кусок схемы ФАПЧ Профи 5 и 32 байта прошивки РТ4 в прошиву Эвы?
    Вставить то можно, но смысл? у него же такие бока как и у фапч которые работают с текущим тактом, осталось только понять значения в табличке и пересчитать их под 28мгц

  10. #39

    Регистрация
    16.12.2009
    Адрес
    Харьков
    Сообщений
    4,735
    Спасибо Благодарностей отдано 
    365
    Спасибо Благодарностей получено 
    379
    Поблагодарили
    242 сообщений
    Mentioned
    11 Post(s)
    Tagged
    1 Thread(s)

    По умолчанию

    Цитата Сообщение от ZEK Посмотреть сообщение
    Вставить то можно, но смысл? у него же такие бока как и у фапч которые работают с текущим тактом, осталось только понять значения в табличке и пересчитать их под 28мгц
    ну это я предложил один из вариантов, который прорабатывал на замену РТ4, пока не запустил программатор РТ4...
    Profi must live!

    Моё железо...

    1. Profi 5.06/1Mb(DRAM)+Profi5.06(UP)/HDD/3`5FDD/CF512Mb/SD-CARD
    3. Profi 6.2 Rev. B/1Mb/3`5FDD/HDD3.2Gb
    4. Profi 5.05(down)/1Mb+Profi 5.03(UP)/Pentagon_Fix
    Все укомплектованы:
    Profi_ZX-BUS/ZXMC2/NemoIDE/SounDrive
    [свернуть]

    Ссылка на Telegram-канал поддержки пользователей Profi.

  11. #40

    Регистрация
    19.12.2008
    Адрес
    Черкассы
    Сообщений
    1,574
    Спасибо Благодарностей отдано 
    1
    Спасибо Благодарностей получено 
    16
    Поблагодарили
    13 сообщений
    Mentioned
    0 Post(s)
    Tagged
    0 Thread(s)

    По умолчанию

    Дык табличная версия по ВМГ есть и по моему должна работать.
    Робик 1024(пентагоновские тайминги),+ 7Мц+, 2AY(TS),+ контроллер дисковода,+ 3.5,+ 5.25 флоп,+CMOS,+ mouse(caro),+ Flash.
    Pentagon 128(1991г.)+YМ
    программатор 2732-27512.


Страница 4 из 16 ПерваяПервая 12345678 ... ПоследняяПоследняя

Информация о теме

Пользователи, просматривающие эту тему

Эту тему просматривают: 1 (пользователей: 0 , гостей: 1)

Похожие темы

  1. ищу схему ФАПЧ
    от zorel в разделе Внешние накопители
    Ответов: 3
    Последнее: 29.07.2011, 00:20
  2. ФАПЧ
    от Sayman в разделе Внешние накопители
    Ответов: 2
    Последнее: 26.02.2009, 10:26

Ваши права

  • Вы не можете создавать новые темы
  • Вы не можете отвечать в темах
  • Вы не можете прикреплять вложения
  • Вы не можете редактировать свои сообщения
  •