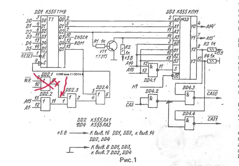
Пытаюсь расширить память Ленинград-1 до 128К, и заменить две ПЗУ 2764 на FLASH-ПЗУ AT29C010А. Схему расширения памяти взял из журнала Радиоаматор №1 1994г. FLASH-ПЗУ установил на место DD29 согласно рекомендациям указанным здесь http://zx.pk.ru/showpost.php?p=324586&postcount=21 Сигнал ROM c DD1 555TM9 пока к Ленинграду не подключал, так ка не могу сообразить по какому адресу заливать rom для 128К версии. Тест ПЗУ-128К и Basic-48К прошиваю с адреса #C000. Все работает как и положено при условии, что на выводе 27 ПЗУ (у FLASH соответственно это вывод 29 - А14) логическая 1. Тест прогонял около 3 часов, никаких глюков замечено не было. А вот в режиме Basic-48К при нажатии кнопки сброс на экране иногда проскакивает какой-то мусор в виде квадратиков и мелких вертикальных полос. В связи с чем у меня возникает пару вопросов. С чем может быть связано появление мусора на экране и как от этого можно избавиться?
Какую прошивку и по какому адресу мне нужно залить в FLASH-ПЗУ для версии Basic-128к? (в статье прошивка упоминается как Editor-128K). Надеюсь на Вашу помощь.




Ответить с цитированием
Размещение рекламы на форуме способствует его дальнейшему развитию 

Profi must live!
