Важная информация

User Tag List

Страница 2 из 22 ПерваяПервая 123456 ... ПоследняяПоследняя
Показано с 11 по 20 из 217

Тема: Монитор и телек. Схемы. Возможно ли подключить спектрум по RGB?

  1. #11

    Регистрация
    24.12.2006
    Адрес
    р.п. Маслянино, Новосибирская обл.
    Сообщений
    5,605
    Спасибо Благодарностей отдано 
    254
    Спасибо Благодарностей получено 
    268
    Поблагодарили
    187 сообщений
    Mentioned
    5 Post(s)
    Tagged
    0 Thread(s)

    По умолчанию

    Цитата Сообщение от solegstar Посмотреть сообщение
    не хотел я этого писать вчера, побоялся за жизнь телека. еще на 45 ногу, если отключить её от GND и в разрыв впаять резистор 75 Ом, то можно подключить сигнал подключения дополнительных входов RGB IN2 - FBL IN2. Возможно напряжение включения 1В (можно от него начать и чуть повышать), т.к. в PDF я не нашел этому подтверждения...
    Цитата Сообщение от volton Посмотреть сообщение
    ты совершенно прав!
    цитирую смотря схему шасси мш-73 - сигнал fb (16 вывод скарта) идет на резистор 75 ом и на землю... далее через резистор 220 ом идет на 45 ножку проца. при подачи упр напряжения на 16 вывод скарта микросхема будет включать доп вх ргб.
    В вышеизложенном я вообще ничего не понимаю
    Это про что? Дополнительный вход ргб? Дополнительный к чему? Если я всё это сделаю, то микросхема будет включать доп вх ргб. Что это даст? В меню телека-то я всё равно смогу выбрать лишь AV вход..
    Единственное я покопался в сервисном меню и сделал так, что теперь у меня как бы 2 AV входа. Раньше был один. Теперь два. Но они всё-равно AV.

    ---------- Post added at 20:52 ---------- Previous post was at 20:47 ----------

    solegstar, ясно! Значит чтобы проц начал брать данные с 46,47,48 ног нужно на 45-ую ногу подать через резистор 75 ом 1 вольт. А где взять этот вольт? У меня в видеогнезде спекка присутствует +5V (выводил для питания CHRV PAL-кодера), можно ли из этих 5V получить 1 вольт для подачи на 45 ногу? ))
    ___________

  2. #12

    Регистрация
    03.02.2006
    Адрес
    reepablik O0f Pilarus
    Сообщений
    731
    Спасибо Благодарностей отдано 
    4
    Спасибо Благодарностей получено 
    29
    Поблагодарили
    22 сообщений
    Mentioned
    0 Post(s)
    Tagged
    0 Thread(s)

    По умолчанию

    Мой тебе совет тогда это дело вместе с разборкой и сборкой, допайкой недостающих элементов вместе с разогревом паяльника займет 15 мин... у тебя оно займет годыыы попроси кого нибудь... а то и впрямь сожшешь чего нибудь
    ps и в сервис поменьше лазь с такими познаниями
    ps вот полный скарт http://www.tvservice.org/files/2487_mb_73.rar найди 10 отличий.
    Последний раз редактировалось volton; 05.05.2014 в 17:59.
    -+ aMiGa +-

  3. #13

    Регистрация
    24.12.2006
    Адрес
    р.п. Маслянино, Новосибирская обл.
    Сообщений
    5,605
    Спасибо Благодарностей отдано 
    254
    Спасибо Благодарностей получено 
    268
    Поблагодарили
    187 сообщений
    Mentioned
    5 Post(s)
    Tagged
    0 Thread(s)

    По умолчанию

    Цитата Сообщение от volton Посмотреть сообщение
    Мой тебе совет тогда это дело вместе с разборкой и сборкой, допайкой недостающих элементов вместе с разогревом паяльника займет 15 мин... у тебя оно займет годыыы попроси кого нибудь... а то и впрямь сожшешь чего нибудь
    ps и в сервис поменьше лазь с такими познаниями
    У меня это дело тоже займёт 15 мин! Мне бы только схемку наглядную, хоть от руки, на которой были бы обозначены: спековские R,G,B, Синхра ; 45,46,47,48 ноги проца ; ну и как между собой всё это соеденить, какие резисторы, какие кондеры.
    ___________

  4. #14

    Регистрация
    03.02.2006
    Адрес
    reepablik O0f Pilarus
    Сообщений
    731
    Спасибо Благодарностей отдано 
    4
    Спасибо Благодарностей получено 
    29
    Поблагодарили
    22 сообщений
    Mentioned
    0 Post(s)
    Tagged
    0 Thread(s)

    По умолчанию

    Цитата Сообщение от ZX_NOVOSIB Посмотреть сообщение
    У меня это дело тоже займёт 15 мин! Мне бы только схемку наглядную, хоть от руки, на которой были бы обозначены: спековские R,G,B, Синхра ; 45,46,47,48 ноги проца ; ну и как между собой всё это соеденить, какие резисторы, какие кондеры.
    найди схему от шасси мш-73 там полный скарт!
    -+ aMiGa +-

  5. #15

    Регистрация
    16.12.2009
    Адрес
    Харьков
    Сообщений
    4,735
    Спасибо Благодарностей отдано 
    365
    Спасибо Благодарностей получено 
    378
    Поблагодарили
    241 сообщений
    Mentioned
    11 Post(s)
    Tagged
    1 Thread(s)

    По умолчанию

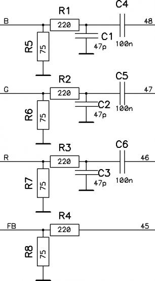
    Цитата Сообщение от ZX_NOVOSIB Посмотреть сообщение
    У меня это дело тоже займёт 15 мин! Мне бы только схемку наглядную, хоть от руки, на которой были бы обозначены: спековские R,G,B, Синхра ; 45,46,47,48 ноги проца ; ну и как между собой всё это соеденить, какие резисторы, какие кондеры.
    вот поэтому я вчера ниче и не писал))) ну держи - знаток. только аккуратно.)
    Миниатюры Миниатюры Нажмите на изображение для увеличения. 

Название:	SCART.jpg 
Просмотров:	501 
Размер:	20.1 Кб 
ID:	47794  
    Profi must live!

    Моё железо...

    1. Profi 5.06/1Mb(DRAM)+Profi5.06(UP)/HDD/3`5FDD/CF512Mb/SD-CARD
    3. Profi 6.2 Rev. B/1Mb/3`5FDD/HDD3.2Gb
    4. Profi 5.05(down)/1Mb+Profi 5.03(UP)/Pentagon_Fix
    Все укомплектованы:
    Profi_ZX-BUS/ZXMC2/NemoIDE/SounDrive
    [свернуть]

    Ссылка на Telegram-канал поддержки пользователей Profi.

  6. #16

    Регистрация
    16.12.2009
    Адрес
    Харьков
    Сообщений
    4,735
    Спасибо Благодарностей отдано 
    365
    Спасибо Благодарностей получено 
    378
    Поблагодарили
    241 сообщений
    Mentioned
    11 Post(s)
    Tagged
    1 Thread(s)

    По умолчанию

    Цитата Сообщение от ZX_NOVOSIB Посмотреть сообщение
    А где взять этот вольт? У меня в видеогнезде спекка присутствует +5V (выводил для питания CHRV PAL-кодера), можно ли из этих 5V получить 1 вольт для подачи на 45 ногу? ))
    подключи +5В через резистор 300 Ом к сигналу FB схемы. только сначала схему собери.
    Profi must live!

    Моё железо...

    1. Profi 5.06/1Mb(DRAM)+Profi5.06(UP)/HDD/3`5FDD/CF512Mb/SD-CARD
    3. Profi 6.2 Rev. B/1Mb/3`5FDD/HDD3.2Gb
    4. Profi 5.05(down)/1Mb+Profi 5.03(UP)/Pentagon_Fix
    Все укомплектованы:
    Profi_ZX-BUS/ZXMC2/NemoIDE/SounDrive
    [свернуть]

    Ссылка на Telegram-канал поддержки пользователей Profi.

  7. #16
    С любовью к вам, Yandex.Direct
    Размещение рекламы на форуме способствует его дальнейшему развитию

  8. #17

    Регистрация
    03.02.2006
    Адрес
    reepablik O0f Pilarus
    Сообщений
    731
    Спасибо Благодарностей отдано 
    4
    Спасибо Благодарностей получено 
    29
    Поблагодарили
    22 сообщений
    Mentioned
    0 Post(s)
    Tagged
    0 Thread(s)

    По умолчанию

    Цитата Сообщение от solegstar Посмотреть сообщение
    подключи +5В через резистор 300 Ом к сигналу FB схемы. только сначала схему собери.
    ты ж ему забыл сказать по схеме что слева это скарт,а справа нумерация ножек процессора
    -+ aMiGa +-

  9. #18

    Регистрация
    16.12.2009
    Адрес
    Харьков
    Сообщений
    4,735
    Спасибо Благодарностей отдано 
    365
    Спасибо Благодарностей получено 
    378
    Поблагодарили
    241 сообщений
    Mentioned
    11 Post(s)
    Tagged
    1 Thread(s)

    По умолчанию

    volton, та ну тогда вообще за это дело лучше не браться, если не догадается))
    Profi must live!

    Моё железо...

    1. Profi 5.06/1Mb(DRAM)+Profi5.06(UP)/HDD/3`5FDD/CF512Mb/SD-CARD
    3. Profi 6.2 Rev. B/1Mb/3`5FDD/HDD3.2Gb
    4. Profi 5.05(down)/1Mb+Profi 5.03(UP)/Pentagon_Fix
    Все укомплектованы:
    Profi_ZX-BUS/ZXMC2/NemoIDE/SounDrive
    [свернуть]

    Ссылка на Telegram-канал поддержки пользователей Profi.

  10. #19

    Регистрация
    03.02.2006
    Адрес
    reepablik O0f Pilarus
    Сообщений
    731
    Спасибо Благодарностей отдано 
    4
    Спасибо Благодарностей получено 
    29
    Поблагодарили
    22 сообщений
    Mentioned
    0 Post(s)
    Tagged
    0 Thread(s)

    По умолчанию

    Цитата Сообщение от solegstar Посмотреть сообщение
    volton, та ну тогда вообще за это дело лучше не браться, если не догадается))
    вотему еще в помощь... специалисту - http://www.amigalog.com/amiga-rgb-to-scart-cable/ это правильный кабэль для спектрума он тоже катит... а то еще какие глупые вопросы будут
    -+ aMiGa +-

  11. #20

    Регистрация
    24.12.2006
    Адрес
    р.п. Маслянино, Новосибирская обл.
    Сообщений
    5,605
    Спасибо Благодарностей отдано 
    254
    Спасибо Благодарностей получено 
    268
    Поблагодарили
    187 сообщений
    Mentioned
    5 Post(s)
    Tagged
    0 Thread(s)

    По умолчанию

    Цитата Сообщение от solegstar Посмотреть сообщение
    вот поэтому я вчера ниче и не писал))) ну держи - знаток. только аккуратно.)
    Спасибо! Значит мне понадобится:
    3 кондера 47 пикофарад.
    3 кондера 100 нанофарад.
    1 резистор 300 Ом.
    4 резистора 75 Ом.
    4 резистора 220 кОм? Это же килоомы?

    И получается что 5 вольт будут шунтированы на массу через тот 300-омный резистор и R8 (75 Ом), т.е. через 375 Ом? БП спектрума не сгорит?
    ___________

Страница 2 из 22 ПерваяПервая 123456 ... ПоследняяПоследняя

Информация о теме

Пользователи, просматривающие эту тему

Эту тему просматривают: 1 (пользователей: 0 , гостей: 1)

Похожие темы

  1. Как подключить дискетник на 5.25 или 1.5 к Спектрум 48?
    от Вадим Димтревич в разделе Внешние накопители
    Ответов: 13
    Последнее: 15.04.2020, 13:12
  2. Как подключить Спектрум к ТВ ?
    от Dragoos в разделе Изображение
    Ответов: 225
    Последнее: 25.10.2016, 19:16
  3. Ответов: 6
    Последнее: 03.07.2013, 19:26
  4. ВОЗМОЖНО ЛИ РАЗРАБОТАТЬ НОВЫЙ СПЕКТРУМ САМОМУ!
    от spectrum в разделе Несортированное железо
    Ответов: 133
    Последнее: 13.09.2006, 00:50
  5. Ответов: 15
    Последнее: 13.04.2005, 09:39

Ваши права

  • Вы не можете создавать новые темы
  • Вы не можете отвечать в темах
  • Вы не можете прикреплять вложения
  • Вы не можете редактировать свои сообщения
  •